LEMON Manuals: Even more car manuals for everyone: 1960-2025
Home >> Toyota >> 2012 >> Matrix Base, Automatic Trans >> Repair and Diagnosis >> External Pages >> Different car >> Section 88 (Smart Key System (Keyless Start) (Diagnostic Codes & Symptom Tests)) >> SMART KEY SYSTEM (for Start Function) >> DTC B2282: Vehicle Speed Signal Malfunction; DTC B2283: Vehicle Speed Sensor Malfunction >> Wiring Diagram
April 5, 2026: LEMON Manuals is launched! Read the announcement.

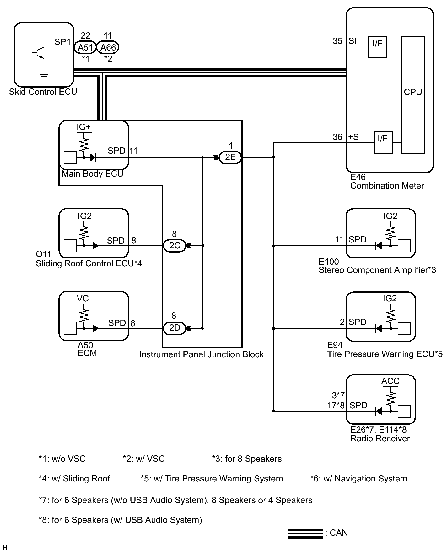
DTC B2282: Vehicle Speed Signal Malfunction; DTC B2283: Vehicle Speed Sensor Malfunction: Wiring Diagram

WARNING: This page is about a different car, the 2011 Toyota Corolla. However, it is still accessible from the selected car via links, so may be relevant.
Fig 1: Skid Control Wiring Diagram
GTY291747Courtesy of © TOYOTA, LICENSE AGREEMENT TMS1002

HINT: