LEMON Manuals: Even more car manuals for everyone: 1960-2025
Home >> Toyota >> 2012 >> Matrix Base, Automatic Trans >> Repair and Diagnosis >> External Pages >> Different car >> Section 88 (Smart Key System (Keyless Start) (Diagnostic Codes & Symptom Tests)) >> SMART KEY SYSTEM (for Start Function) >> Symptom Tests >> Engine does not Start >> Description
April 5, 2026: LEMON Manuals is launched! Read the announcement.

Engine does not Start: Description

WARNING: This page is about a different car, the 2011 Toyota Corolla. However, it is still accessible from the selected car via links, so may be relevant.
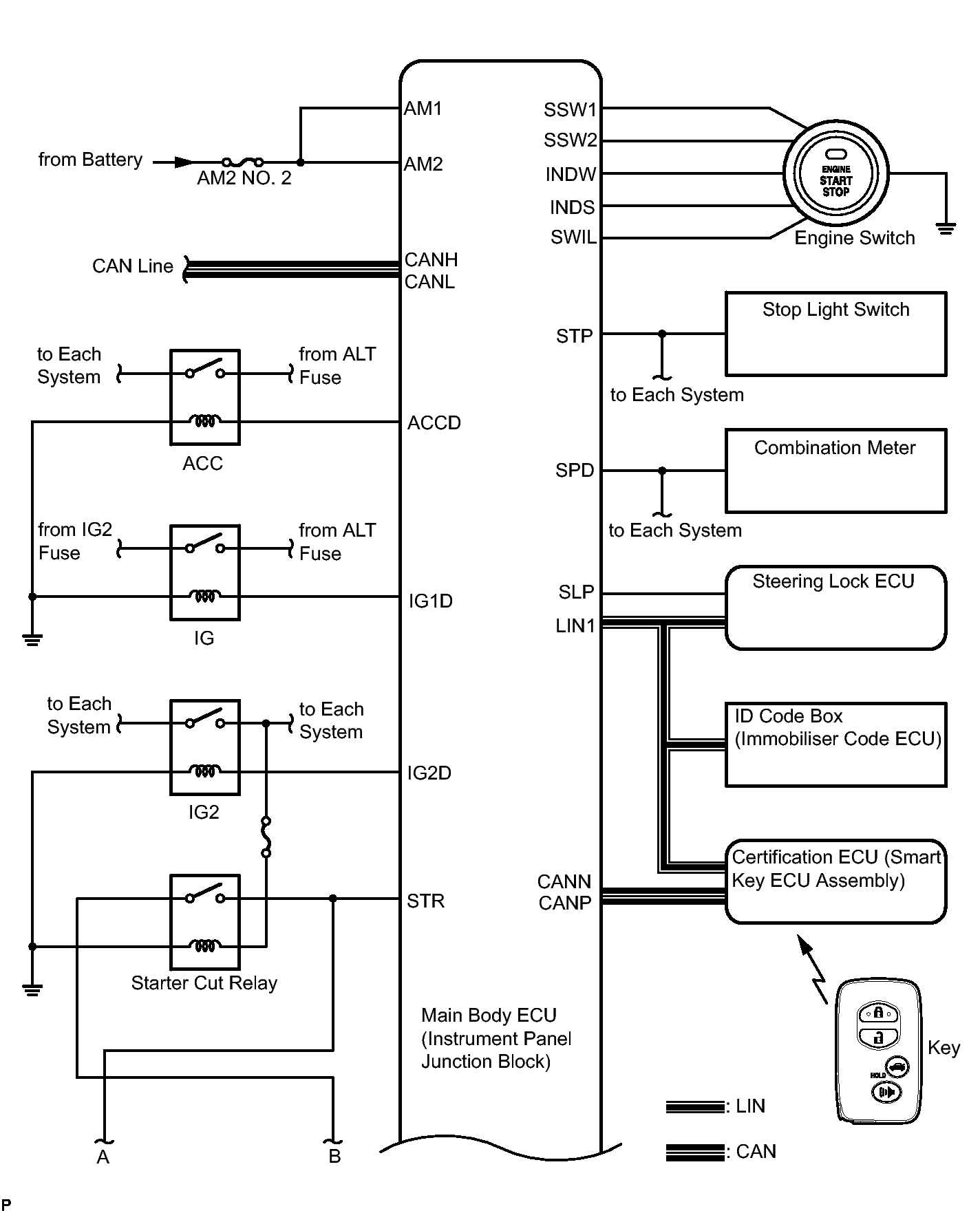
  1. ENGINE START SYSTEM FUNCTION 
    1. If the engine switch is pressed with the shift lever is in P or N and the brake pedal depressed, the main body ECU (instrument panel junction block) determines that it is an engine start request.
    2. The certification ECU (smart key ECU assembly) and other ECUs perform key verification via the LIN communication line.
    3. The main body ECU (instrument panel junction block) activates the ACC relay.
    4. The main body ECU (instrument panel junction block) activates the IG1 and IG2 relays.
    5. The certification ECU (smart key ECU assembly) outputs a steering UNLOCK signal. The signal is sent to the main body ECU (instrument panel junction block) via the steering lock ECU.
    6. The main body ECU (instrument panel junction block) sends an engine start request signal to the ECM.
    7. The ECM sends an ACC cut request signal to the main body ECU (instrument panel junction block).
    8. The ECM and main body ECU (instrument panel junction block) activate the starter relay.
    9. The main body ECU (instrument panel junction block) deactivates the ACC relay until the main body ECU (instrument panel junction block) detects an engine start.
    10. When engine revolution speed reaches 1200 RPM, the ECM determines that the engine has been started.

      The ECM stops sending an ACC cut request signal to the main body ECU.

      The main body ECU (instrument panel junction block) reactivates the ACC relay and turns off the engine switch indicator light, when engine revolution speed reaches 800 RPM.

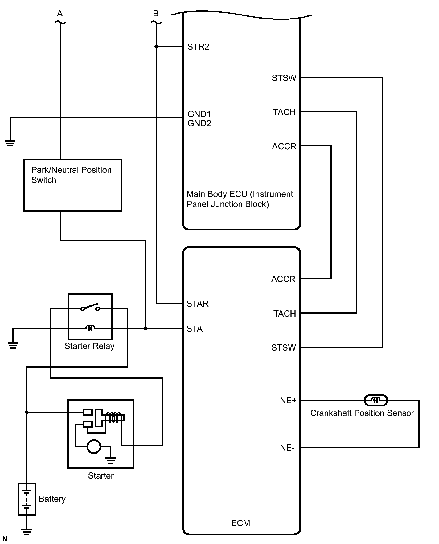
      Symbol of Main Body ECU Signal
      STP Stop light switch ON signal Input
      SSW1/SSW2 Engine switch ON signal Input
      ACCD ACC relay operation signal Output
      SLP Steering lock actuator position signal Input
      IG1D IG1 relay operation signal Output
      IG2D IG2 relay operation signal Output
      STR2 Starter relay operation signal (Sub) Output
      STR Park/Neutral position switch signal Input
      TACH Engine start detection signal Input
      STSW Starter activation request signal Output
      ACCR ACC cut request signal Input
      Symbol of ECM Signal
      ACCR ACC cut request signal Output
      TACH Engine revolution speed signal Output
      STSW Starter activation request signal Input
      STAR Starter relay operation signal (Main) Output
      STA Starter activation signal Input
    Fig 1: Engine Does Not Start - Wiring Diagram (1 Of 2)
    GTY169697Courtesy of © TOYOTA, LICENSE AGREEMENT TMS1002
    Fig 2: Engine Does Not Start - Wiring Diagram (2 Of 2)
    GTY199037Courtesy of © TOYOTA, LICENSE AGREEMENT TMS1002