LEMON Manuals: Even more car manuals for everyone: 1960-2025
Home >> Toyota >> 2012 >> Matrix Base, Automatic Trans >> Repair and Diagnosis >> External Pages >> Different car >> Section 95 (Power Door Lock Control System (Diagnostics & Symptom Tests)) >> Power Door Lock Control System >> All Doors LOCK / UNLOCK Functions do not Operate Via Master Switch, Both Front Door Key Cylinders >> Wiring Diagram
April 5, 2026: LEMON Manuals is launched! Read the announcement.

All Doors LOCK / UNLOCK Functions do not Operate Via Master Switch, Both Front Door Key Cylinders: Wiring Diagram

WARNING: This page is about a different car, the 2011 Toyota Corolla. However, it is still accessible from the selected car via links, so may be relevant.
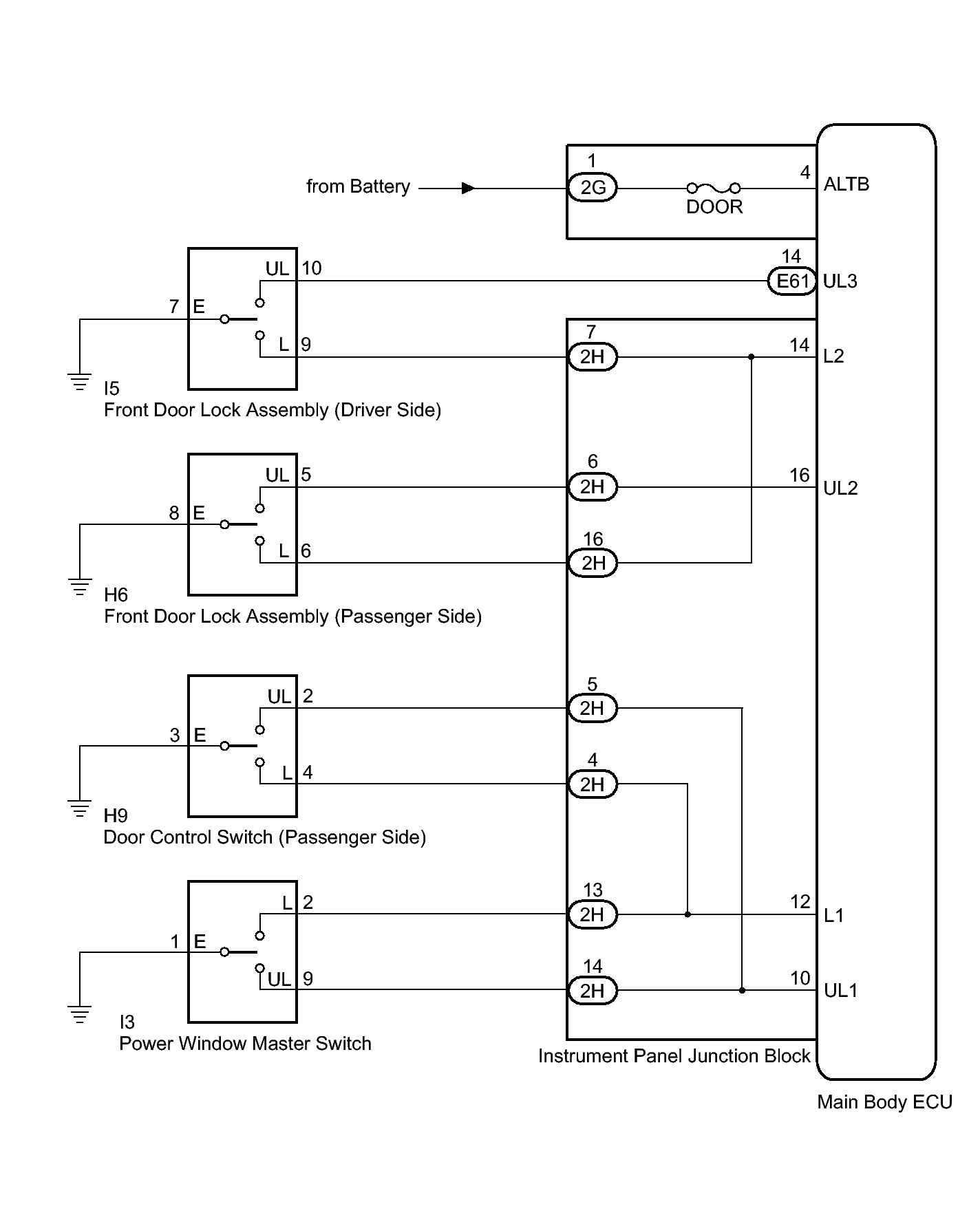
  1. Except for TMC made: 
    Fig 1: Instrument Panel Junction Block - Wiring Diagram (1 Of 3)
    GTY184713Courtesy of © TOYOTA, LICENSE AGREEMENT TMS1002
    Fig 2: Instrument Panel Junction Block - Wiring Diagram (2 Of 3)
    GTY200006Courtesy of © TOYOTA, LICENSE AGREEMENT TMS1002
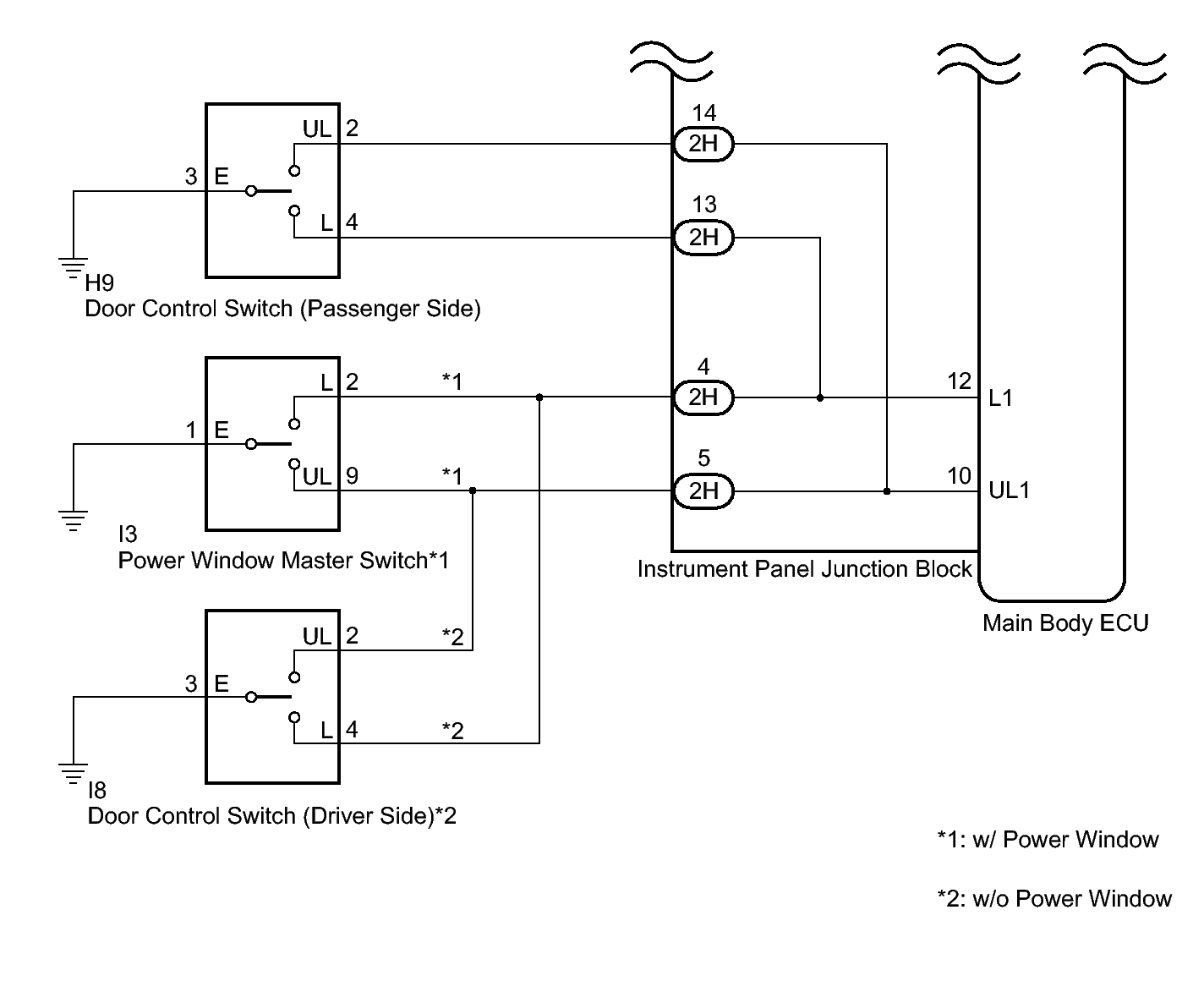
  2. for TMC Made: 
    Fig 3: Instrument Panel Junction Block - Wiring Diagram (3 Of 3)
    GTY290471Courtesy of © TOYOTA, LICENSE AGREEMENT TMS1002