LEMON Manuals: Even more car manuals for everyone: 1960-2025
Home >> Toyota >> 2012 >> Matrix Base, Standard Trans >> Repair and Diagnosis (Single Page) >> Electrical >> Body Electrical >> OEM System Circuits >> Key Reminder >> Notes
April 5, 2026: LEMON Manuals is launched! Read the announcement.

Key Reminder: Notes

Fig 1: Key Reminder System Wiring Diagram (1 Of 2)
G08798978Courtesy of © TOYOTA, LICENSE AGREEMENT TMS1002
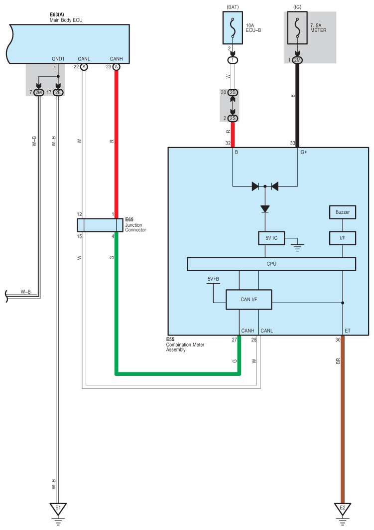
Fig 2: Key Reminder System Wiring Diagram (2 Of 2)
G08798979Courtesy of © TOYOTA, LICENSE AGREEMENT TMS1002