LEMON Manuals: Even more car manuals for everyone: 1960-2025
Home >> Toyota >> 2012 >> Matrix Base, Standard Trans >> Repair and Diagnosis (Single Page) >> Electrical >> Motors, Switches, Relays >> OEM System Circuits >> Audio System >> Notes
April 5, 2026: LEMON Manuals is launched! Read the announcement.

Audio System: Notes

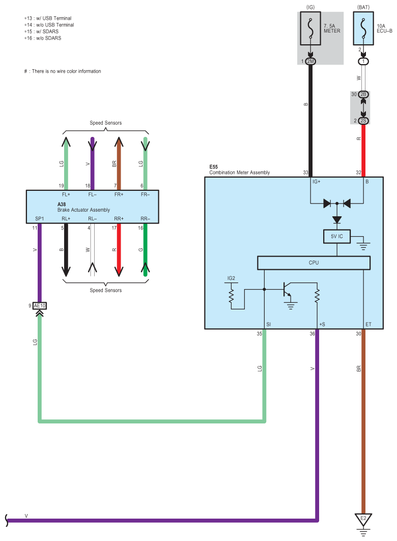
Fig 1: Audio System Wiring Diagram (1 Of 4)
G08798992Courtesy of © TOYOTA, LICENSE AGREEMENT TMS1002
Fig 2: Audio System Wiring Diagram (2 Of 4)
G08798993Courtesy of © TOYOTA, LICENSE AGREEMENT TMS1002
Fig 3: Audio System Wiring Diagram (3 Of 4)
G08798994Courtesy of © TOYOTA, LICENSE AGREEMENT TMS1002
Fig 4: Audio System Wiring Diagram (4 Of 4)
G08798995Courtesy of © TOYOTA, LICENSE AGREEMENT TMS1002