LEMON Manuals: Even more car manuals for everyone: 1960-2025
Home >> Toyota >> 2012 >> Matrix Base, Standard Trans >> Repair and Diagnosis >> Electrical >> Body Electrical >> OEM System Circuits >> Cooling Fan (2AZ-FE) >> Notes
April 5, 2026: LEMON Manuals is launched! Read the announcement.

Cooling Fan (2AZ-FE): Notes

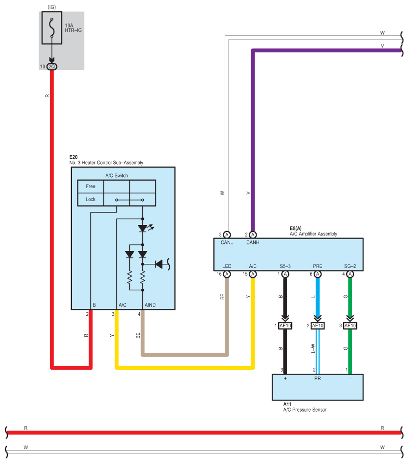
Fig 1: Cooling Fan Wiring Diagram (2AZ-FE; 1 Of 5)
G08799002Courtesy of © TOYOTA, LICENSE AGREEMENT TMS1002
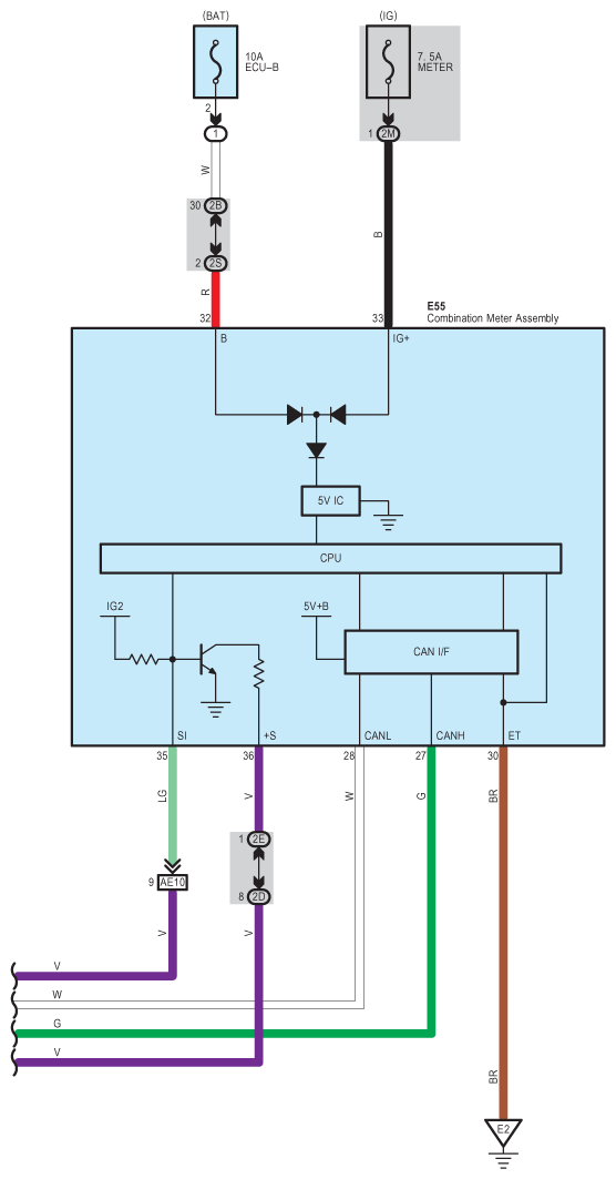
Fig 2: Cooling Fan Wiring Diagram (2AZ-FE; 2 Of 5)
G08799003Courtesy of © TOYOTA, LICENSE AGREEMENT TMS1002
Fig 3: Cooling Fan Wiring Diagram (2AZ-FE; 3 Of 5)
G08799004Courtesy of © TOYOTA, LICENSE AGREEMENT TMS1002
Fig 4: Cooling Fan Wiring Diagram (2AZ-FE; 4 Of 5)
G08799005Courtesy of © TOYOTA, LICENSE AGREEMENT TMS1002
Fig 5: Cooling Fan Wiring Diagram (2AZ-FE; 5 Of 5)
G08799006Courtesy of © TOYOTA, LICENSE AGREEMENT TMS1002