LEMON Manuals: Even more car manuals for everyone: 1960-2025
Home >> Toyota >> 2012 >> Matrix Base, Standard Trans >> Repair and Diagnosis >> Electrical >> Body Electrical >> OEM System Circuits >> EPS >> : Ground Points
April 5, 2026: LEMON Manuals is launched! Read the announcement.

: Ground Points

Code See Ground Points Location
A5 : LOCATION OF CONNECTOR JOINING WIRE HARNESS AND WIRE HARNESS Cowl Side Panel LH
B2 2AZ-FE Engine Block Left
B4 2ZR-FE Engine Block Center
E2 : LOCATION OF CONNECTOR JOINING WIRE HARNESS AND WIRE HARNESS Left Side of the Instrument Panel
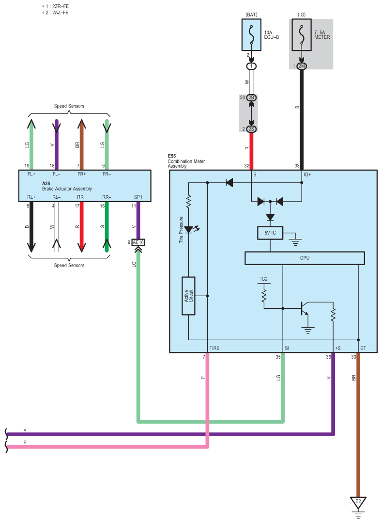
Fig 1: Tire Pressure Warning System Wiring Diagram (1 Of 2)
G08798971Courtesy of © TOYOTA, LICENSE AGREEMENT TMS1002
Fig 2: Tire Pressure Warning System Wiring Diagram (2 Of 2)
G08798972Courtesy of © TOYOTA, LICENSE AGREEMENT TMS1002


Code See Ground Points Location
B2 2AZ-FE Engine Block Left
B4 2ZR-FE Engine Block Center
E1 : LOCATION OF CONNECTOR JOINING WIRE HARNESS AND WIRE HARNESS Left Kick Panel
E2 : LOCATION OF CONNECTOR JOINING WIRE HARNESS AND WIRE HARNESS Left Side of the Instrument Panel