LEMON Manuals: Even more car manuals for everyone: 1960-2025
Home >> Toyota >> 2012 >> Matrix Base, Standard Trans >> Repair and Diagnosis >> External Pages >> Different car >> Section 190 (Air Conditioning System (Service Information)) >> COMPRESSOR (for 2AZ-FE) >> Installation >> Installation
April 5, 2026: LEMON Manuals is launched! Read the announcement.

COMPRESSOR (for 2AZ-FE): Installation: Installation

WARNING: This page is about a different car, the 2011 Toyota Matrix. However, it is still accessible from the selected car via links, so may be relevant.
  1. ADJUST COMPRESSOR OIL LEVEL 
    1. When replacing the cooler compressor assembly with a new one, gradually discharge the inert gas (helium) from the service valve, and drain the following amount of oil from the vents indicated by the arrows in the illustration before installation.
      Fig 1: Locating Drain Bolt
      GTY221824Courtesy of © TOYOTA, LICENSE AGREEMENT TMS1002

      HINT: 

      The drain bolt and washer can be reused.

      Standard

      (Oil capacity inside the new compressor: 90 + 15 cc (3.04 + 0.51 fl.oz.)) - (Remaining oil amount in the removed compressor) = (Oil amount to be removed from the new compressor when replacing)

      NOTE:
      • If a new compressor is installed without removing some oil remaining in the pipes of the vehicle, the oil amount will be excessive. This prevents heat exchange in the refrigerant cycle and causes refrigeration system failure.
      • If the volume of oil remaining in the removed compressor is too small, check for oil leaks.
      • Be sure to use ND-OIL 8 or equivalent for compressor oil.
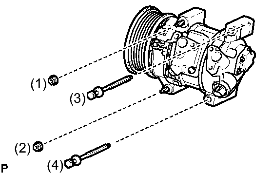
  2. INSTALL COMPRESSOR ASSEMBLY WITH PULLEY 
    1. Using a "TORX" socket wrench (E8), install the compressor assembly with pulley with the 2 stud bolts.
      Fig 2: Remove/Install Compressor Assembly Stud Bolts
      GTY247003Courtesy of © TOYOTA, LICENSE AGREEMENT TMS1002

      Torque: 9.8 N*m (100 kgf*cm, 87 in.*lbf) 

    2. Install the compressor assembly with pulley with the 2 bolts and the 2 nuts.
      Fig 3: View Of Compressor Assembly With Fasteners
      GTY247002Courtesy of © TOYOTA, LICENSE AGREEMENT TMS1002

      HINT: 

      Tighten the bolts and the nuts in the order shown in the illustration.

      Torque: 25 N*m (255 kgf*cm, 18 ft.*lbf) 

    3. Connect the connector.
  3. CONNECT DISCHARGE HOSE SUB-ASSEMBLY 
    1. Remove the attached vinyl tape from the hose.
    2. Apply sufficient compressor oil to a new O-ring and the fitting surface of the compressor assembly with pulley.

      Compressor oil

      ND-OIL 8 or equivalent

    3. Install the O-ring onto the discharge hose sub-assembly.
    4. Install the discharge hose sub-assembly onto the compressor assembly with pulley with the bolt.
      Fig 4: Remove/Install Discharge Hose Sub-Assembly
      GTY247000Courtesy of © TOYOTA, LICENSE AGREEMENT TMS1002

      Torque: 9.8 N*m (100 kgf*cm, 87 in.*lbf) 

  4. CONNECT SUCTION HOSE SUB-ASSEMBLY 
    1. Remove the attached vinyl tape from the hose.
    2. Apply sufficient compressor oil to a new O-ring and the fitting surface of the compressor assembly with pulley.

      Compressor oil

      ND-OIL 8 or equivalent

    3. Install the O-ring onto the suction hose sub-assembly.
    4. Install the suction hose sub-assembly onto the compressor assembly with pulley with the bolt.
      Fig 5: Remove/Install Suction Hose Sub-Assembly
      GTY246999Courtesy of © TOYOTA, LICENSE AGREEMENT TMS1002

      Torque: 9.8 N*m (100 kgf*cm, 87 in.*lbf) 

  5. INSTALL V-RIBBED BELT  . Refer to INSTALLATION - Step 1
  6. INSPECT V-RIBBED BELT  . Refer to ON-VEHICLE INSPECTION - Step 1
  7. INSTALL ENGINE UNDER COVER RH 
  8. CHARGE WITH REFRIGERANT  See step  2
  9. WARM UP ENGINE  See step  3
  10. INSPECT FOR REFRIGERANT LEAK  See step  4