LEMON Manuals: Even more car manuals for everyone: 1960-2025
Home >> Toyota >> 2012 >> Matrix Base, Standard Trans >> Repair and Diagnosis >> External Pages >> Different car >> Section 365 (OEM System Circuits) >> Cooling Fan (2ZR-FE) (Except TMC Made) >> Notes
April 5, 2026: LEMON Manuals is launched! Read the announcement.

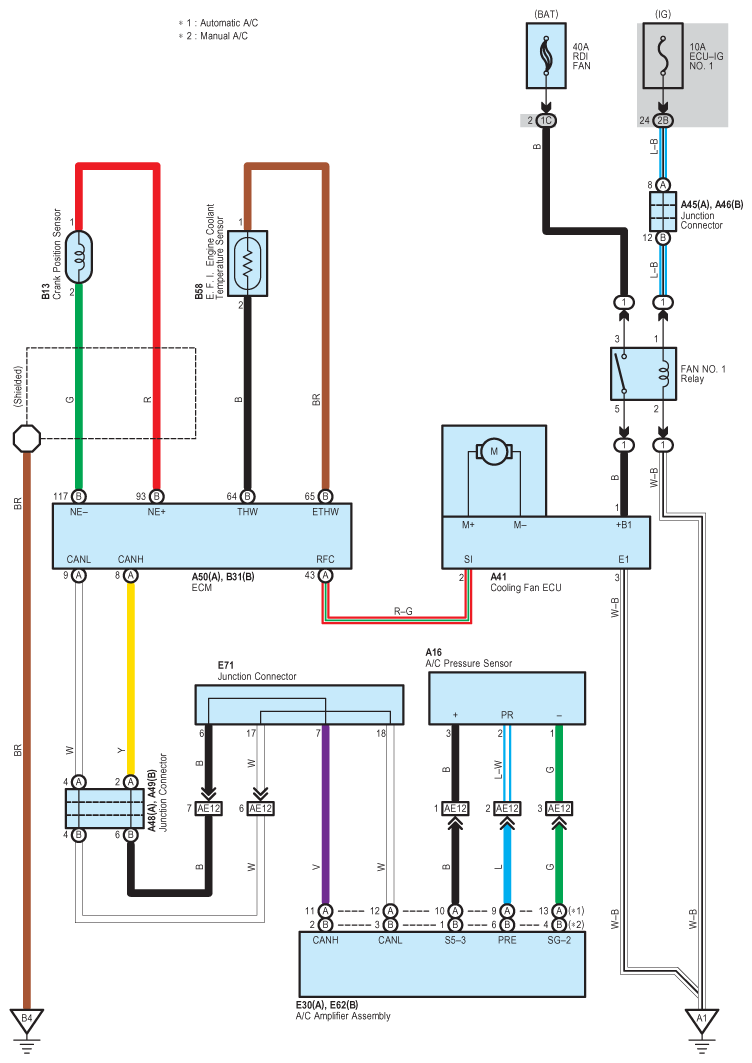
Cooling Fan (2ZR-FE) (Except TMC Made): Notes

WARNING: This page is about a different car, the 2012 Toyota Corolla. However, it is still accessible from the selected car via links, so may be relevant.
Fig 1: Cooling Fan (2ZR-FE) System Wiring Diagram (Except TMC Made)
G08843008Courtesy of © TOYOTA, LICENSE AGREEMENT TMS1002