LEMON Manuals: Even more car manuals for everyone: 1960-2025
Home >> Toyota >> 2012 >> Matrix Base, Standard Trans >> Repair and Diagnosis >> External Pages >> Different car >> Section 365 (OEM System Circuits) >> Electronically Controlled Transmission and A/T Indicator (2AZ-FE) (Except TMC Made) >> Notes
April 5, 2026: LEMON Manuals is launched! Read the announcement.

Electronically Controlled Transmission and A/T Indicator (2AZ-FE) (Except TMC Made): Notes

WARNING: This page is about a different car, the 2012 Toyota Corolla. However, it is still accessible from the selected car via links, so may be relevant.
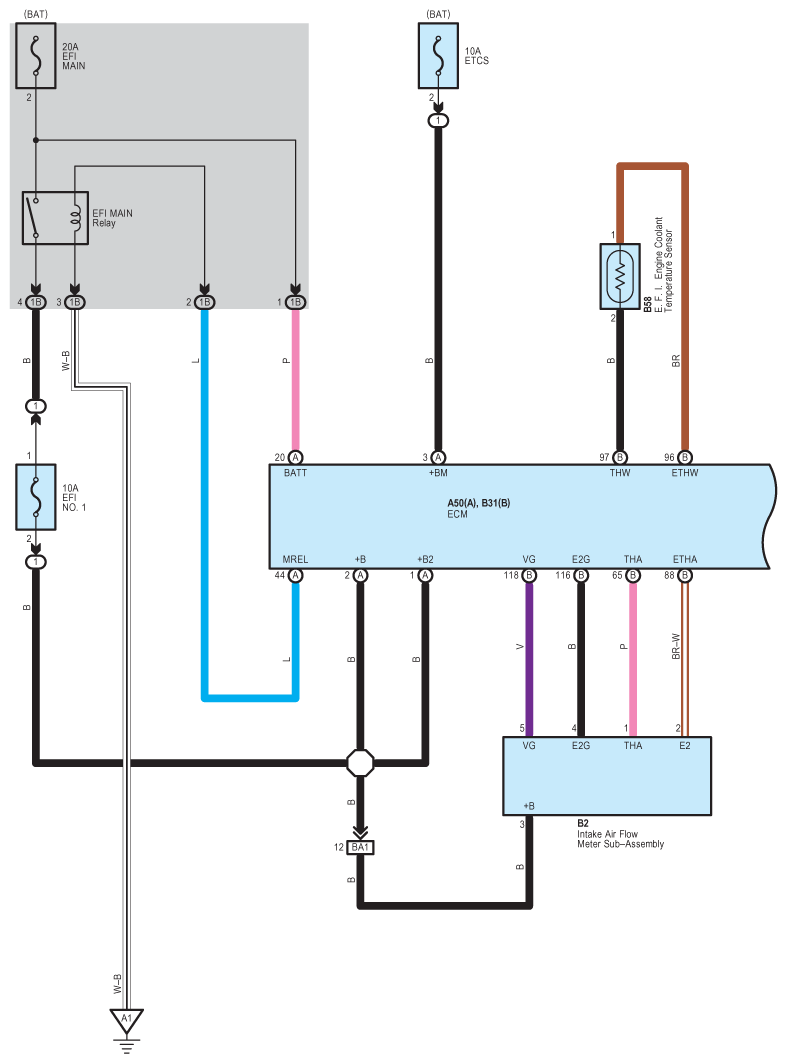
Fig 1: Electronically Controlled Transmission And A/T Indicator (2AZ-FE) System Wiring Diagram (Except TMC Made; 1 Of 6)
G08842915Courtesy of © TOYOTA, LICENSE AGREEMENT TMS1002
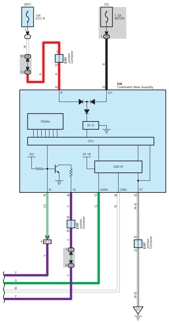
Fig 2: Electronically Controlled Transmission And A/T Indicator (2AZ-FE) System Wiring Diagram (Except TMC Made; 2 Of 6)
G08842916Courtesy of © TOYOTA, LICENSE AGREEMENT TMS1002
Fig 3: Electronically Controlled Transmission And A/T Indicator (2AZ-FE) System Wiring Diagram (Except TMC Made; 3 Of 6)
G08842917Courtesy of © TOYOTA, LICENSE AGREEMENT TMS1002
Fig 4: Electronically Controlled Transmission And A/T Indicator (2AZ-FE) System Wiring Diagram (Except TMC Made; 4 Of 6)
G08842918Courtesy of © TOYOTA, LICENSE AGREEMENT TMS1002
Fig 5: Electronically Controlled Transmission And A/T Indicator (2AZ-FE) System Wiring Diagram (Except TMC Made; 5 Of 6)
G08842919Courtesy of © TOYOTA, LICENSE AGREEMENT TMS1002
Fig 6: Electronically Controlled Transmission And A/T Indicator (2AZ-FE) System Wiring Diagram (Except TMC Made; 6 Of 6)
G08842920Courtesy of © TOYOTA, LICENSE AGREEMENT TMS1002