LEMON Manuals
: Even more car manuals for everyone: 1960-2025
Home
>>
Toyota
>>
2012
>>
Matrix Base, Standard Trans
>>
Repair and Diagnosis
>>
External Pages
>>
Different car
>>
Section 365 (OEM System Circuits)
>>
Power Window (Except TMC Made)
>>
Notes
April 5, 2026:
LEMON Manuals is launched!
Read the announcement.
Power Window (Except TMC Made): Notes
WARNING:
This page is about a different car, the 2012 Toyota Corolla. However, it is still accessible from the selected car via links, so may be relevant.
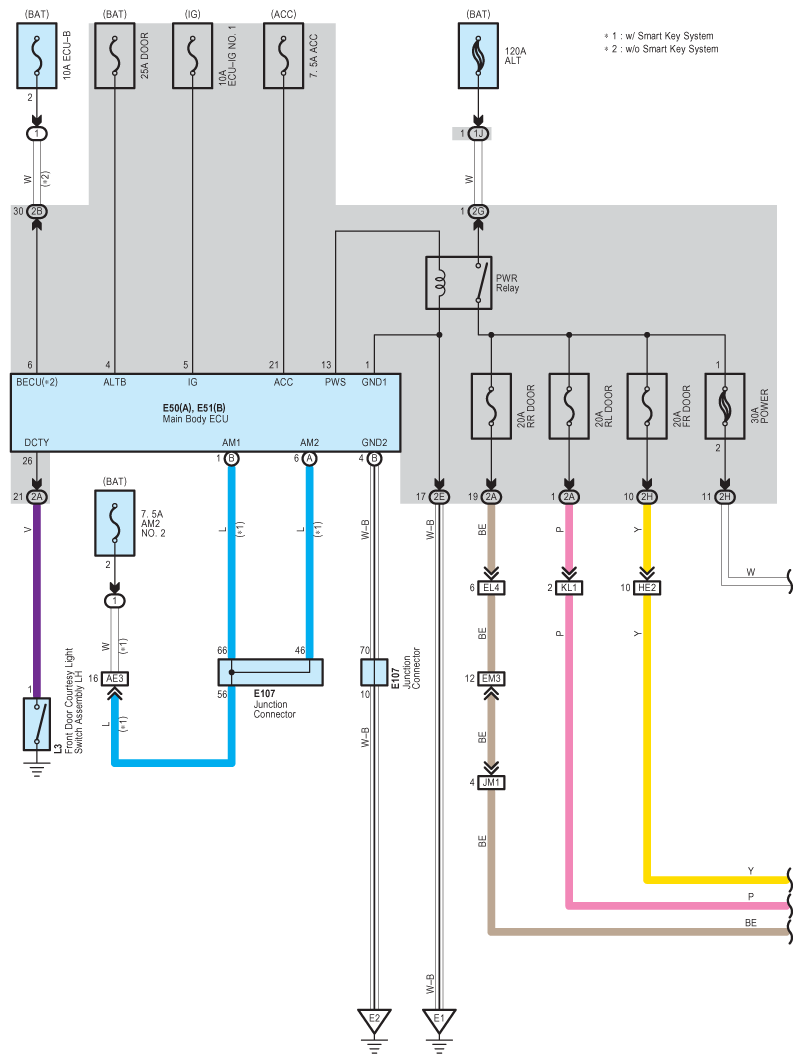
Fig 1: Power Window System Wiring Diagram (Except TMC Made; 1 Of 3)
Courtesy of © TOYOTA, LICENSE AGREEMENT TMS1002
Fig 2: Power Window System Wiring Diagram (Except TMC Made; 2 Of 3)
Courtesy of © TOYOTA, LICENSE AGREEMENT TMS1002
Fig 3: Power Window System Wiring Diagram (Except TMC Made; 3 Of 3)
Courtesy of © TOYOTA, LICENSE AGREEMENT TMS1002