LEMON Manuals: Even more car manuals for everyone: 1960-2025
Home >> Toyota >> 2012 >> Matrix S, FWD, Automatic Trans >> Repair and Diagnosis (Single Page) >> Engine Performance >> System >> Engine Control System (2AZ-FE) (Diagnostic Codes (P0500 - P2610) & Circuit Tests) >> SFI System >> Circuit Tests >> Fuel Pump Control Circuit >> Description
April 5, 2026: LEMON Manuals is launched! Read the announcement.

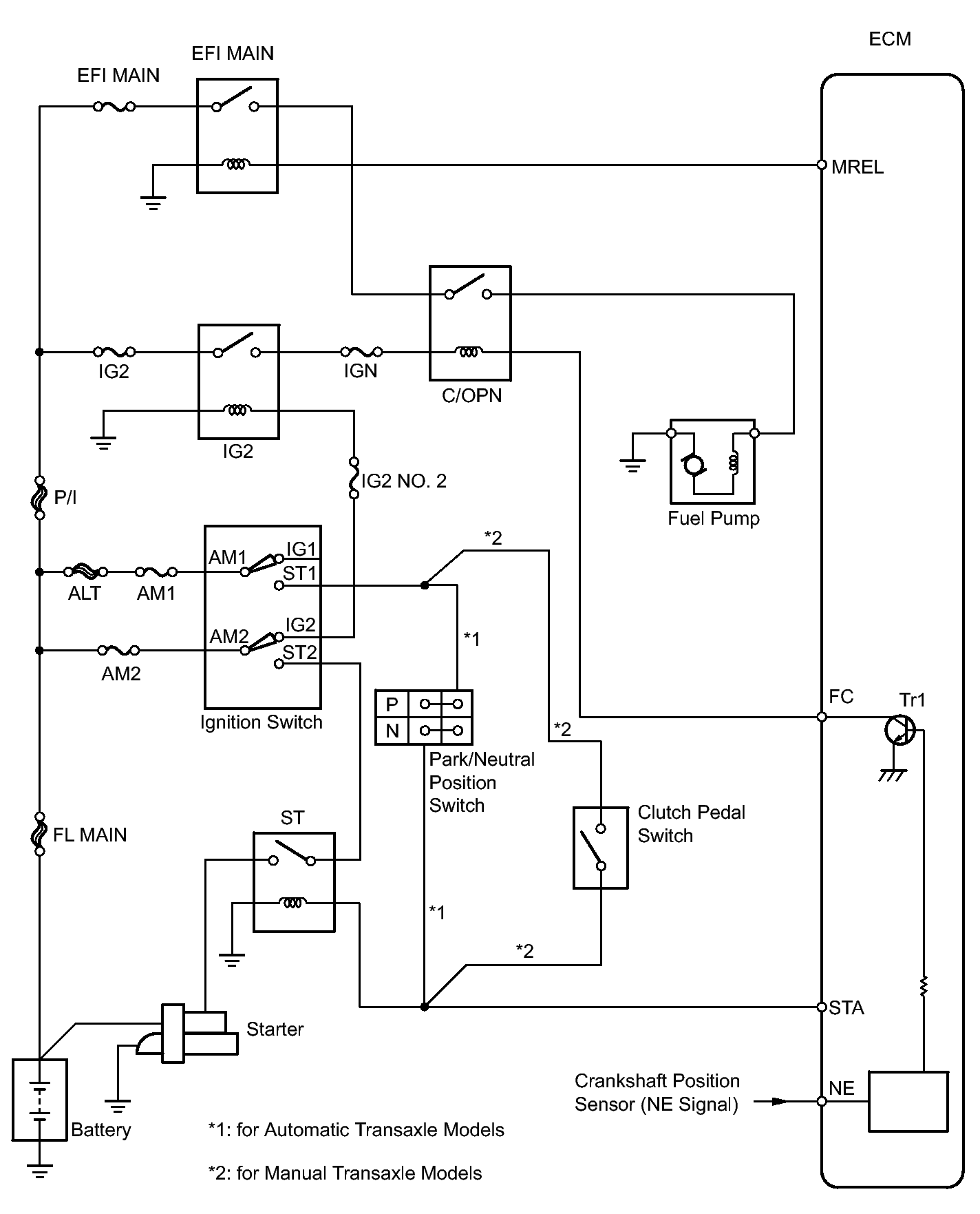
Fuel Pump Control Circuit: Description

When the engine is cranked, the ST relay drive signal from the ignition switch is input into the STA terminal of the ECM, and the NE signal generated by the crankshaft position sensor is also input into the NE+ terminal. Thus, the ECM interprets that the engine is being cranked, and turns transistor Tr1 in the ECM internal circuit on. The current flows to the C/OPN (Circuit Opening) relay by turning Tr1 on. Then, the fuel pump operates.

While the NE signal is input into the ECM, and the engine is running, the ECM turns Tr1 on continuously.

Fig 1: Identifying Fuel Pump Control Circuit Diagram
GTY319072Courtesy of © TOYOTA, LICENSE AGREEMENT TMS1002