LEMON Manuals: Even more car manuals for everyone: 1960-2025
Home >> Toyota >> 2012 >> Matrix S, FWD, Automatic Trans >> Repair and Diagnosis >> External Pages >> Different car >> Section 365 (OEM System Circuits) >> SRS (Except TMC Made) >> Notes
April 5, 2026: LEMON Manuals is launched! Read the announcement.

SRS (Except TMC Made): Notes

WARNING: This page is about a different car, the 2012 Toyota Corolla. However, it is still accessible from the selected car via links, so may be relevant.
NOTE: When inspecting or repairing the SRS, perform service in accordance with the following precautionary instructions and the procedure, and precautions in the Repair Manual applicable for the model year.
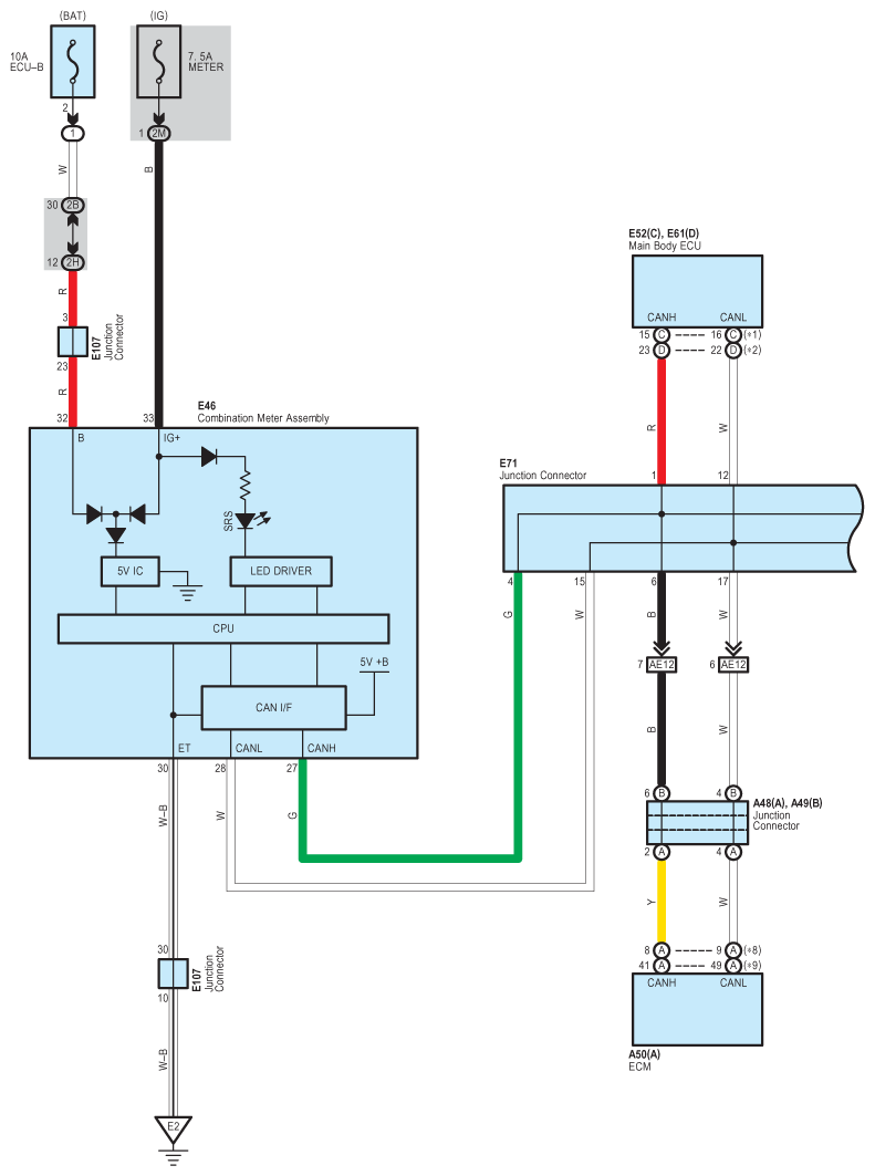
Fig 2: SRS System Wiring Diagram (Except TMC Made; 1 Of 5)
G08842938Courtesy of © TOYOTA, LICENSE AGREEMENT TMS1002
Fig 3: SRS System Wiring Diagram (Except TMC Made; 2 Of 5)
G08842939Courtesy of © TOYOTA, LICENSE AGREEMENT TMS1002
Fig 4: SRS System Wiring Diagram (Except TMC Made; 3 Of 5)
G08842940Courtesy of © TOYOTA, LICENSE AGREEMENT TMS1002
Fig 5: SRS System Wiring Diagram (Except TMC Made; 4 Of 5)
G08842941Courtesy of © TOYOTA, LICENSE AGREEMENT TMS1002
Fig 6: SRS System Wiring Diagram (Except TMC Made; 5 Of 5)
G08842942Courtesy of © TOYOTA, LICENSE AGREEMENT TMS1002