LEMON Manuals: Even more car manuals for everyone: 1960-2025
Home >> Toyota >> 2012 >> Matrix S, FWD, Standard Trans >> Repair and Diagnosis >> External Pages >> Different car >> Section 365 (OEM System Circuits) >> Combination Meter (TMC Made) >> Notes
April 5, 2026: LEMON Manuals is launched! Read the announcement.

Combination Meter (TMC Made): Notes

WARNING: This page is about a different car, the 2012 Toyota Corolla. However, it is still accessible from the selected car via links, so may be relevant.
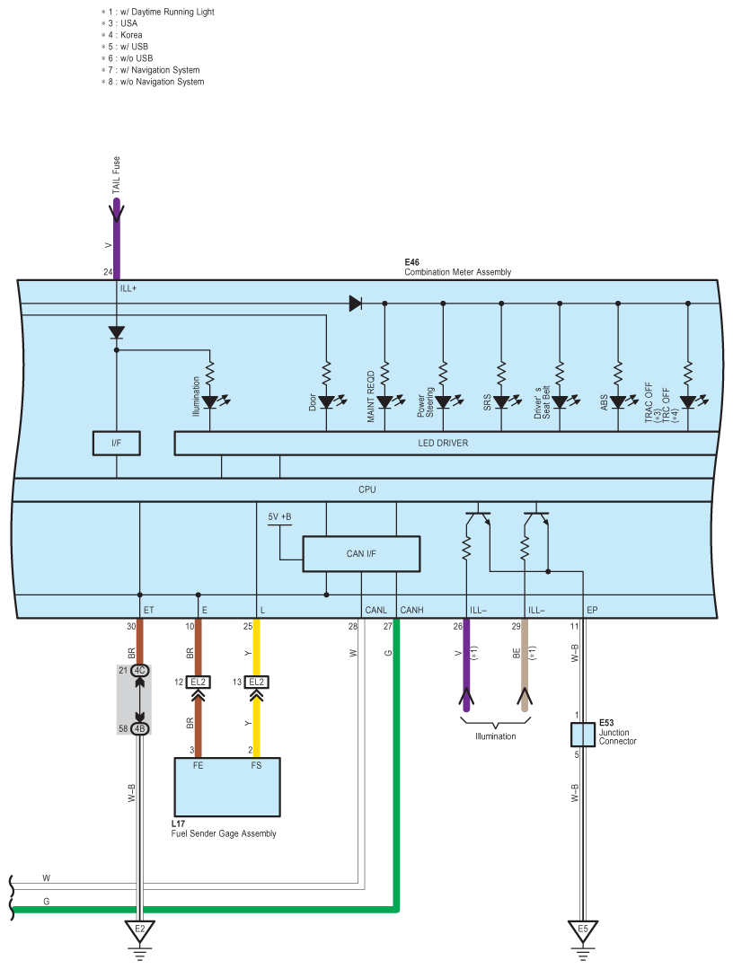
Fig 1: Combination Meter System Wiring Diagram (TMC Made; (1 Of 6)
G08842821Courtesy of © TOYOTA, LICENSE AGREEMENT TMS1002
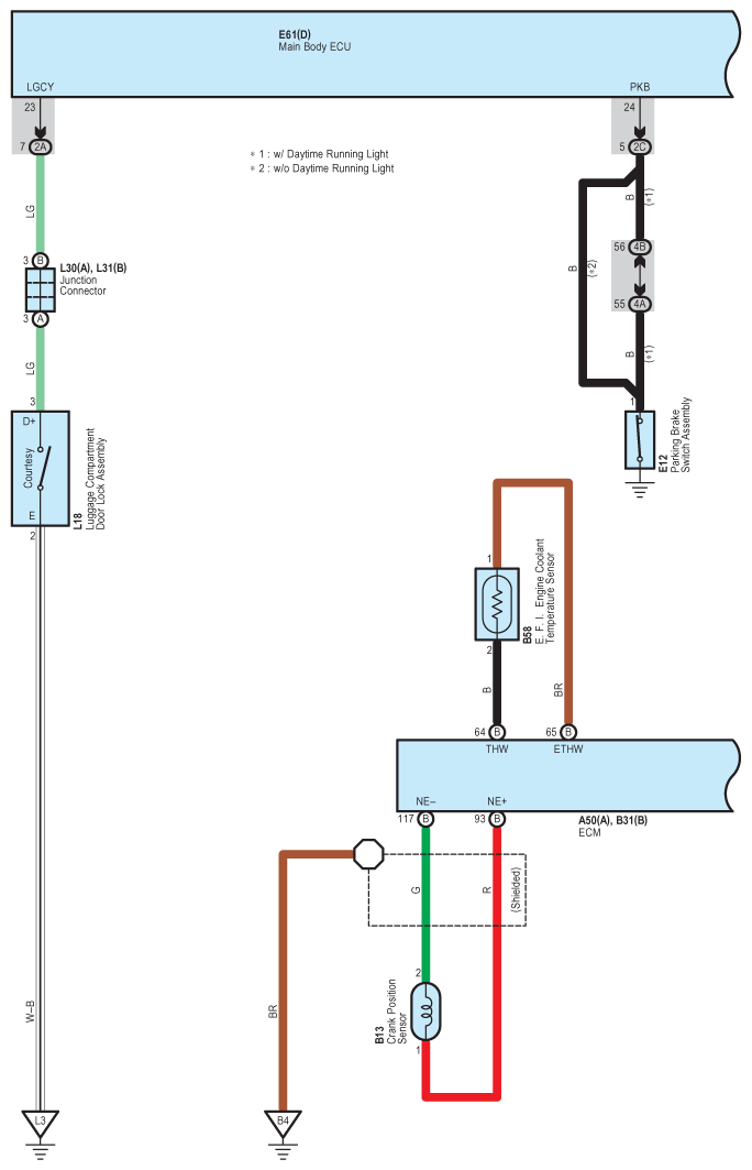
Fig 2: Combination Meter System Wiring Diagram (TMC Made; (2 Of 6)
G08842822Courtesy of © TOYOTA, LICENSE AGREEMENT TMS1002
Fig 3: Combination Meter System Wiring Diagram (TMC Made; (3 Of 6)
G08842823Courtesy of © TOYOTA, LICENSE AGREEMENT TMS1002
Fig 4: Combination Meter System Wiring Diagram (TMC Made; (4 Of 6)
G08842824Courtesy of © TOYOTA, LICENSE AGREEMENT TMS1002
Fig 5: Combination Meter System Wiring Diagram (TMC Made; (5 Of 6)
G08842825Courtesy of © TOYOTA, LICENSE AGREEMENT TMS1002
Fig 6: Combination Meter System Wiring Diagram (TMC Made; (6 Of 6)
G08842826Courtesy of © TOYOTA, LICENSE AGREEMENT TMS1002