LEMON Manuals: Even more car manuals for everyone: 1960-2025
Home >> Toyota >> 2012 >> Matrix S, FWD, Standard Trans >> Repair and Diagnosis >> External Pages >> Different car >> Section 365 (OEM System Circuits) >> Door Lock Control (TMC Made) >> Notes
April 5, 2026: LEMON Manuals is launched! Read the announcement.

Door Lock Control (TMC Made): Notes

WARNING: This page is about a different car, the 2012 Toyota Corolla. However, it is still accessible from the selected car via links, so may be relevant.
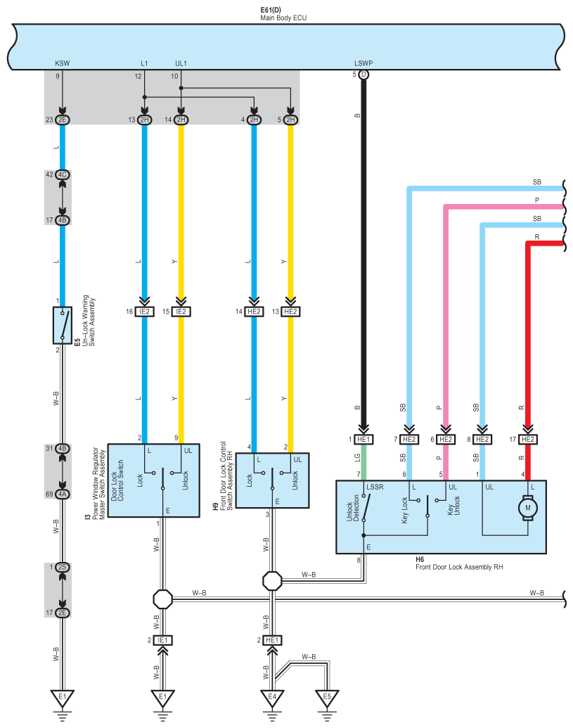
Fig 1: Door Lock Control System Wiring Diagram (TMC Made; 1 Of 4)
G08842795Courtesy of © TOYOTA, LICENSE AGREEMENT TMS1002
Fig 2: Door Lock Control System Wiring Diagram (TMC Made; 2 Of 4)
G08842796Courtesy of © TOYOTA, LICENSE AGREEMENT TMS1002
Fig 3: Door Lock Control System Wiring Diagram (TMC Made; 3 Of 4)
G08842797Courtesy of © TOYOTA, LICENSE AGREEMENT TMS1002
Fig 4: Door Lock Control System Wiring Diagram (TMC Made; 4 Of 4)
G08842798Courtesy of © TOYOTA, LICENSE AGREEMENT TMS1002