LEMON Manuals: Even more car manuals for everyone: 1960-2025
Home >> Toyota >> 2012 >> Prius Four >> Repair and Diagnosis (Single Page) >> Restraints >> Restraints Control Systems >> Supplemental Restraint System (Except Plug-In) (Diagnostic Codes & Symptom Tests) >> Airbag System >> DTC B1810/53: Short in Driver Side Squib 2nd Step Circuit; DTC B1811/53: Open in Driver Side Squib 2nd Step Circuit; DTC B1812/53: Short to GND in Driver Side Squib 2nd Step Circuit; DTC B1813/53: Short to B+ in Driver Side Squib 2nd Step Circuit >> Wiring Diagram
April 5, 2026: LEMON Manuals is launched! Read the announcement.

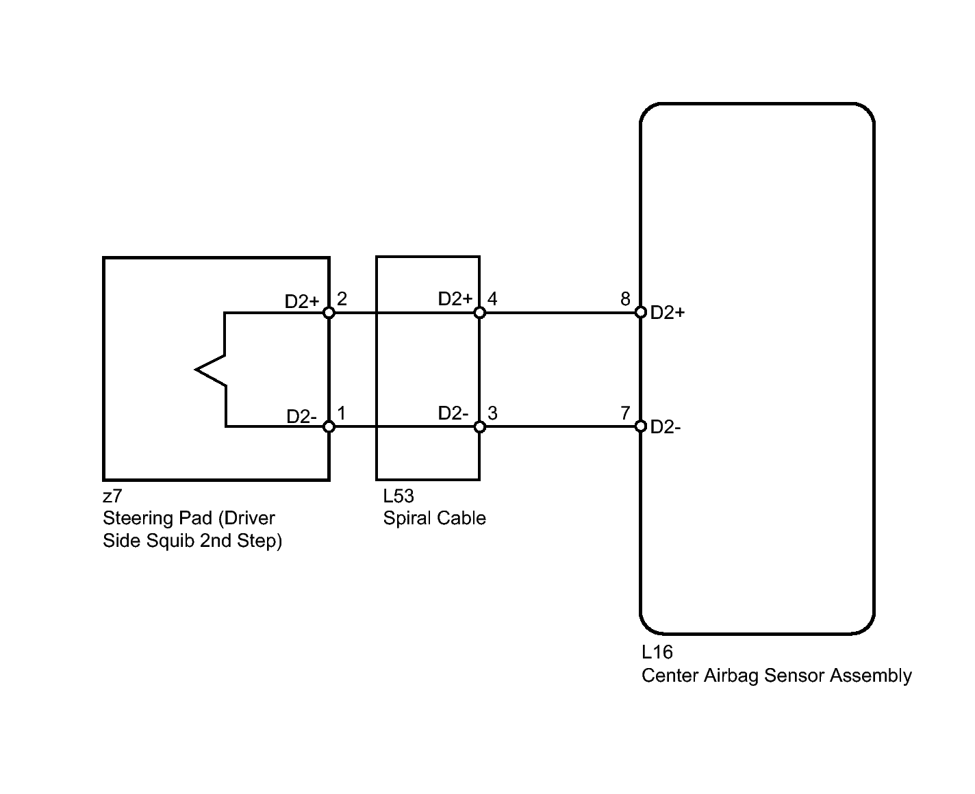
DTC B1810/53: Short in Driver Side Squib 2nd Step Circuit; DTC B1811/53: Open in Driver Side Squib 2nd Step Circuit; DTC B1812/53: Short to GND in Driver Side Squib 2nd Step Circuit; DTC B1813/53: Short to B+ in Driver Side Squib 2nd Step Circuit: Wiring Diagram

Fig 1: Driver Side Squib 2nd Step Circuit Wiring Diagram
GTY226614Courtesy of © TOYOTA, LICENSE AGREEMENT TMS1002