LEMON Manuals: Even more car manuals for everyone: 1960-2025
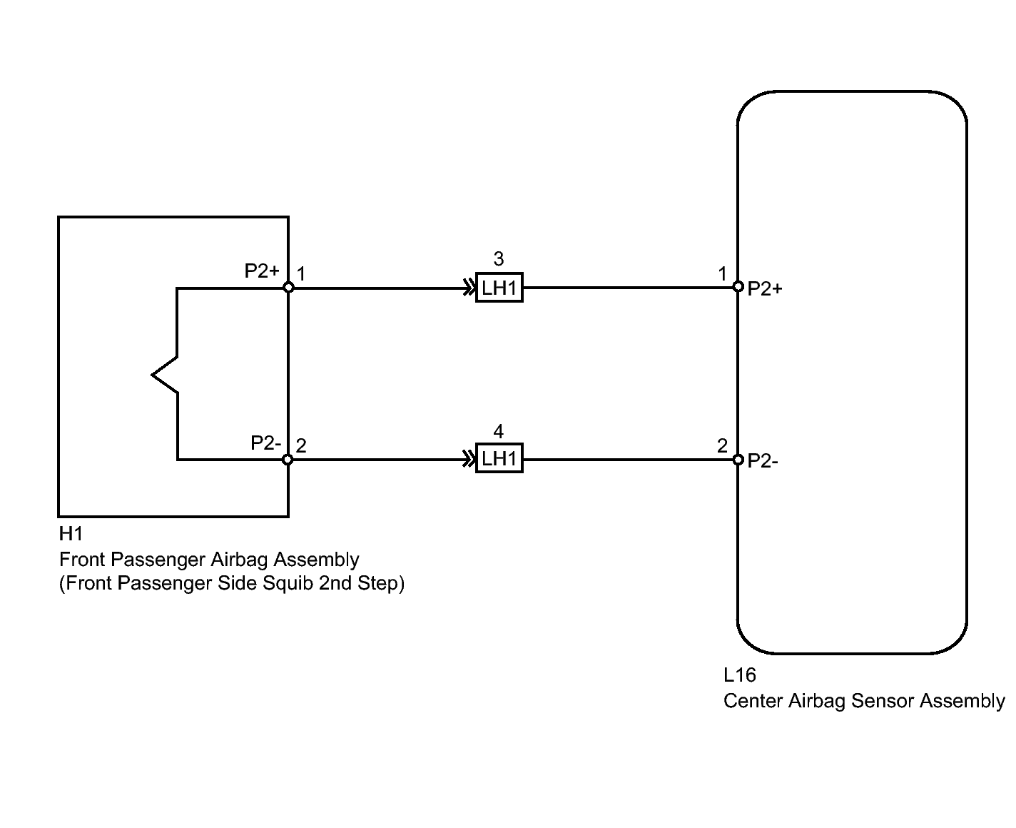
Home >> Toyota >> 2012 >> Prius Four >> Repair and Diagnosis (Single Page) >> Restraints >> Restraints Control Systems >> Supplemental Restraint System (Except Plug-In) (Diagnostic Codes & Symptom Tests) >> Airbag System >> DTC B1815/54: Short in Front Passenger Side Squib 2nd Step Circuit; DTC B1816/54: Open in Front Passenger Side Squib 2nd Step Circuit; DTC B1817/54: Short to GND in Front Passenger Side Squib 2nd Step Circuit; DTC B1818/54: Short to B+ in Front Passenger Side Squib 2nd Step Circuit >> Wiring Diagram
April 5, 2026: LEMON Manuals is launched! Read the announcement.

DTC B1815/54: Short in Front Passenger Side Squib 2nd Step Circuit; DTC B1816/54: Open in Front Passenger Side Squib 2nd Step Circuit; DTC B1817/54: Short to GND in Front Passenger Side Squib 2nd Step Circuit; DTC B1818/54: Short to B+ in Front Passenger Side Squib 2nd Step Circuit: Wiring Diagram

Fig 1: Front Passenger Side Squib 2nd Step Circuit Wiring Diagram
GTY217961Courtesy of © TOYOTA, LICENSE AGREEMENT TMS1002