LEMON Manuals: Even more car manuals for everyone: 1960-2025
Home >> Toyota >> 2012 >> Prius Four >> Repair and Diagnosis (Single Page) >> Restraints >> Restraints Control Systems >> Supplemental Restraint System (Except Plug-In) (Diagnostic Codes & Symptom Tests) >> Airbag System >> DTC B1820/55: Short in Side Squib RH Circuit; DTC B1821/55: Open in Side Squib RH Circuit; DTC B1822/55: Short to GND in Side Squib RH Circuit; DTC B1823/55: Short to B+ in Side Squib RH Circuit >> Procedure
April 5, 2026: LEMON Manuals is launched! Read the announcement.

DTC B1820/55: Short in Side Squib RH Circuit; DTC B1821/55: Open in Side Squib RH Circuit; DTC B1822/55: Short to GND in Side Squib RH Circuit; DTC B1823/55: Short to B+ in Side Squib RH Circuit: Procedure

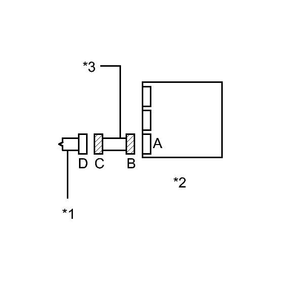
  1. CHECK CONNECTORS 
    1. Turn the power switch off.
      Fig 1: Checking Connectors
      GTY212721Courtesy of © TOYOTA, LICENSE AGREEMENT TMS1002
    2. Disconnect the cable from the negative (-) battery terminal.
      WARNING:

      Wait at least 90 seconds after disconnecting the cable from the negative (-) battery terminal to disable the SRS system.

    3. Check that the connectors are properly connected to the front seat side airbag assembly RH and center airbag sensor assembly.

      OK

      The connectors are properly connected.

      HINT: 

      If the connectors are not connected securely, reconnect the connectors and proceed to the next inspection.

    4. Disconnect the connectors from the front seat side airbag assembly RH and center airbag sensor assembly.
    5. Check that the terminals of the connectors are not damaged.

      OK

      The terminals are not deformed or damaged.

    6. Check that the short spring for the No. 2 floor wire with the activation prevention mechanism is not deformed or damaged.

      OK

      The short spring is not deformed or damaged.

      TEXT IN ILLUSTRATION

      *1 Side Squib RH
      *2 Center Airbag Sensor Assembly
      *3 No. 2 Floor Wire

    NG → REPLACE NO. 2 FLOOR WIRE 

    OK: Go to next step 

  2. CHECK FRONT SEAT SIDE AIRBAG ASSEMBLY RH (SIDE SQUIB RH) 
    1. Connect the connector to the center airbag sensor assembly.
      Fig 2: Identifying S4 Connector Terminals
      GTY226426Courtesy of © TOYOTA, LICENSE AGREEMENT TMS1002
    2. Connect SST (resistance 2.1 Ω) to connector C.
      WARNING:

      Never connect the tester to the front seat side airbag assembly RH (side squib RH) for measurement, as this may lead to a serious injury due to airbag deployment.

      NOTE:
      • Do not forcibly insert SST into the terminals of the connector when connecting.
      • Insert SST straight into the terminals of the connector.
      • SST: 09843-18061 
    3. Connect the cable to the negative (-) battery terminal.
    4. Turn the power switch on (IG), and wait for at least 60 seconds.
    5. Clear the DTCs stored in the memory. Refer to DTC CHECK / CLEAR .
    6. Turn the power switch off.
    7. Turn the power switch on (IG), and wait for at least 60 seconds.
    8. Check for DTCs. Refer to DTC CHECK / CLEAR .

      OK

      DTC B1820, B1821, B1822, B1823 or 55 is not output.

      HINT: 

      Codes other than DTCs B1820, B1821, B1822, B1823 and 55 may be output at this time, but they are not related to this check.

      TEXT IN ILLUSTRATION

      *1 Side Squib RH
      *2 Center Airbag Sensor Assembly
      *3 Front view of wire harness connector
      (to Front Seat Side Airbag Assembly RH)
      *4 Connector C

    NG → See step   4 

    OK → See step   3 

  3. REPLACE SEPARATE TYPE FRONT SEATBACK ASSEMBLY (FRONT SEAT SIDE AIRBAG ASSEMBLY RH). Refer to  DISASSEMBLY 
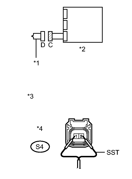
  4. CHECK NO. 2 FLOOR WIRE (SIDE SQUIB RH CIRCUIT) 
    1. Turn the power switch off.
      Fig 3: Identifying S4 Connector Terminals
      GTY211776Courtesy of © TOYOTA, LICENSE AGREEMENT TMS1002
    2. Disconnect the cable from the negative (-) battery terminal.
      WARNING:

      Wait at least 90 seconds after disconnecting the cable from the negative (-) battery terminal to disable the SRS system.

    3. Disconnect SST from connector C.
    4. Disconnect the No. 2 floor wire from the center airbag sensor assembly.
    5. Check for a short to B+ in the circuit.
      1. Connect the cable to the negative (-) battery terminal.
      2. Turn the power switch on (IG).
      3. Measure the voltage according to the value(s) in the table below.

        Standard Voltage

        Tester Connection Switch Condition Specified Condition
        S4-1 (SFR+) - Body ground Power switch on (IG) Below 1 V
        S4-2 (SFR-) - Body ground Power switch on (IG) Below 1 V
    6. Check for an open in the circuit.
      1. Turn the power switch off.
      2. Disconnect the cable from the negative (-) battery terminal.
        WARNING:

        Wait at least 90 seconds after disconnecting the cable from the negative (-) battery terminal to disable the SRS system.

      3. Measure the resistance according to the value(s) in the table below.

        Standard Resistance

        Tester Connection Condition Specified Condition
        S4-1 (SFR+) - S4-2 (SFR-) Always Below 1 Ω
    7. Check for a short to ground in the circuit.
      1. Measure the resistance according to the value(s) in the table below.

        Standard Resistance

        Tester Connection Condition Specified Condition
        S4-1 (SFR+) - Body ground Always 1 MΩ or higher
        S4-2 (SFR-) - Body ground Always 1 MΩ or higher
    8. Check for a short in the circuit.
      1. Release the activation prevention mechanism built into connector B. Refer to DIAGNOSIS SYSTEM .
      2. Measure the resistance according to the value(s) in the table below.

        Standard Resistance

        Tester Connection Condition Specified Condition
        S4-1 (SFR+) - S4-2 (SFR-) Always 1 MΩ or higher
        TEXT IN ILLUSTRATION

        *1 Side Squib RH
        *2 Center Airbag Sensor Assembly
        *3 No. 2 Floor Wire
        *4 Front view of wire harness connector
        (to Front Seat Side Airbag Assembly RH)
        *5 Connector C

    NG → REPLACE NO. 2 FLOOR WIRE 

    OK: Go to next step 

  5. CHECK CENTER AIRBAG SENSOR ASSEMBLY 
    1. Restore the released activation prevention mechanism of connector B to the original condition.
      Fig 4: Checking Center Airbag Sensor Assembly
      GTY244468Courtesy of © TOYOTA, LICENSE AGREEMENT TMS1002
    2. Connect the connectors to the front seat side airbag assembly RH and center airbag sensor assembly.
    3. Connect the cable to the negative (-) battery terminal.
    4. Turn the power switch on (IG), and wait for at least 60 seconds.
    5. Clear the DTCs stored in the memory. Refer to DTC CHECK / CLEAR .
    6. Turn the power switch off.
    7. Turn the power switch on (IG), and wait for at least 60 seconds.
    8. Check for DTCs. Refer to DTC CHECK / CLEAR .

      OK

      DTC B1820, B1821, B1822, B1823 or 55 is not output.

      TEXT IN ILLUSTRATION

      *1 Side Squib RH
      *2 Center Airbag Sensor Assembly

      HINT: 

      Codes other than DTCs B1820, B1821, B1822, B1823 and 55 may be output at this time, but they are not related to this check.

    NG → See step   6 

    OK → See step   7 

  6. REPLACE CENTER AIRBAG SENSOR ASSEMBLY. Refer to  REMOVAL 
  7. USE SIMULATION METHOD TO CHECK. Refer to  HOW TO PROCEED WITH TROUBLESHOOTING