LEMON Manuals: Even more car manuals for everyone: 1960-2025
Home >> Toyota >> 2012 >> Prius Plug-in >> Repair and Diagnosis (Single Page) >> Engine Performance >> System >> Engine Control System (Plug-In) (Diagnostic Codes (P0505-U0293) & Circuit Tests) >> SFI System >> Circuit Tests >> EVAP System >> Wiring Diagram
April 5, 2026: LEMON Manuals is launched! Read the announcement.

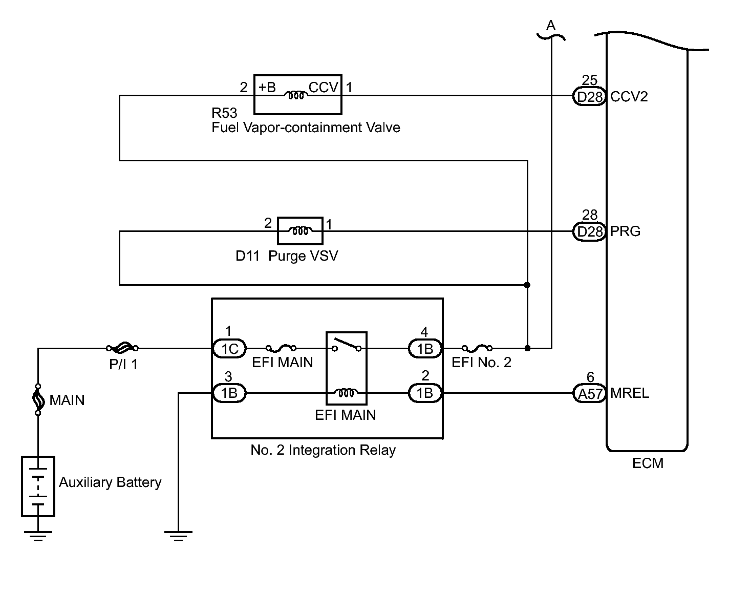
EVAP System: Wiring Diagram

Fig 1: Identifying EVAP System Circuit Diagram (1 Of 2)
GTY343579Courtesy of © TOYOTA, LICENSE AGREEMENT TMS1002
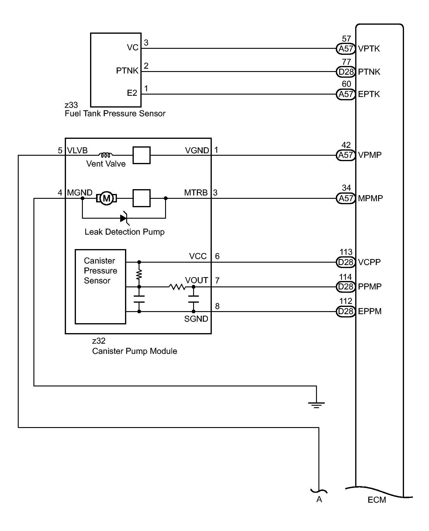
Fig 2: Identifying Evap System Circuit Diagram (2 Of 2)
GTY338695Courtesy of © TOYOTA, LICENSE AGREEMENT TMS1002