LEMON Manuals: Even more car manuals for everyone: 1960-2025
Home >> Toyota >> 2012 >> Prius Plug-in >> Repair and Diagnosis (Single Page) >> Restraints >> Restraints Control Systems >> Supplemental Restraint System (Plug-In) (Diagnostic Codes & Symptom Tests) >> Airbag System >> DTC B1810/53: Short in Driver Side Squib 2nd Step Circuit; DTC B1811/53: Open in Driver Side Squib 2nd Step Circuit; DTC B1812/53: Short to GND in Driver Side Squib 2nd Step Circuit; DTC B1813/53: Short to B+ in Driver Side Squib 2nd Step Circuit >> Procedure
April 5, 2026: LEMON Manuals is launched! Read the announcement.

DTC B1810/53: Short in Driver Side Squib 2nd Step Circuit; DTC B1811/53: Open in Driver Side Squib 2nd Step Circuit; DTC B1812/53: Short to GND in Driver Side Squib 2nd Step Circuit; DTC B1813/53: Short to B+ in Driver Side Squib 2nd Step Circuit: Procedure

  1. CHECK CONNECTORS 
    1. Turn the power switch off.
      Fig 1: Checking Connectors
      GTY323372Courtesy of © TOYOTA, LICENSE AGREEMENT TMS1002
    2. Disconnect the cable from the negative (-) auxiliary battery terminal.
      WARNING:

      Wait at least 90 seconds after disconnecting the cable from the negative (-) auxiliary battery terminal to disable the SRS system.

    3. Check that the connectors are properly connected to the horn button assembly, spiral cable with sensor sub-assembly and airbag ECU assembly.

      OK

      The connectors are properly connected.

      HINT: 

      If the connectors are not connected securely, reconnect the connectors and proceed to the next inspection.

    4. Disconnect the connectors from the horn button assembly, spiral cable with sensor sub-assembly and airbag ECU assembly.
    5. Check that the terminals of the connectors are not damaged.

      OK

      The terminals are not deformed or damaged.

    6. Check that the spiral cable with sensor sub-assembly connector (on the horn button assembly side) is not damaged.

      OK

      The lock button is not disengaged, or the claw of the lock is not deformed or damaged.

    7. Check that the short springs for the instrument panel wire and spiral cable with sensor sub-assembly with the activation prevention mechanism are not deformed or damaged.

      OK

      The short springs are not deformed or damaged.

      TEXT IN ILLUSTRATION

      *1 Horn Button Assembly
      *2 Spiral Cable with Sensor Sub-assembly
      *3 Airbag ECU Assembly
      *4 Instrument Panel Wire

    NG → REPLACE WIRE HARNESS 

    OK: Go to next step 

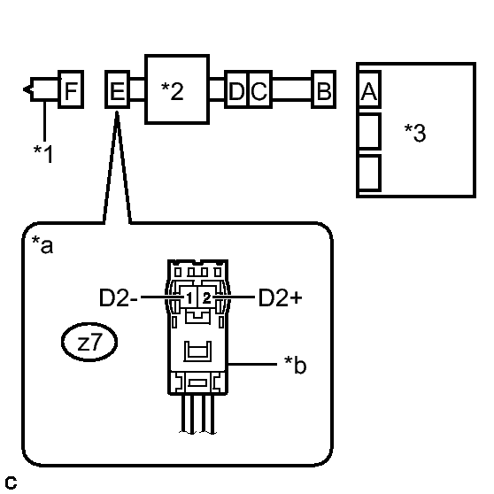
  2. CHECK HORN BUTTON ASSEMBLY (DRIVER SIDE SQUIB 2ND STEP) 
    1. Connect the instrument panel wire to the airbag ECU assembly and spiral cable with sensor sub-assembly.
      Fig 2: Checking Horn Button Assembly (Driver Side Squib 2nd Step)
      GTY325508Courtesy of © TOYOTA, LICENSE AGREEMENT TMS1002
    2. Connect SST (resistance 2.1 Ω) to connector E (black connector).
      WARNING:

      Never connect the tester to the horn button assembly (driver side squib 2nd step) for measurement, as this may lead to a serious injury due to airbag deployment.

      NOTE:
      • Do not forcibly insert SST into the terminals of the connector when connecting it.
      • Insert SST straight into the terminals of the connector.
      • SST: 09843-18061 
    3. Connect the cable to the negative (-) auxiliary battery terminal.
    4. Clear the DTCs stored in memory. Refer to DTC CHECK / CLEAR .
    5. Turn the power switch off.
    6. Turn the power switch on (IG), and wait for at least 60 seconds.
    7. Check for DTCs. Refer to DTC CHECK / CLEAR .

      OK

      DTC B1810/53, B1811/53, B1812/53 or B1813/53 is not output.

      HINT: 

      Codes other than DTCs B1810/53, B1811/53, B1812/53 and B1813/53 may be output at this time, but they are not related to this check.

    8. Turn the power switch off.
    9. Disconnect the cable from the negative (-) auxiliary battery terminal.
      WARNING:

      Wait at least 90 seconds after disconnecting the cable from the negative (-) auxiliary battery terminal to disable the SRS system.

    10. Disconnect SST from connector E.
      TEXT IN ILLUSTRATION

      *1 Horn Button Assembly
      *2 Spiral Cable with Sensor Sub-assembly
      *3 Airbag ECU Assembly
      *a Front view of wire harness connector
      (to Horn Button Assembly)
      *b Color: Black

    NG → See step   4 

    OK → See step   3 

  3. REPLACE HORN BUTTON ASSEMBLY. Refer to  REMOVAL 
  4. CHECK DRIVER SIDE SQUIB 2ND STEP CIRCUIT 
    1. Disconnect the instrument panel wire from the airbag ECU assembly.
      Fig 3: Checking Driver Side Squib 2nd Step Circuit
      GTY343107Courtesy of © TOYOTA, LICENSE AGREEMENT TMS1002
    2. Check for a short to B+ in the circuit.
      1. Connect the cable to the negative (-) auxiliary battery terminal.
      2. Turn the power switch on (IG).
      3. Measure the voltage according to the value(s) in the table below.

        Standard Voltage

        Tester Connection Condition Specified Condition
        z7-2 (D2+) - Body ground Power switch on (IG) Below 1 V
        z7-1 (D2-) - Body ground Power switch on (IG) Below 1 V
      4. Turn the power switch off.
      5. Disconnect the cable from the negative (-) auxiliary battery terminal.
        WARNING:

        Wait at least 90 seconds after disconnecting the cable from the negative (-) auxiliary battery terminal to disable the SRS system.

    3. Check for an open in the circuit.
      1. Measure the resistance according to the value(s) in the table below.

        Standard Resistance

        Tester Connection Condition Specified Condition
        z7-2 (D2+) - z7-1 (D2-) Always Below 1 Ω
    4. Check for a short to ground in the circuit.
      1. Measure the resistance according to the value(s) in the table below.

        Standard Resistance

        Tester Connection Condition Specified Condition
        z7-2 (D2+) - Body ground Always 1 MΩ or higher
        z7-1 (D2-) - Body ground Always 1 MΩ or higher
    5. Check for a short in the circuit.
      1. Release the activation prevention mechanism built into connector B. Refer to DIAGNOSIS SYSTEM .
      2. Measure the resistance according to the value(s) in the table below.

        Standard Resistance

        Tester Connection Condition Specified Condition
        z7-2 (D2+) - z7-1 (D2-) Always 1 MΩ or higher
      3. Restore the released activation prevention mechanism of connector B to the original condition.
        TEXT IN ILLUSTRATION

        *1 Horn Button Assembly
        *2 Spiral Cable with Sensor Sub-assembly
        *3 Airbag ECU Assembly
        *a Front view of wire harness connector
        (to Horn Button Assembly)
        *b Color: Black

    NG → See step   6 

    OK: Go to next step 

  5. CHECK DTC 
    1. Connect the connectors to the horn button assembly and airbag ECU assembly.
      Fig 4: Identifying Airbag Sensor Connector
      GTY317852Courtesy of © TOYOTA, LICENSE AGREEMENT TMS1002
    2. Connect the cable to the negative (-) auxiliary battery terminal.
    3. Clear the DTCs stored in memory. Refer to DTC CHECK / CLEAR .
    4. Turn the power switch off.
    5. Turn the power switch on (IG), and wait for at least 60 seconds.
    6. Check for DTCs. Refer to DTC CHECK / CLEAR .

      OK

      DTC B1810/53, B1811/53, B1812/53 or B1813/53 is not output.

      HINT: 

      Codes other than DTCs B1810/53, B1811/53, B1812/53 and B1813/53 may be output at this time, but they are not related to this check.

      TEXT IN ILLUSTRATION

      *1 Horn Button Assembly
      *2 Spiral Cable with Sensor Sub-assembly
      *3 Airbag ECU Assembly

    NG → See step   8 

    OK → See step   9 

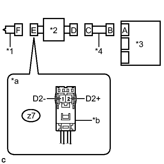
  6. CHECK INSTRUMENT PANEL WIRE 
    1. Disconnect the instrument panel wire from spiral cable with sensor sub-assembly.
      Fig 5: Checking Instrument Panel Wire
      GTY327502Courtesy of © TOYOTA, LICENSE AGREEMENT TMS1002
    2. Check for a short to B+ in the circuit.
      1. Connect the cable to the negative (-) auxiliary battery terminal.
      2. Turn the power switch on (IG).
      3. Measure the voltage according to the value(s) in the table below.

        Standard Voltage

        Tester Connection Condition Specified Condition
        L53-4 (D2+) - Body ground Power switch on (IG) Below 1 V
        L53-3 (D2-) - Body ground Power switch on (IG) Below 1 V
      4. Turn the power switch off.
      5. Disconnect the cable from the negative (-) auxiliary battery terminal.
        WARNING:

        Wait at least 90 seconds after disconnecting the cable from the negative (-) auxiliary battery terminal to disable the SRS system.

    3. Check for an open in the circuit.
      1. Measure the resistance according to the value(s) in the table below.

        Standard Resistance

        Tester Connection Condition Specified Condition
        L53-4 (D2+) - L53-3 (D2-) Always Below 1 Ω
    4. Check for a short to ground in the circuit.
      1. Measure the resistance according to the value(s) in the table below.

        Standard Resistance

        Tester Connection Condition Specified Condition
        L53-4 (D2+) - Body ground Always 1 MΩ or higher
        L53-3 (D2-) - Body ground Always 1 MΩ or higher
    5. Check for a short in the circuit.
      1. Release the activation prevention mechanism built into connector B. Refer to DIAGNOSIS SYSTEM .
      2. Measure the resistance according to the value(s) in the table below.

        Standard Resistance

        Tester Connection Condition Specified Condition
        L53-4 (D2+) - L53-3 (D2-) Always 1 MΩ or higher
      3. Restore the released activation prevention mechanism of connector B to the original condition.
        TEXT IN ILLUSTRATION

        *1 Horn Button Assembly
        *2 Spiral Cable with Sensor Sub-assembly
        *3 Airbag ECU Assembly
        *4 Instrument Panel Wire
        *a Front view of wire harness connector
        (to Spiral Cable with Sensor Sub-assembly)

    NG → REPLACE INSTRUMENT PANEL WIRE 

    OK: Go to next step 

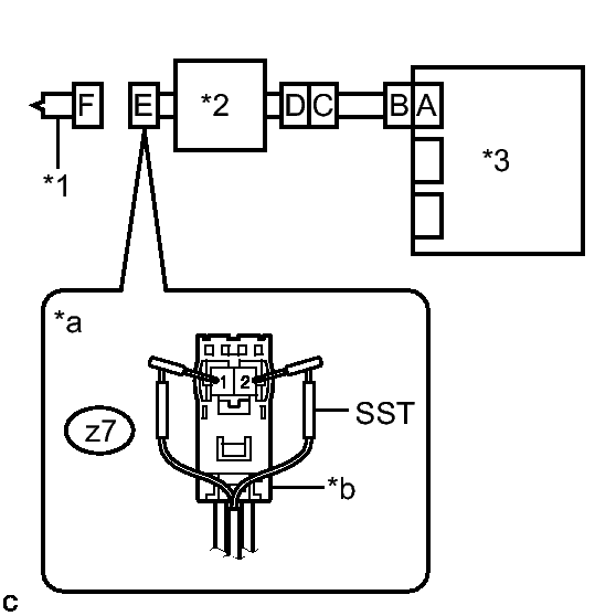
  7. CHECK SPIRAL CABLE WITH SENSOR SUB-ASSEMBLY 
    1. Check for a short to B+ in the circuit.
      Fig 6: Checking Spiral Cable With Sensor Sub-Assembly
      GTY326687Courtesy of © TOYOTA, LICENSE AGREEMENT TMS1002
      1. Connect the cable to the negative (-) auxiliary battery terminal.
      2. Turn the power switch on (IG).
      3. Measure the voltage according to the value(s) in the table below.

        Standard Voltage

        Tester Connection Condition Specified Condition
        z7-2 (D2+) - Body ground Power switch on (IG) Below 1 V
        z7-1 (D2-) - Body ground Power switch on (IG) Below 1 V
      4. Turn the power switch off.
      5. Disconnect the cable from the negative (-) auxiliary battery terminal.
        WARNING:

        Wait at least 90 seconds after disconnecting the cable from the negative (-) auxiliary battery terminal to disable the SRS system.

    2. Check for an open in the circuit.
      1. Measure the resistance according to the value(s) in the table below.

        Standard Resistance

        Tester Connection Condition Specified Condition
        z7-2 (D2+) - z7-1 (D2-) Always Below 1 Ω
    3. Check for a short to ground in the circuit.
      1. Measure the resistance according to the value(s) in the table below.

        Standard Resistance

        Tester Connection Condition Specified Condition
        z7-2 (D2+) - Body ground Always 1 MΩ or higher
        z7-1 (D2-) - Body ground Always 1 MΩ or higher
    4. Check for a short in the circuit.
      1. Release the activation prevention mechanism built into connector D. Refer to DIAGNOSIS SYSTEM .
      2. Measure the resistance according to the value(s) in the table below.

        Standard Resistance

        Tester Connection Condition Specified Condition
        z7-2 (D2+) - z7-1 (D2-) Always 1 MΩ or higher
      3. Restore the released activation prevention mechanism of connector D to the original condition.
        TEXT IN ILLUSTRATION

        *1 Horn Button Assembly
        *2 Spiral Cable with Sensor Sub-assembly
        *3 Airbag ECU Assembly
        *4 Instrument Panel Wire
        *a Front view of wire harness connector
        (to Horn Button Assembly)
        *b Color: Black

    NG → See step   10 

    OK → See step   9 

  8. REPLACE AIRBAG ECU ASSEMBLY. Refer to  REMOVAL 
  9. USE SIMULATION METHOD TO CHECK. Refer to  HOW TO PROCEED WITH TROUBLESHOOTING 
  10. REPLACE SPIRAL CABLE WITH SENSOR SUB-ASSEMBLY. Refer to  REMOVAL