LEMON Manuals: Even more car manuals for everyone: 1960-2025
Home >> Toyota >> 2012 >> Prius Three >> Repair and Diagnosis (Single Page) >> External Pages >> Different variant/trim >> Section 63 (Electronic A/T Shift Lever System (Plug-In) (Diagnostics - Introduction)) >> Electronic Shift Lever System >> System Diagram >> System Diagram
April 5, 2026: LEMON Manuals is launched! Read the announcement.

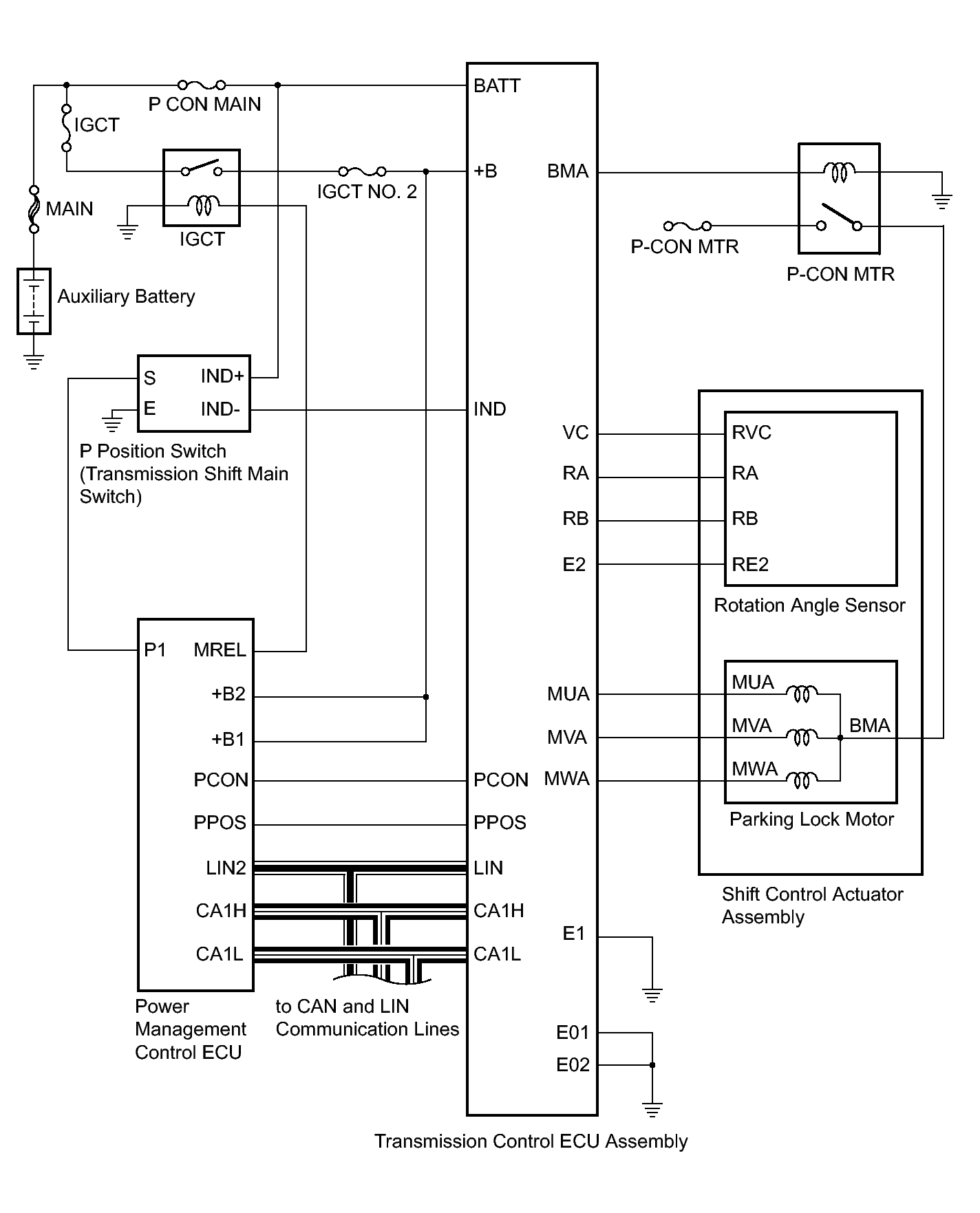
System Diagram

WARNING: This page is about a different variant/trim than selected.
Fig 1: Identifying Electronic Shift Lever System Circuit Diagram
GTY326567Courtesy of © TOYOTA, LICENSE AGREEMENT TMS1002