LEMON Manuals: Even more car manuals for everyone: 1960-2025
Home >> Toyota >> 2012 >> Prius Three >> Repair and Diagnosis >> Electrical >> Body Electrical >> OEM System Circuits >> Combination Meter >> Notes
April 5, 2026: LEMON Manuals is launched! Read the announcement.

Combination Meter: Notes

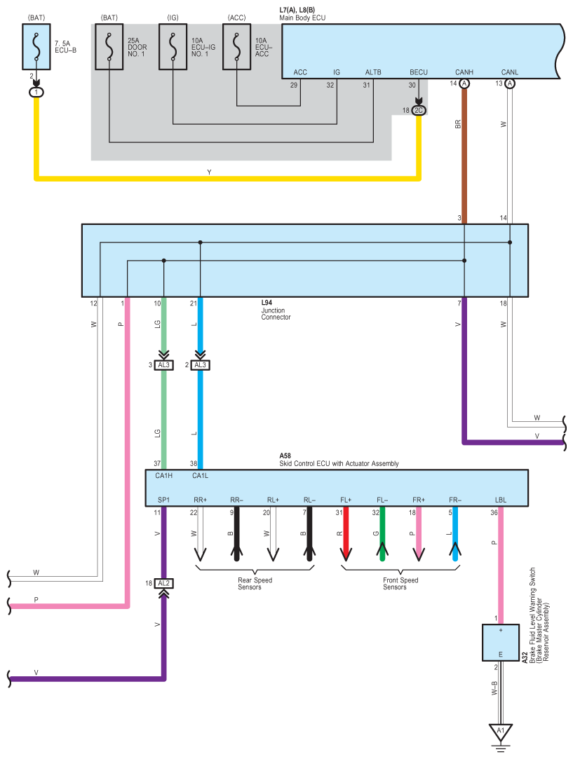
Fig 1: Combination Meter System Wiring Diagram (1 Of 9)
G08850187Courtesy of © TOYOTA, LICENSE AGREEMENT TMS1002
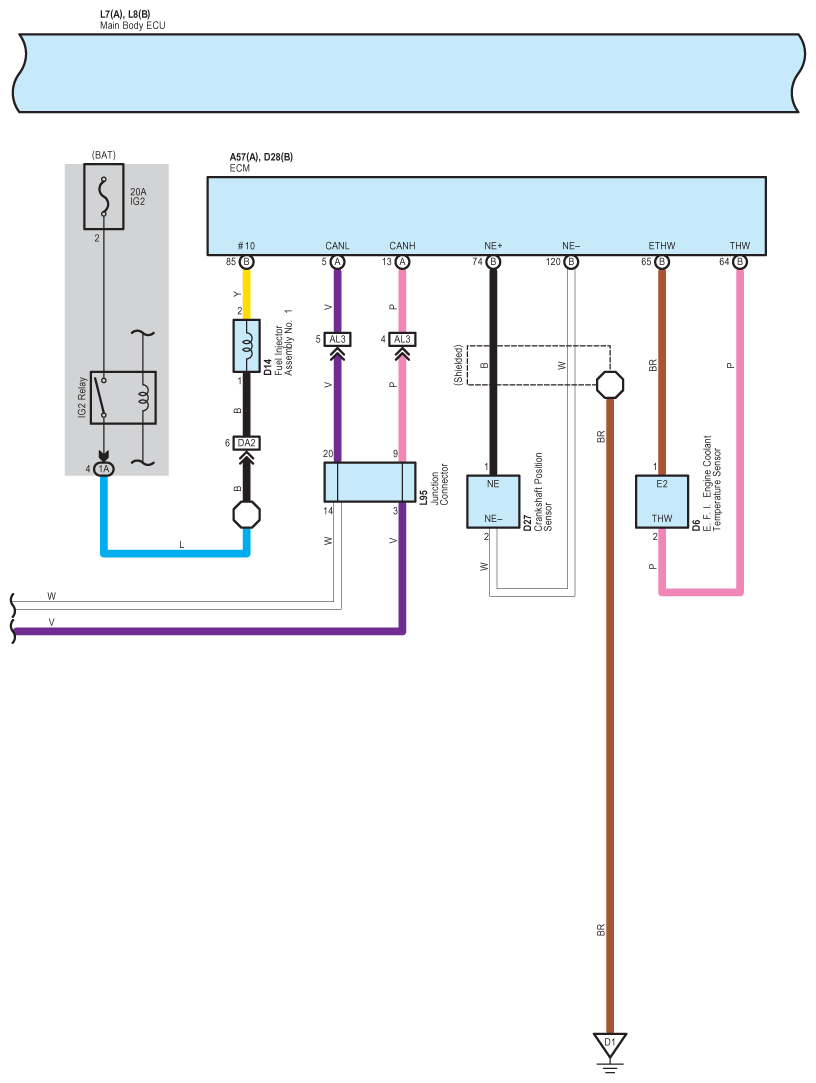
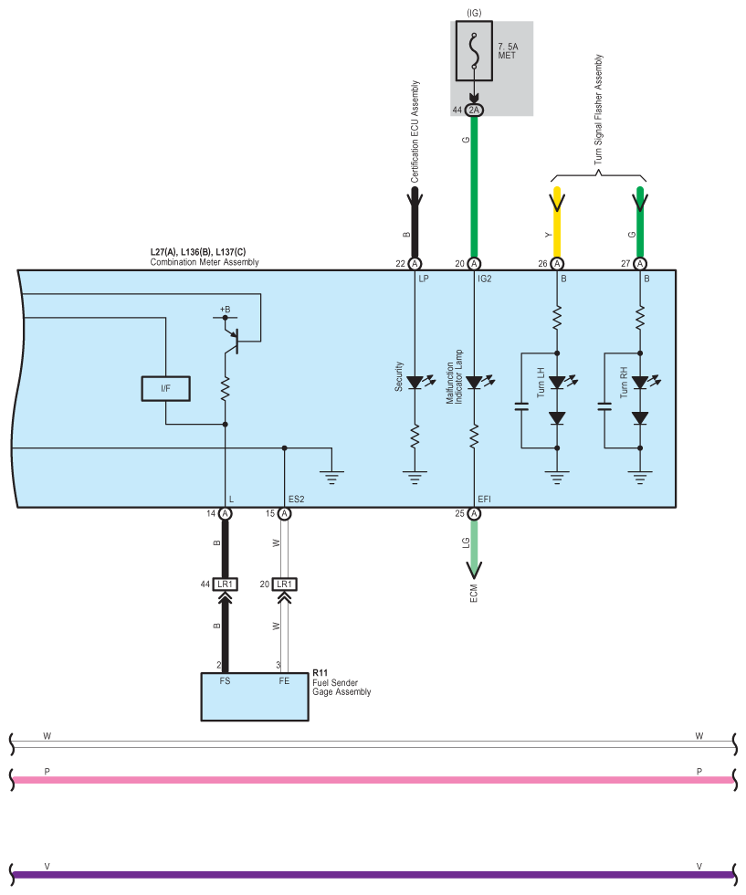
Fig 2: Combination Meter System Wiring Diagram (2 Of 9)
G08850188Courtesy of © TOYOTA, LICENSE AGREEMENT TMS1002
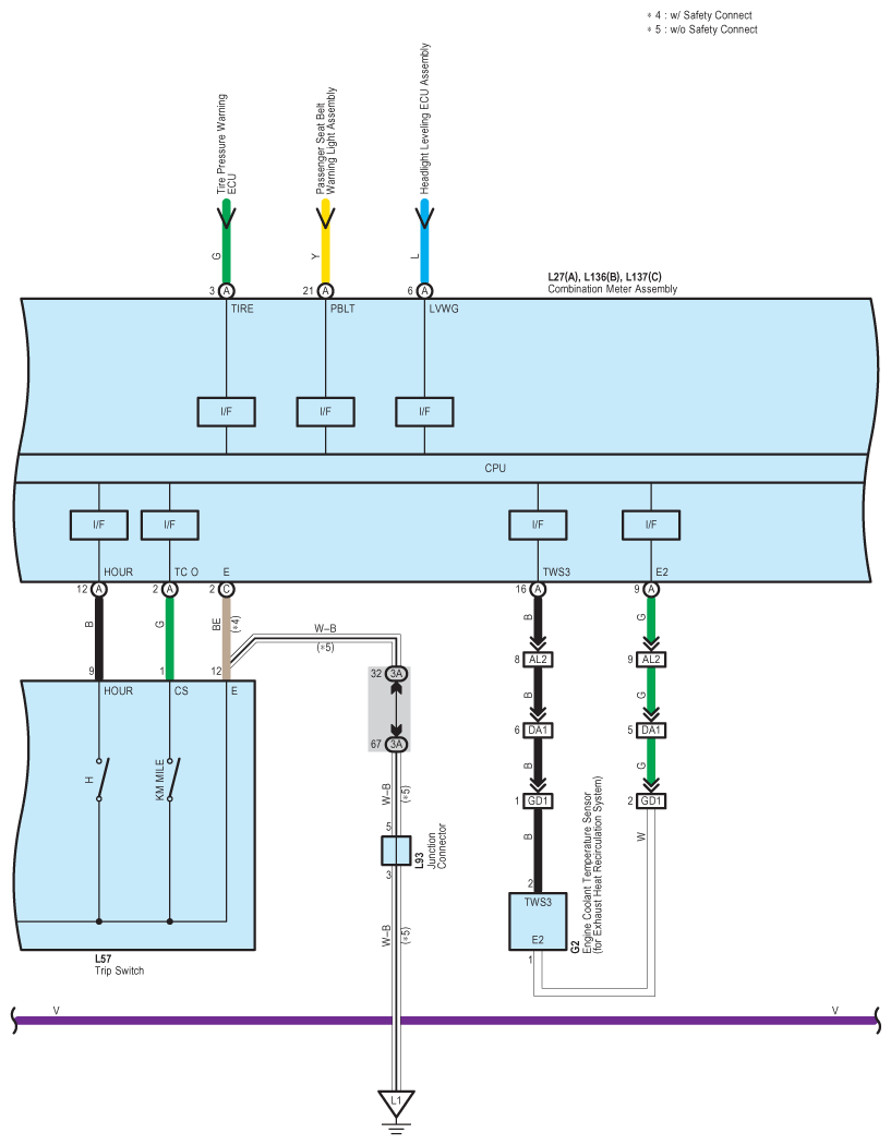
Fig 3: Combination Meter System Wiring Diagram (3 Of 9)
G08850189Courtesy of © TOYOTA, LICENSE AGREEMENT TMS1002
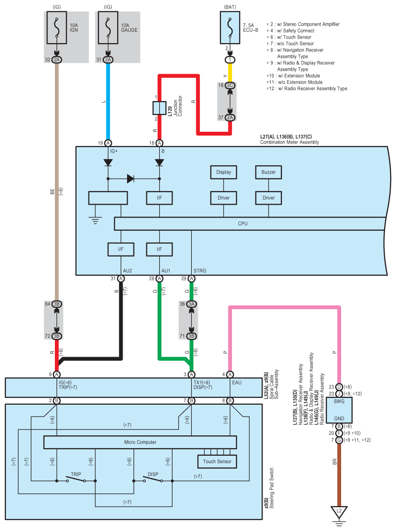
Fig 4: Combination Meter System Wiring Diagram (4 Of 9)
G08850190Courtesy of © TOYOTA, LICENSE AGREEMENT TMS1002
Fig 5: Combination Meter System Wiring Diagram (5 Of 9)
G08850191Courtesy of © TOYOTA, LICENSE AGREEMENT TMS1002
Fig 6: Combination Meter System Wiring Diagram (6 Of 9)
G08850192Courtesy of © TOYOTA, LICENSE AGREEMENT TMS1002
Fig 7: Combination Meter System Wiring Diagram (7 Of 9)
G08850193Courtesy of © TOYOTA, LICENSE AGREEMENT TMS1002
Fig 8: Combination Meter System Wiring Diagram (8 Of 9)
G08850194Courtesy of © TOYOTA, LICENSE AGREEMENT TMS1002
Fig 9: Combination Meter System Wiring Diagram (9 Of 9)
G08850195Courtesy of © TOYOTA, LICENSE AGREEMENT TMS1002