LEMON Manuals: Even more car manuals for everyone: 1960-2025
Home >> Toyota >> 2012 >> Prius Three >> Repair and Diagnosis >> Electrical >> Body Electrical >> OEM System Circuits >> EPS >> Notes
April 5, 2026: LEMON Manuals is launched! Read the announcement.

OEM System Circuits: EPS: Notes

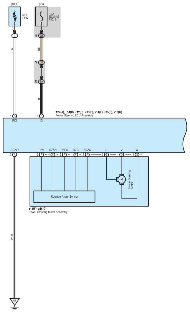
Fig 1: EPS System Wiring Diagram (1 Of 4)
G08850128Courtesy of © TOYOTA, LICENSE AGREEMENT TMS1002
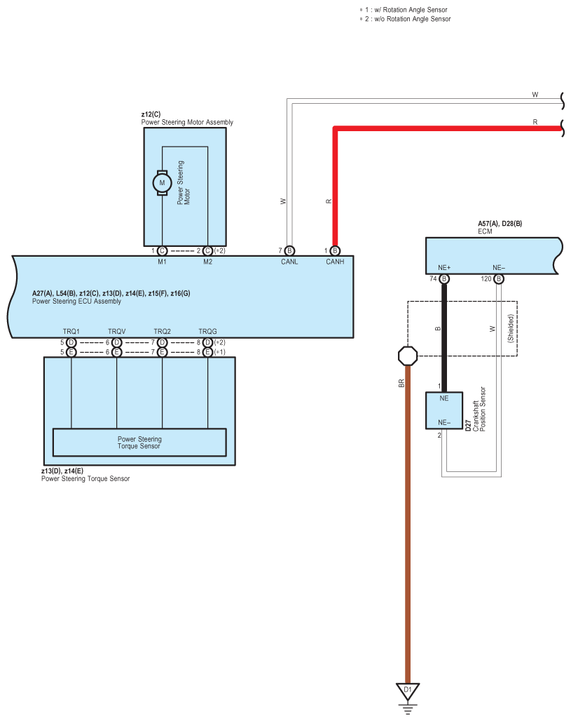
Fig 2: EPS System Wiring Diagram (2 Of 4)
G08850129Courtesy of © TOYOTA, LICENSE AGREEMENT TMS1002
Fig 3: EPS System Wiring Diagram (3 Of 4)
G08850130Courtesy of © TOYOTA, LICENSE AGREEMENT TMS1002
Fig 4: EPS System Wiring Diagram (4 Of 4)
G08850131Courtesy of © TOYOTA, LICENSE AGREEMENT TMS1002