LEMON Manuals: Even more car manuals for everyone: 1960-2025
Home >> Toyota >> 2012 >> Prius Three >> Repair and Diagnosis >> Electrical >> Body Electrical >> OEM System Circuits >> Multiplex Communication System (CAN) >> Notes
April 5, 2026: LEMON Manuals is launched! Read the announcement.

Multiplex Communication System (CAN): Notes

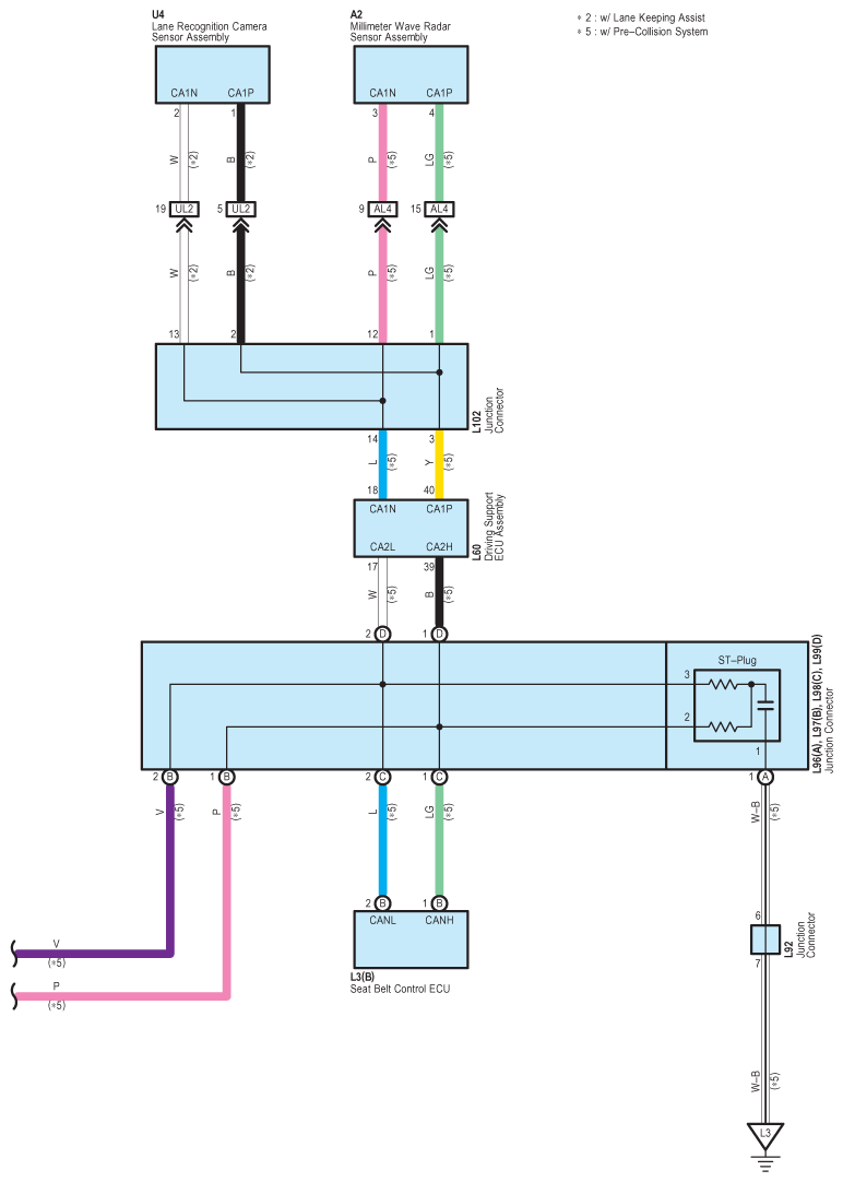
Fig 1: Multiplex Communication (CAN) System Wiring Diagram (1 Of 3)
G08850032Courtesy of © TOYOTA, LICENSE AGREEMENT TMS1002
Fig 2: Multiplex Communication (CAN) System Wiring Diagram (2 Of 3)
G08850033Courtesy of © TOYOTA, LICENSE AGREEMENT TMS1002
Fig 3: Multiplex Communication (CAN) System Wiring Diagram (3 Of 3)
G08850034Courtesy of © TOYOTA, LICENSE AGREEMENT TMS1002