LEMON Manuals: Even more car manuals for everyone: 1960-2025
Home >> Toyota >> 2012 >> Prius Two >> Repair and Diagnosis (Single Page) >> Body & Frame >> Mirrors >> Power Mirror Control (Except Plug-In) (Diagnostics & Symptom Tests) >> Power Mirror Control System >> System Diagram >> System Diagram
April 5, 2026: LEMON Manuals is launched! Read the announcement.

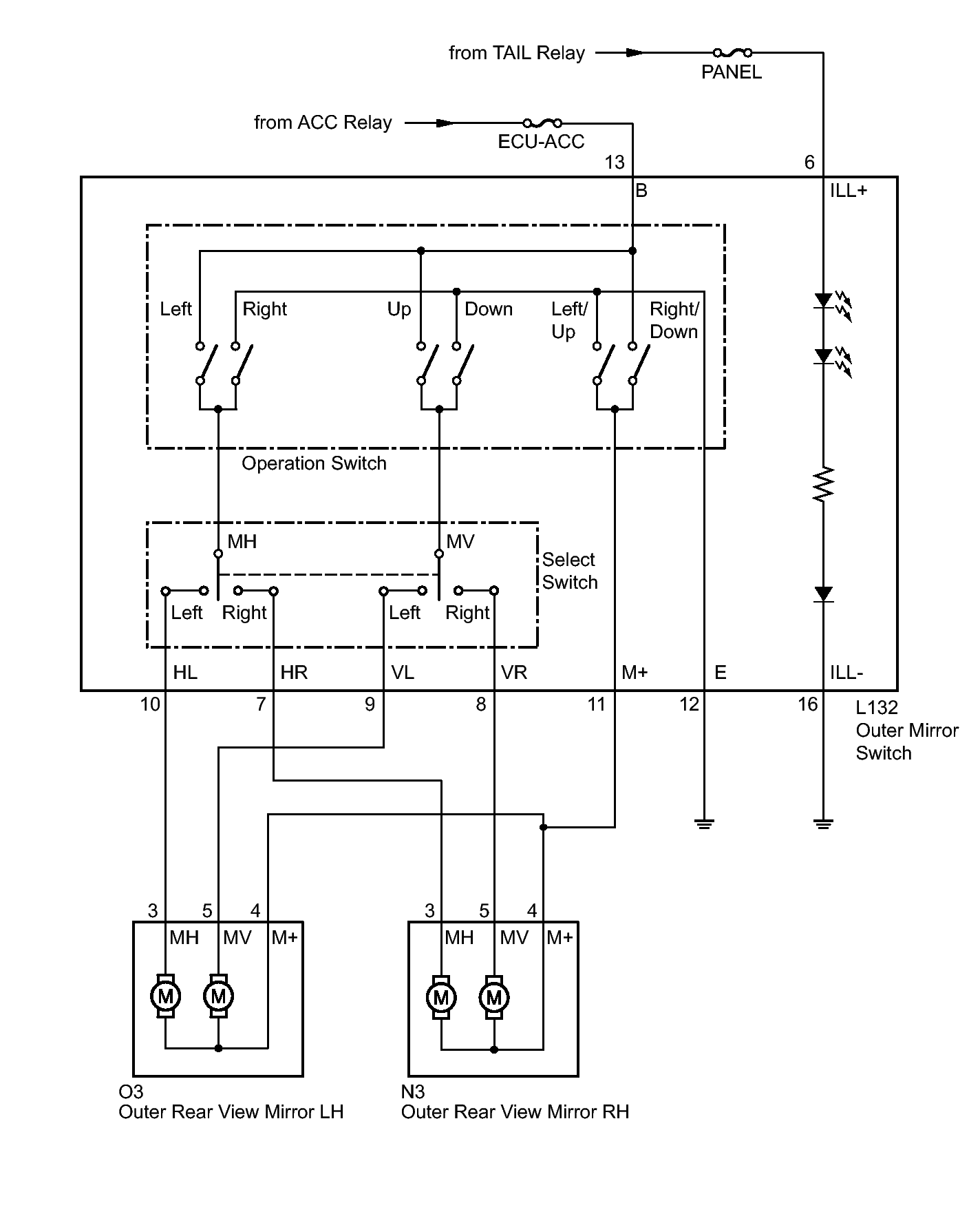
System Diagram

  1. Remote Control Mirror 
    Fig 1: Identifying Power Mirror Control System Diagram
    GTY341596Courtesy of © TOYOTA, LICENSE AGREEMENT TMS1002
  2. Mirror Heater 
    Fig 2: Identifying Mirror Heater Wiring Diagram
    GTY292281Courtesy of © TOYOTA, LICENSE AGREEMENT TMS1002
    COMMUNICATION TABLE

    Transmitting ECU Receiving ECU Signal Communication Method
    Air Conditioning Control Panel Assembly Air Conditioning Amplifier Assembly Outer Mirror Heater Switch Signal LIN