LEMON Manuals: Even more car manuals for everyone: 1960-2025
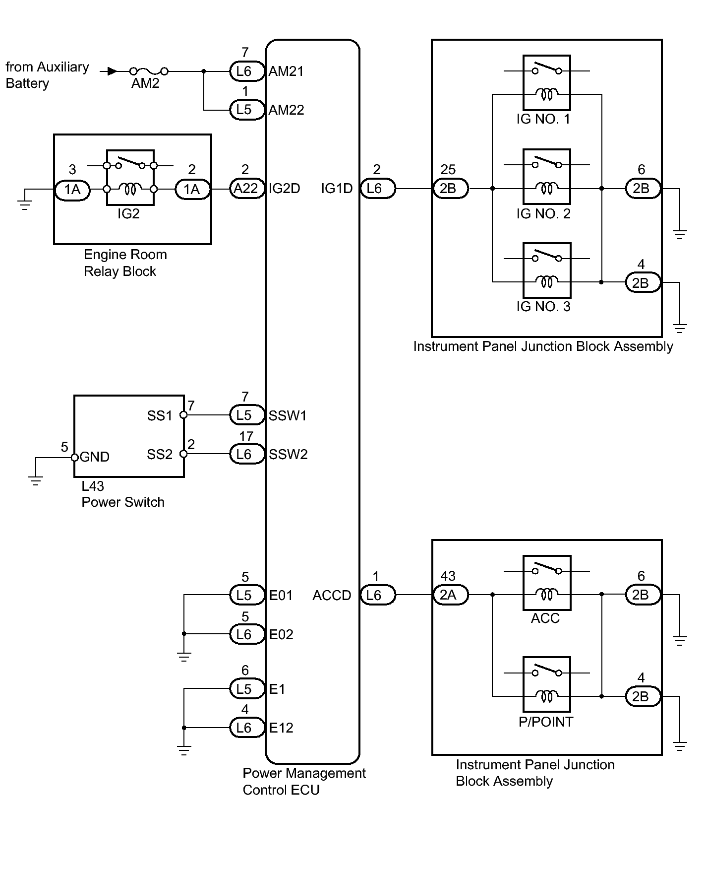
Home >> Toyota >> 2012 >> Prius Two >> Repair and Diagnosis (Single Page) >> Engine Performance >> Ignition System >> Smart Key System (Keyless Start) (Except Plug-In) (Diagnostic Codes & Symptom Tests) >> SMART KEY SYSTEM (for Start Function) >> Symptom Tests >> Power Source Mode does not Change to ON (IG and ACC) >> Wiring Diagram
April 5, 2026: LEMON Manuals is launched! Read the announcement.

Power Source Mode does not Change to ON (IG and ACC): Wiring Diagram

Fig 1: Identifying Auxiliary Battery Wiring Diagram
GTY290747Courtesy of © TOYOTA, LICENSE AGREEMENT TMS1002