LEMON Manuals: Even more car manuals for everyone: 1960-2025
Home >> Toyota >> 2012 >> Prius Two >> Repair and Diagnosis (Single Page) >> Restraints >> Restraints Control Systems >> Supplemental Restraint System (Except Plug-In) (Diagnostic Codes & Symptom Tests) >> Airbag System >> DTC B1810/53: Short in Driver Side Squib 2nd Step Circuit; DTC B1811/53: Open in Driver Side Squib 2nd Step Circuit; DTC B1812/53: Short to GND in Driver Side Squib 2nd Step Circuit; DTC B1813/53: Short to B+ in Driver Side Squib 2nd Step Circuit >> Procedure
April 5, 2026: LEMON Manuals is launched! Read the announcement.

DTC B1810/53: Short in Driver Side Squib 2nd Step Circuit; DTC B1811/53: Open in Driver Side Squib 2nd Step Circuit; DTC B1812/53: Short to GND in Driver Side Squib 2nd Step Circuit; DTC B1813/53: Short to B+ in Driver Side Squib 2nd Step Circuit: Procedure

  1. CHECK CONNECTORS 
    1. Turn the power switch off.
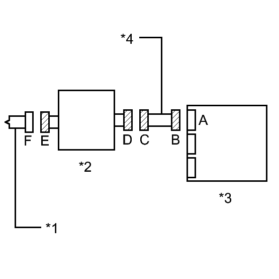
      Fig 1: Identifying Driver Side Squib 2nd Step Circuit & Spiral Cable Connectors
      GTY216069Courtesy of © TOYOTA, LICENSE AGREEMENT TMS1002
    2. Disconnect the cable from the negative (-) battery terminal.
      WARNING:

      Wait at least 90 seconds after disconnecting the cable from the negative (-) battery terminal to disable the SRS system.

    3. Check that the connectors are properly connected to the steering pad, spiral cable and center airbag sensor assembly.

      OK

      The connectors are properly connected.

      HINT: 

      If the connectors are not connected securely, reconnect the connectors and proceed to the next inspection.

    4. Disconnect the connectors from the steering pad, spiral cable and center airbag sensor assembly.
    5. Check that the terminals of the connectors are not damaged.

      OK

      The terminals are not deformed or damaged.

    6. Check that the spiral cable connector (on the steering pad side) is not damaged.

      OK

      The lock button is not disengaged, and the claw of the lock is not deformed or damaged.

    7. Check that the short springs for the instrument panel wire and spiral cable with the activation prevention mechanism are not deformed or damaged.

      OK

      The short springs are not deformed or damaged.

      TEXT IN ILLUSTRATION

      *1 Driver Side Squib 2nd Step
      *2 Spiral Cable
      *3 Center Airbag Sensor Assembly
      *4 Instrument Panel Wire

    NG → REPLACE WIRE HARNESS 

    OK: Go to next step 

  2. CHECK STEERING PAD (DRIVER SIDE SQUIB 2ND STEP) 
    1. Connect the instrument panel wire to the center airbag sensor assembly and spiral cable.
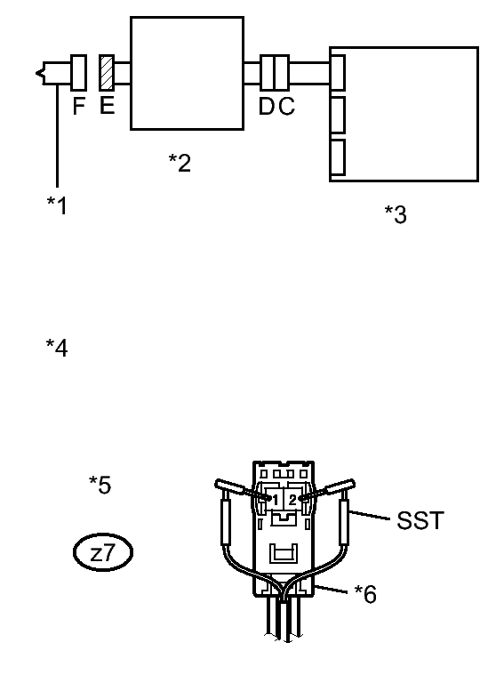
      Fig 2: Identifying z7 Connector Terminals
      GTY226036Courtesy of © TOYOTA, LICENSE AGREEMENT TMS1002
    2. Connect SST (resistance 2.1 Ω) to connector E (black connector).
      WARNING:

      Never connect the tester to the steering pad (driver side squib 2nd step) for measurement, as this may lead to a serious injury due to airbag deployment.

      NOTE:
      • Do not forcibly insert SST into the terminals of the connector when connecting.
      • Insert SST straight into the terminals of the connector.
      • SST: 09843-18061 
    3. Connect the cable to the negative (-) battery terminal.
    4. Turn the power switch on (IG), and wait for at least 60 seconds.
    5. Clear the DTCs stored in the memory. Refer to DTC CHECK / CLEAR .
    6. Turn the power switch off.
    7. Turn the power switch on (IG), and wait for at least 60 seconds.
    8. Check for DTCs. Refer to DTC CHECK / CLEAR .

      OK

      DTC B1810, B1811, B1812, B1813 or 53 is not output.

      TEXT IN ILLUSTRATION

      *1 Driver Side Squib 2nd Step
      *2 Spiral Cable
      *3 Center Airbag Sensor Assembly
      *4 Front view of wire harness connector
      (to Steering Pad)
      *5 Connector E
      *6 Color: Black

      HINT: 

      Codes other than DTCs B1810, B1811, B1812, B1813 and 53 may be output at this time, but they are not related to this check.

    NG → See step   4 

    OK → See step   3 

  3. REPLACE STEERING PAD. Refer to  REMOVAL 
  4. CHECK DRIVER SIDE SQUIB 2ND STEP CIRCUIT 
    1. Turn the power switch off.
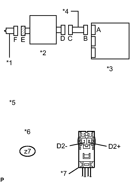
      Fig 3: Identifying z7 Connector Terminals
      GTY221851Courtesy of © TOYOTA, LICENSE AGREEMENT TMS1002
    2. Disconnect the cable from the negative (-) battery terminal.
      WARNING:

      Wait at least 90 seconds after disconnecting the cable from the negative (-) battery terminal to disable the SRS system.

    3. Disconnect SST from connector E.
    4. Disconnect the instrument panel wire from the center airbag sensor assembly.
    5. Check for a short to B+ in the circuit.
      1. Connect the cable to the negative (-) battery terminal.
      2. Turn the power switch on (IG).
      3. Measure the voltage according to the value(s) in the table below.

        Standard Voltage

        Tester Connection Switch Condition Specified Condition
        z7-2 (D2+) - Body ground Power switch on (IG) Below 1 V
        z7-1 (D2-) - Body ground Power switch on (IG) Below 1 V
    6. Check for an open in the circuit.
      1. Turn the power switch off.
      2. Disconnect the cable from the negative (-) battery terminal.
        WARNING:

        Wait at least 90 seconds after disconnecting the cable from the negative (-) battery terminal to disable the SRS system.

      3. Measure the resistance according to the value(s) in the table below.

        Standard Resistance

        Tester Connection Condition Specified Condition
        z7-2 (D2+) - z7-1 (D2-) Always Below 1 Ω
    7. Check for a short to ground in the circuit.
      1. Measure the resistance according to the value(s) in the table below.

        Standard Resistance

        Tester Connection Condition Specified Condition
        z7-2 (D2+) - Body ground Always 1 MΩ or higher
        z7-1 (D2-) - Body ground Always 1 MΩ or higher
    8. Check for a short in the circuit.
      1. Release the activation prevention mechanism built into connector B. Refer to DIAGNOSIS SYSTEM .
      2. Measure the resistance according to the value(s) in the table below.

        Standard Resistance

        Tester Connection Condition Specified Condition
        z7-2 (D2+) - z7-1 (D2-) Always 1 MΩ or higher
        TEXT IN ILLUSTRATION

        *1 Driver Side Squib 2nd Step
        *2 Spiral Cable
        *3 Center Airbag Sensor Assembly
        *4 Front view of wire harness connector
        (to Steering Pad)
        *5 Connector E
        *6 Color: Black

    NG → See step   6 

    OK: Go to next step 

  5. CHECK CENTER AIRBAG SENSOR ASSEMBLY 
    1. Restore the released activation prevention mechanism of connector B to the original condition.
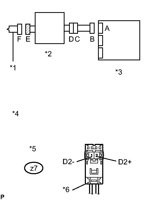
      Fig 4: Checking Center Airbag Sensor Assembly
      GTY244467Courtesy of © TOYOTA, LICENSE AGREEMENT TMS1002
    2. Connect the connectors to the steering pad and center airbag sensor assembly.
    3. Connect the cable to the negative (-) battery terminal.
    4. Turn the power switch on (IG), and wait for at least 60 seconds.
    5. Clear the DTCs stored in the memory. Refer to DTC CHECK / CLEAR .
    6. Turn the power switch off.
    7. Turn the power switch on (IG), and wait for at least 60 seconds.
    8. Check for DTCs. Refer to DTC CHECK / CLEAR .

      OK

      DTC B1810, B1811, B1812, B1813 or 53 is not output.

      TEXT IN ILLUSTRATION

      *1 Driver Side Squib 2nd Step
      *2 Spiral Cable
      *3 Center Airbag Sensor Assembly

      HINT: 

      Codes other than DTCs B1810, B1811, B1812, B1813 and 53 may be output at this time, but they are not related to this check.

    NG → See step   8 

    OK → See step   9 

  6. CHECK INSTRUMENT PANEL WIRE 
    1. Restore the release activation prevention mechanism of connector B to the original condition.
      Fig 5: Identifying L53 Connector Terminals
      GTY212078Courtesy of © TOYOTA, LICENSE AGREEMENT TMS1002
    2. Disconnect the instrument panel wire from spiral cable.
    3. Check for a short to B+ in the circuit.
      1. Connect the cable to the negative (-) battery terminal.
      2. Turn the power switch on (IG).
      3. Measure the voltage according to the value(s) in the table below.

        Standard Voltage

        Tester Connection Switch Condition Specified Condition
        L53-4 (D2+) - Body ground Power switch on (IG) Below 1 V
        L53-3 (D2-) - Body ground Power switch on (IG) Below 1 V
    4. Check for an open in the circuit.
      1. Turn the power switch off.
      2. Disconnect the cable from the negative (-) battery terminal.
        WARNING:

        Wait at least 90 seconds after disconnecting the cable from the negative (-) battery terminal to disable the SRS system.

      3. Measure the resistance according to the value(s) in the table below.

        Standard Resistance

        Tester Connection Condition Specified Condition
        L53-4 (D2+) - L53-3 (D2-) Always Below 1 Ω
    5. Check for a short to ground in the circuit.
      1. Measure the resistance according to the value(s) in the table below.

        Standard Resistance

        Tester Connection Condition Specified Condition
        L53-4 (D2+) - Body ground Always 1 MΩ or higher
        L53-3 (D2-) - Body ground Always 1 MΩ or higher
    6. Check for a short in the circuit.
      1. Release the activation prevention mechanism built into connector B. Refer to DIAGNOSIS SYSTEM .
      2. Measure the resistance according to the value(s) in the table below.

        Standard Resistance

        Tester Connection Condition Specified Condition
        L53-4 (D2+) - L53-3 (D2-) Always 1 MΩ or higher
        TEXT IN ILLUSTRATION

        *1 Driver Side Squib 2nd Step
        *2 Spiral Cable
        *3 Center Airbag Sensor Assembly
        *4 Instrument Panel Wire
        *5 Front view of wire harness connector
        (to Spiral Cable)
        *6 Connector C

    NG → REPLACE INSTRUMENT PANEL WIRE 

    OK: Go to next step 

  7. CHECK SPIRAL CABLE 
    1. Check for a short to B+ in the circuit.
      Fig 6: Identifying Z2 Connector Terminals
      GTY244431Courtesy of © TOYOTA, LICENSE AGREEMENT TMS1002
      1. Connect the cable to the negative (-) battery terminal.
      2. Turn the power switch on (IG).
      3. Measure the voltage according to the value(s) in the table below.

        Standard Voltage

        Tester Connection Switch Condition Specified Condition
        z7-2 (D2+) - Body ground Power switch on (IG) Below 1 V
        z7-1 (D2-) - Body ground Power switch on (IG) Below 1 V
    2. Check for an open in the circuit.
      1. Turn the power switch off.
      2. Disconnect the cable from the negative (-) battery terminal.
        WARNING:

        Wait at least 90 seconds after disconnecting the cable from the negative (-) battery terminal to disable the SRS system.

      3. Measure the resistance according to the value(s) in the table below.

        Standard Resistance

        Tester Connection Condition Specified Condition
        z7-2 (D2+) - z7-1 (D2-) Always Below 1 Ω
    3. Check for a short to ground in the circuit.
      1. Measure the resistance according to the value(s) in the table below.

        Standard Resistance

        Tester Connection Condition Specified Condition
        z7-2 (D2+) - Body ground Always 1 MΩ or higher
        z7-1 (D2-) - Body ground Always 1 MΩ or higher
    4. Check for a short in the circuit.
      1. Release the activation prevention mechanism built into connector D. Refer to DIAGNOSIS SYSTEM .
      2. Measure the resistance according to the value(s) in the table below.

        Standard Resistance

        Tester Connection Condition Specified Condition
        z7-2 (D2+) - z7-1 (D2-) Always 1 MΩ or higher
        TEXT IN ILLUSTRATION

        *1 Driver Side Squib 2nd Step
        *2 Spiral Cable
        *3 Center Airbag Sensor Assembly
        *4 Instrument Panel Wire
        *5 Front view of wire harness connector
        (to Steering Pad)
        *6 Connector E
        *7 Color: Black

    NG → See step   10 

    OK → See step   9 

  8. REPLACE CENTER AIRBAG SENSOR ASSEMBLY. Refer to  REMOVAL 
  9. USE SIMULATION METHOD TO CHECK. Refer to  HOW TO PROCEED WITH TROUBLESHOOTING 
  10. REPLACE SPIRAL CABLE. Refer to  REMOVAL