LEMON Manuals: Even more car manuals for everyone: 1960-2025
Home >> Toyota >> 2012 >> Prius Two >> Repair and Diagnosis >> Electrical >> Body Electrical >> OEM System Circuits >> Back Door Opener, Engine Immobilizer System, Smart Key System, Starting and Wireless Door Lock Control >> Notes
April 5, 2026: LEMON Manuals is launched! Read the announcement.

Back Door Opener, Engine Immobilizer System, Smart Key System, Starting and Wireless Door Lock Control: Notes

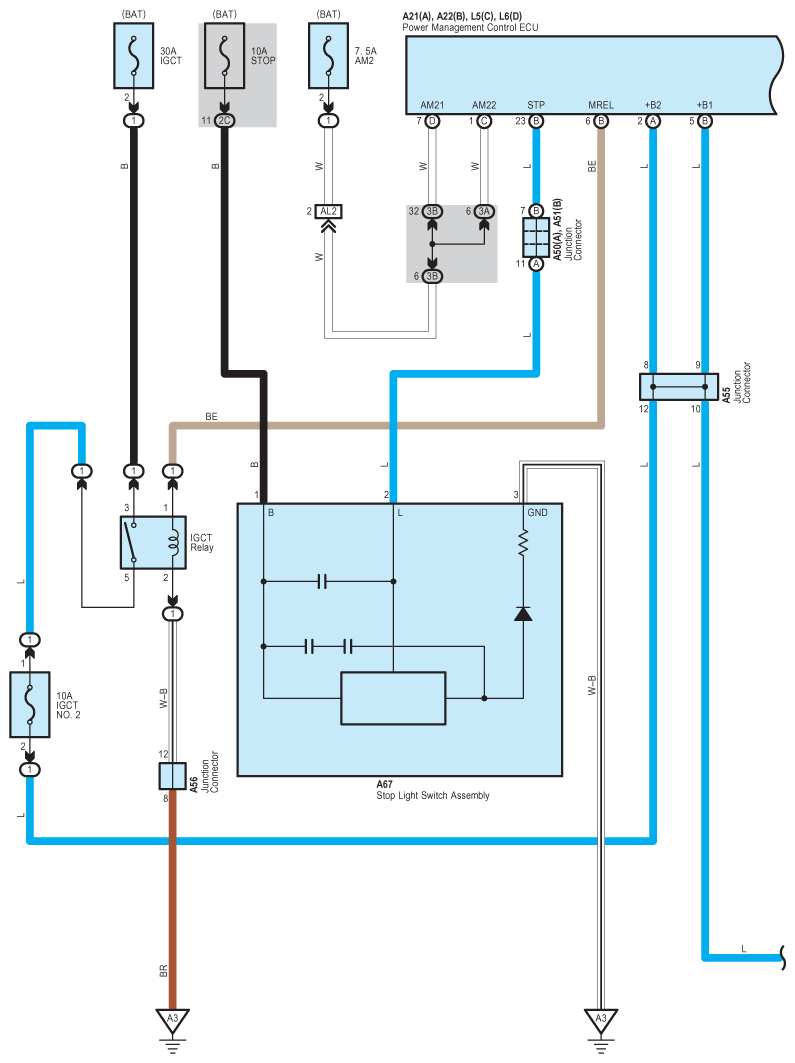
Fig 1: Back Door Opener, Engine Immobilizer, Smart Key, Starting And Wireless Door Lock Control System Wiring Diagram (1 Of 21)
G08849978Courtesy of © TOYOTA, LICENSE AGREEMENT TMS1002
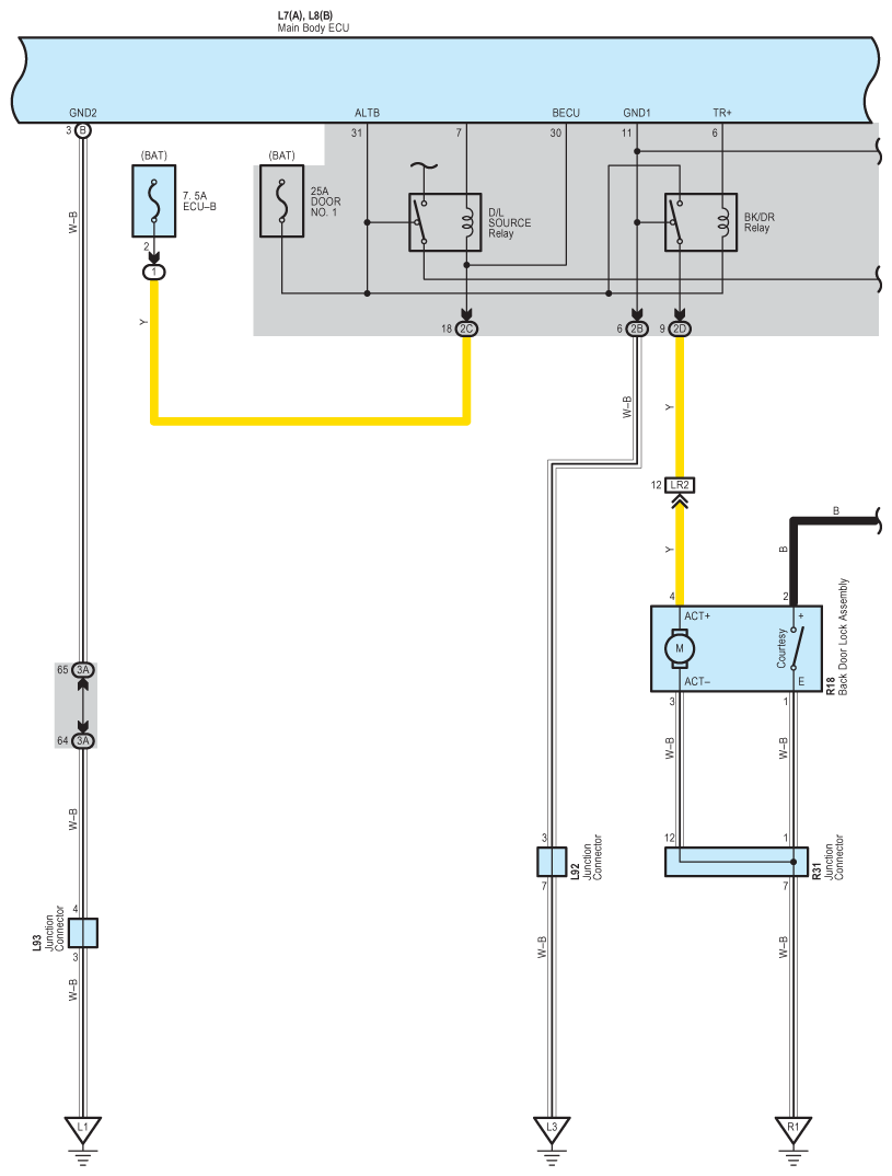
Fig 2: Back Door Opener, Engine Immobilizer, Smart Key, Starting And Wireless Door Lock Control System Wiring Diagram (2 Of 21)
G08849979Courtesy of © TOYOTA, LICENSE AGREEMENT TMS1002
Fig 3: Back Door Opener, Engine Immobilizer, Smart Key, Starting And Wireless Door Lock Control System Wiring Diagram (3 Of 21)
G08849980Courtesy of © TOYOTA, LICENSE AGREEMENT TMS1002
Fig 4: Back Door Opener, Engine Immobilizer, Smart Key, Starting And Wireless Door Lock Control System Wiring Diagram (4 Of 21)
G08849981Courtesy of © TOYOTA, LICENSE AGREEMENT TMS1002
Fig 5: Back Door Opener, Engine Immobilizer, Smart Key, Starting And Wireless Door Lock Control System Wiring Diagram (5 Of 21)
G08849982Courtesy of © TOYOTA, LICENSE AGREEMENT TMS1002
Fig 6: Back Door Opener, Engine Immobilizer, Smart Key, Starting And Wireless Door Lock Control System Wiring Diagram (6 Of 21)
G08849983Courtesy of © TOYOTA, LICENSE AGREEMENT TMS1002
Fig 7: Back Door Opener, Engine Immobilizer, Smart Key, Starting And Wireless Door Lock Control System Wiring Diagram (7 Of 21)
G08849984Courtesy of © TOYOTA, LICENSE AGREEMENT TMS1002
Fig 8: Back Door Opener, Engine Immobilizer, Smart Key, Starting And Wireless Door Lock Control System Wiring Diagram (8 Of 21)
G08849985Courtesy of © TOYOTA, LICENSE AGREEMENT TMS1002
Fig 9: Back Door Opener, Engine Immobilizer, Smart Key, Starting And Wireless Door Lock Control System Wiring Diagram (9 Of 21)
G08849986Courtesy of © TOYOTA, LICENSE AGREEMENT TMS1002
Fig 10: Back Door Opener, Engine Immobilizer, Smart Key, Starting And Wireless Door Lock Control System Wiring Diagram (10 Of 21)
G08849987Courtesy of © TOYOTA, LICENSE AGREEMENT TMS1002
Fig 11: Back Door Opener, Engine Immobilizer, Smart Key, Starting And Wireless Door Lock Control System Wiring Diagram (11 Of 21)
G08849988Courtesy of © TOYOTA, LICENSE AGREEMENT TMS1002
Fig 12: Back Door Opener, Engine Immobilizer, Smart Key, Starting And Wireless Door Lock Control System Wiring Diagram (12 Of 21)
G08849989Courtesy of © TOYOTA, LICENSE AGREEMENT TMS1002
Fig 13: Back Door Opener, Engine Immobilizer, Smart Key, Starting And Wireless Door Lock Control System Wiring Diagram (13 Of 21)
G08849990Courtesy of © TOYOTA, LICENSE AGREEMENT TMS1002
Fig 14: Back Door Opener, Engine Immobilizer, Smart Key, Starting And Wireless Door Lock Control System Wiring Diagram (14 Of 21)
G08849991Courtesy of © TOYOTA, LICENSE AGREEMENT TMS1002
Fig 15: Back Door Opener, Engine Immobilizer, Smart Key, Starting And Wireless Door Lock Control System Wiring Diagram (15 Of 21)
G08849992Courtesy of © TOYOTA, LICENSE AGREEMENT TMS1002
Fig 16: Back Door Opener, Engine Immobilizer, Smart Key, Starting And Wireless Door Lock Control System Wiring Diagram (16 Of 21)
G08849993Courtesy of © TOYOTA, LICENSE AGREEMENT TMS1002
Fig 17: Back Door Opener, Engine Immobilizer, Smart Key, Starting And Wireless Door Lock Control System Wiring Diagram (17 Of 21)
G08849994Courtesy of © TOYOTA, LICENSE AGREEMENT TMS1002
Fig 18: Back Door Opener, Engine Immobilizer, Smart Key, Starting And Wireless Door Lock Control System Wiring Diagram (18 Of 21)
G08849995Courtesy of © TOYOTA, LICENSE AGREEMENT TMS1002
Fig 19: Back Door Opener, Engine Immobilizer, Smart Key, Starting And Wireless Door Lock Control System Wiring Diagram (19 Of 21)
G08849996Courtesy of © TOYOTA, LICENSE AGREEMENT TMS1002
Fig 20: Back Door Opener, Engine Immobilizer, Smart Key, Starting And Wireless Door Lock Control System Wiring Diagram (20 Of 21)
G08849997Courtesy of © TOYOTA, LICENSE AGREEMENT TMS1002
Fig 21: Back Door Opener, Engine Immobilizer, Smart Key, Starting And Wireless Door Lock Control System Wiring Diagram (21 Of 21)
G08849998Courtesy of © TOYOTA, LICENSE AGREEMENT TMS1002