LEMON Manuals: Even more car manuals for everyone: 1960-2025
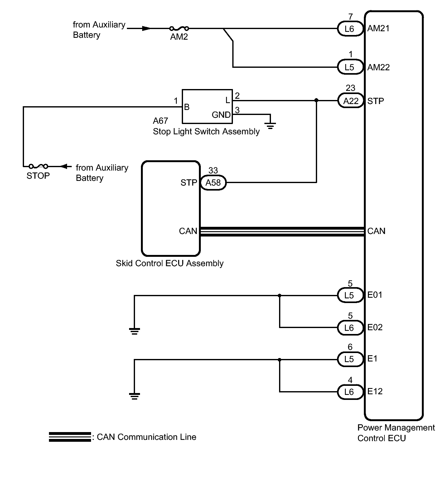
Home >> Toyota >> 2012 >> Prius Two >> Repair and Diagnosis >> Engine Performance >> Ignition System >> Smart Key System (Keyless Start) (Except Plug-In) (Diagnostic Codes & Symptom Tests) >> SMART KEY SYSTEM (for Start Function) >> DTC B2284: Brake Signal Malfunction >> Wiring Diagram
April 5, 2026: LEMON Manuals is launched! Read the announcement.

DTC B2284: Brake Signal Malfunction: Wiring Diagram

Fig 1: View Of Power Management Control ECU Wiring Diagram
GTY336597Courtesy of © TOYOTA, LICENSE AGREEMENT TMS1002