LEMON Manuals: Even more car manuals for everyone: 1960-2025
Home >> Toyota >> 2012 >> Prius Two >> Repair and Diagnosis >> Transmission >> Automatic Trans >> Electronic A/T Shift Lever System (Except Plug-In) (Diagnostics - Introduction) >> Electronic Shift Lever System >> System Diagram >> System Diagram
April 5, 2026: LEMON Manuals is launched! Read the announcement.

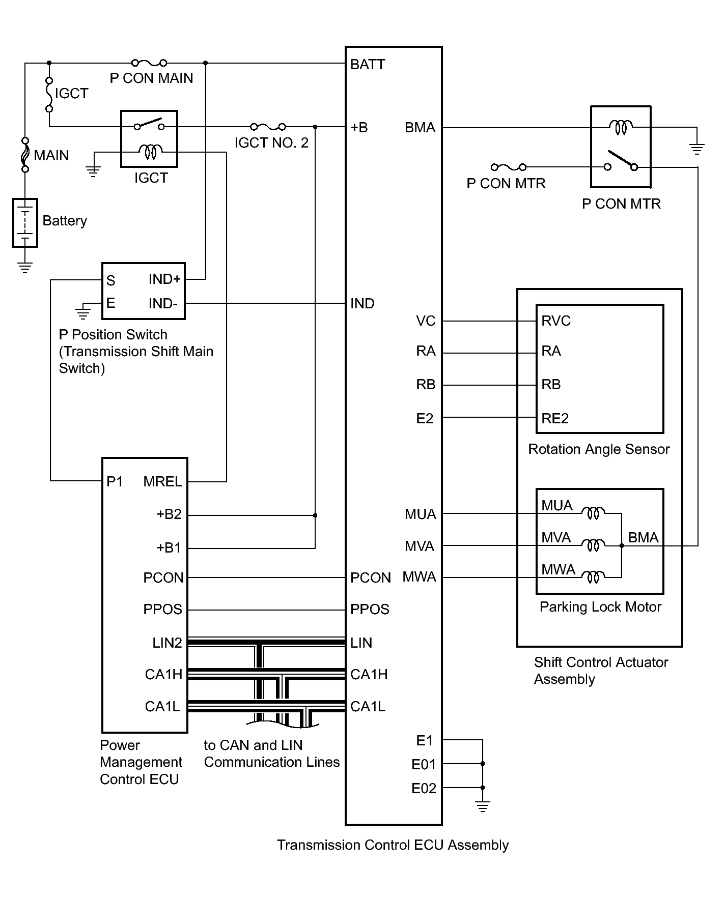
System Diagram

Fig 1: Identifying Transmission Control Assembly ECU Diagram
GTY290740Courtesy of © TOYOTA, LICENSE AGREEMENT TMS1002