LEMON Manuals: Even more car manuals for everyone: 1960-2025
Home >> Toyota >> 2012 >> Prius V >> Repair and Diagnosis (Single Page) >> Engine Performance >> System >> Engine Control System (Service Information) >> Integration Relay >> Inspection >> Inspection
April 5, 2026: LEMON Manuals is launched! Read the announcement.

Integration Relay: Inspection: Inspection

  1. INSPECT NO. 2 INTEGRATION RELAY 
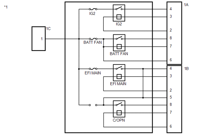
    Fig 1: No. 2 Integration Relay Circuit Wiring Diagram
    GTY336397Courtesy of © TOYOTA, LICENSE AGREEMENT TMS1002
    TEXT IN ILLUSTRATION

    *1 No. 2 Integration Relay - -
    1. IG2 RELAY:
      1. Measure the resistance according to the value(s) in the table below.
        Fig 2: Identifying 1C, 1B & 1A IG2 Relay Connector End View
        GTY227727Courtesy of © TOYOTA, LICENSE AGREEMENT TMS1002
        TEXT IN ILLUSTRATION

        *1 No. 2 Integration Relay

        Standard Resistance

        Tester Connection Condition Specified Condition
        No. 2 Integration Relay (1C-1) - No. 2 Integration Relay (1A-4) Auxiliary battery voltage is not applied between terminals 1A-3 and 1A-2 10 kΩ or higher
        No. 2 Integration Relay (1C-1) - No. 2 Integration Relay (1A-4) Auxiliary battery voltage is applied between terminals 1A-3 and 1A-2 Below 1 Ω

        If the resistance is not as specified, replace the No. 2 integration relay.

    2. BATT FAN RELAY:
      1. Measure the resistance according to the value(s) in the table below.
        Fig 3: Identifying 1C, 1B & 1A IG2 Relay Connector End View
        GTY227727Courtesy of © TOYOTA, LICENSE AGREEMENT TMS1002
        TEXT IN ILLUSTRATION

        *1 No. 2 Integration Relay

        Standard Resistance

        Tester Connection Condition Specified Condition
        No. 2 Integration Relay (1C-1) - No. 2 Integration Relay (1A-8) Auxiliary battery voltage is not applied between terminals 1A-7 and 1A-6 10 kΩ or higher
        No. 2 Integration Relay (1C-1) - No. 2 Integration Relay (1A-8) Auxiliary battery voltage is applied between terminals 1A-7 and 1A-6 Below 1 Ω

        If the resistance is not as specified, replace the No. 2 integration relay.

    3. EFI MAIN RELAY:
      1. Measure the resistance according to the value(s) in the table below.
        Fig 4: Identifying 1C, 1B & 1A IG2 Relay Connector End View
        GTY227727Courtesy of © TOYOTA, LICENSE AGREEMENT TMS1002
        TEXT IN ILLUSTRATION

        *1 No. 2 Integration Relay

        Standard Resistance

        Tester Connection Condition Specified Condition
        No. 2 Integration Relay (1C-1) - No. 2 Integration Relay (1B-4) Auxiliary battery voltage is not applied between terminals 1B-2 and 1B-3 10 kΩ or higher
        No. 2 Integration Relay (1C-1) - No. 2 Integration Relay (1B-4) Auxiliary battery voltage is applied between terminals 1B-2 and 1B-3 Below 1 Ω

        If the resistance is not as specified, replace the No. 2 integration relay.

    4. C/OPN RELAY:
      1. Measure the resistance according to the value(s) in the table below.
        Fig 5: Identifying 1C, 1B & 1A IG2 Relay Connector End View
        GTY227727Courtesy of © TOYOTA, LICENSE AGREEMENT TMS1002
        TEXT IN ILLUSTRATION

        *1 Integration Relay

        Standard Resistance

        Tester Connection Condition Specified Condition
        No. 2 Integration Relay (1B-5) - No. 2 Integration Relay (1B-8) Auxiliary battery voltage is not applied between terminals 1B-6 and 1B-7 10 kΩ or higher
        No. 2 Integration Relay (1B-5) - No. 2 Integration Relay (1B-8) Auxiliary battery voltage is applied between terminals 1B-6 and 1B-7 Below 1 Ω

        If the resistance is not as specified, replace the No. 2 integration relay.