LEMON Manuals: Even more car manuals for everyone: 1960-2025
Home >> Toyota >> 2012 >> Prius V >> Repair and Diagnosis >> Electrical >> Body Electrical >> OEM System Circuits >> EPS >> Notes
April 5, 2026: LEMON Manuals is launched! Read the announcement.

OEM System Circuits: EPS: Notes

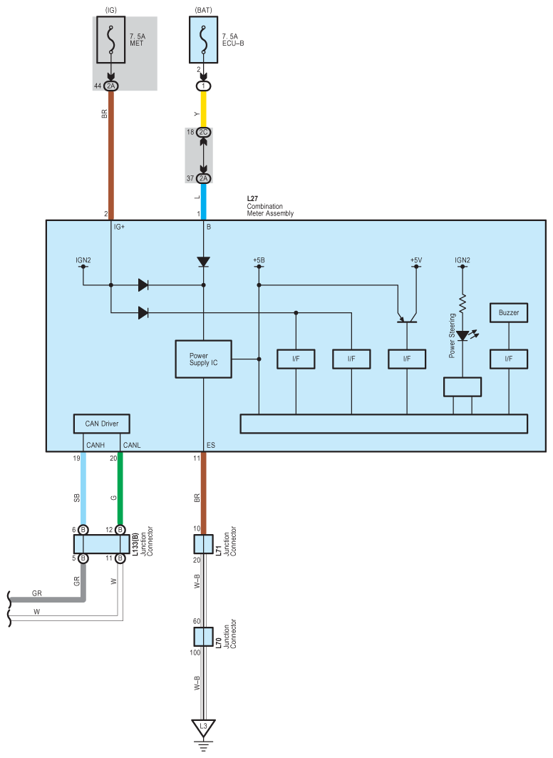
Fig 1: EPS System Wiring Diagram (1 Of 3)
G08862928Courtesy of © TOYOTA, LICENSE AGREEMENT TMS1002
Fig 2: EPS System Wiring Diagram (2 Of 3)
G08862929Courtesy of © TOYOTA, LICENSE AGREEMENT TMS1002
Fig 3: EPS System Wiring Diagram (3 Of 3)
G08862930Courtesy of © TOYOTA, LICENSE AGREEMENT TMS1002