LEMON Manuals: Even more car manuals for everyone: 1960-2025
Home >> Toyota >> 2012 >> Prius V >> Repair and Diagnosis >> Electrical >> Body Electrical >> OEM System Circuits >> Horn >> Notes
April 5, 2026: LEMON Manuals is launched! Read the announcement.

OEM System Circuits: Horn: Notes

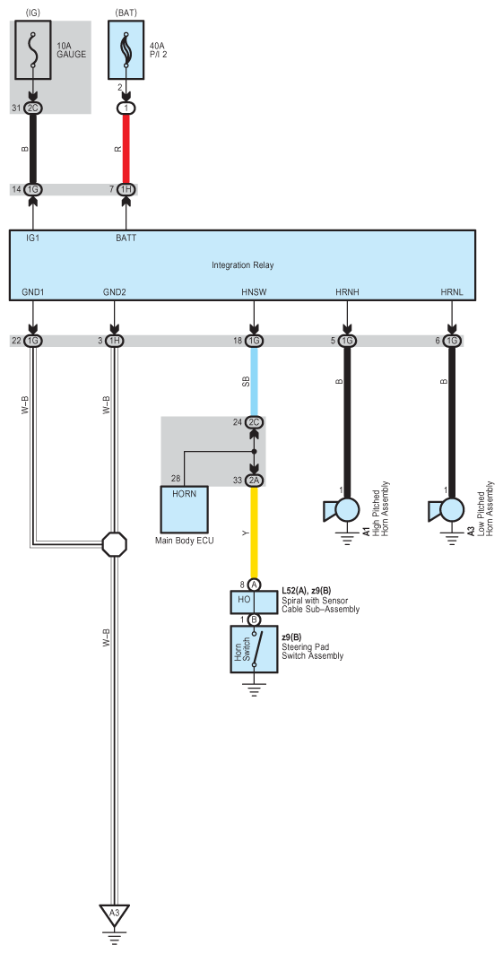
Fig 1: Horn System Wiring Diagram
G08862941Courtesy of © TOYOTA, LICENSE AGREEMENT TMS1002