LEMON Manuals: Even more car manuals for everyone: 1960-2025
Home >> Toyota >> 2012 >> RAV4 EV >> Repair and Diagnosis (Single Page) >> Body & Frame >> Windows >> Power Window Control System (Diagnostic Codes & Symptom Tests) >> Power Window Control System >> Symptom Tests >> Driver Side Power Window Auto Up / Down Function does not Operate with Power Window Master Switch >> Wiring Diagram
April 5, 2026: LEMON Manuals is launched! Read the announcement.

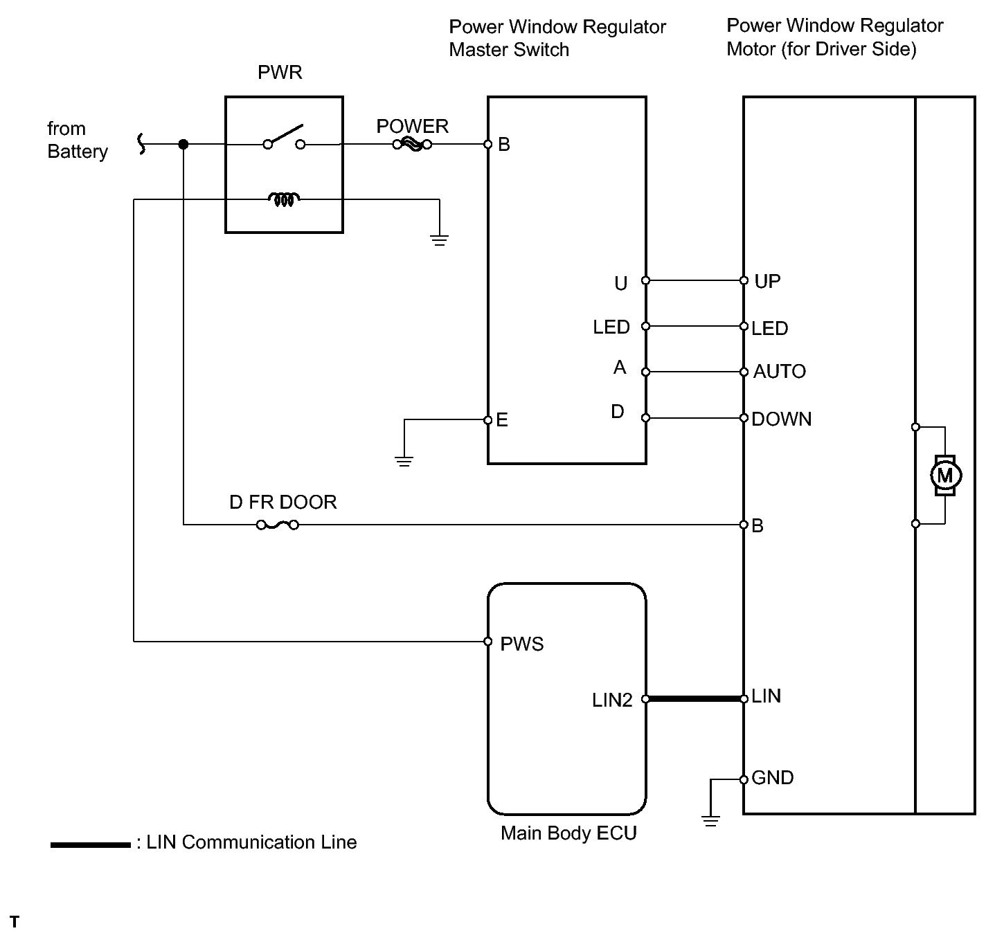
Driver Side Power Window Auto Up / Down Function does not Operate with Power Window Master Switch: Wiring Diagram

Fig 1: Driver Side Power Window - LIN Communication Line Wiring Diagram
GTY324249Courtesy of © TOYOTA, LICENSE AGREEMENT TMS1002