LEMON Manuals: Even more car manuals for everyone: 1960-2025
Home >> Toyota >> 2012 >> RAV4 EV >> Repair and Diagnosis (Single Page) >> Body & Frame >> Windows >> Power Window Control System (Diagnostic Codes & Symptom Tests) >> Power Window Control System >> Symptom Tests >> Driver Side Power Window does not Operate with Power Window Master Switch >> Wiring Diagram
April 5, 2026: LEMON Manuals is launched! Read the announcement.

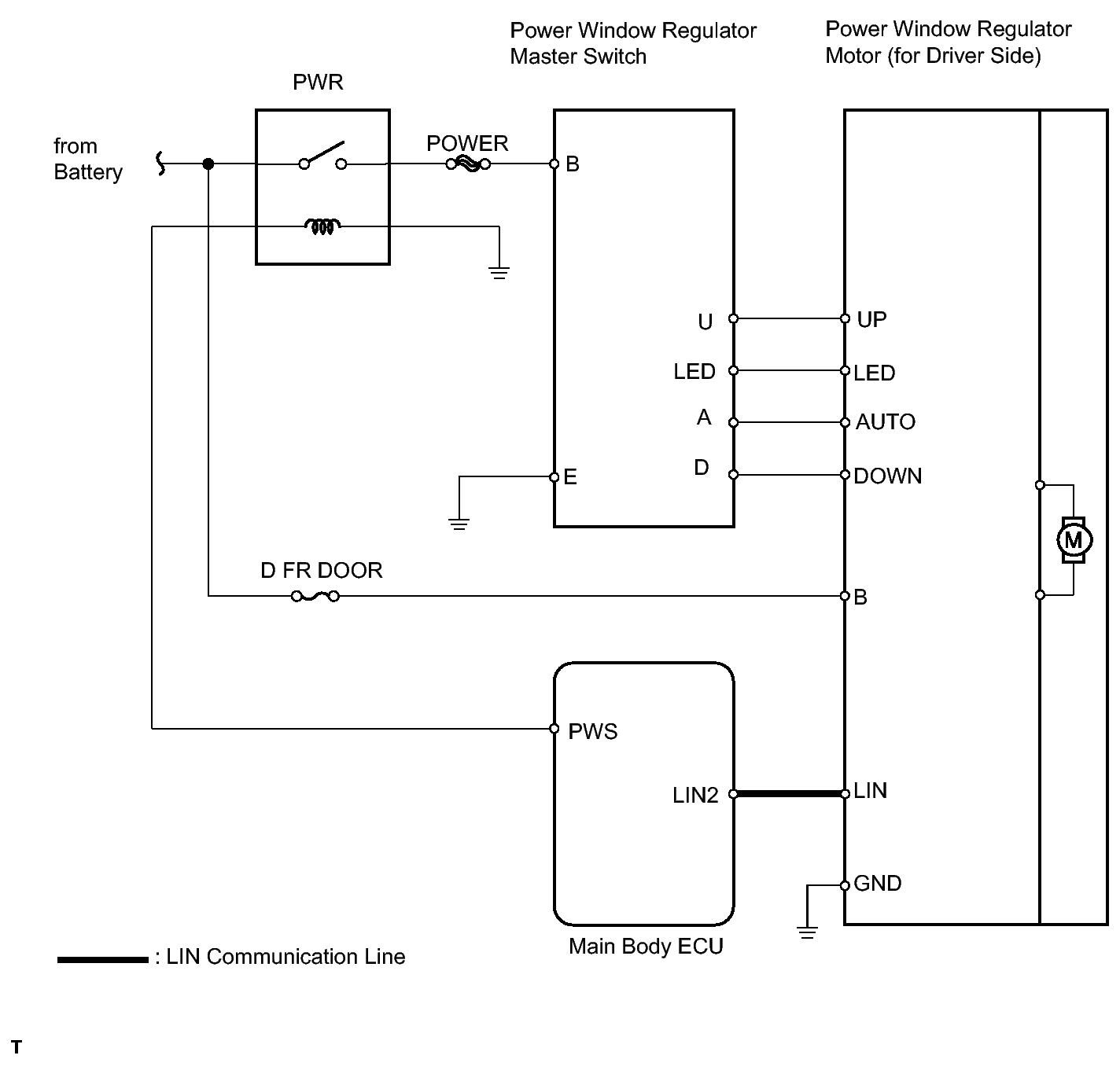
Driver Side Power Window does not Operate with Power Window Master Switch: Wiring Diagram

Fig 1: Driver Side Power Window Master Switch Wiring Diagram
GTY342189Courtesy of © TOYOTA, LICENSE AGREEMENT TMS1002