LEMON Manuals: Even more car manuals for everyone: 1960-2025
Home >> Toyota >> 2012 >> RAV4 EV >> Repair and Diagnosis (Single Page) >> Electrical >> Body Electrical >> OEM Overall Electrical Wiring Diagram >> Overall Electrical Wiring Diagram >> Engine Immobilizer System (w/Smart Key System), Smart Key System, Starting (w/Smart Key System), Steering Lock (w/Smart Key System), Wireless Door Lock Control (w/Smart Key System)
April 5, 2026: LEMON Manuals is launched! Read the announcement.

Engine Immobilizer System (w/Smart Key System), Smart Key System, Starting (w/Smart Key System), Steering Lock (w/Smart Key System), Wireless Door Lock Control (w/Smart Key System)

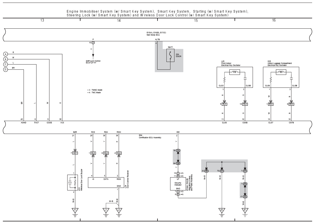
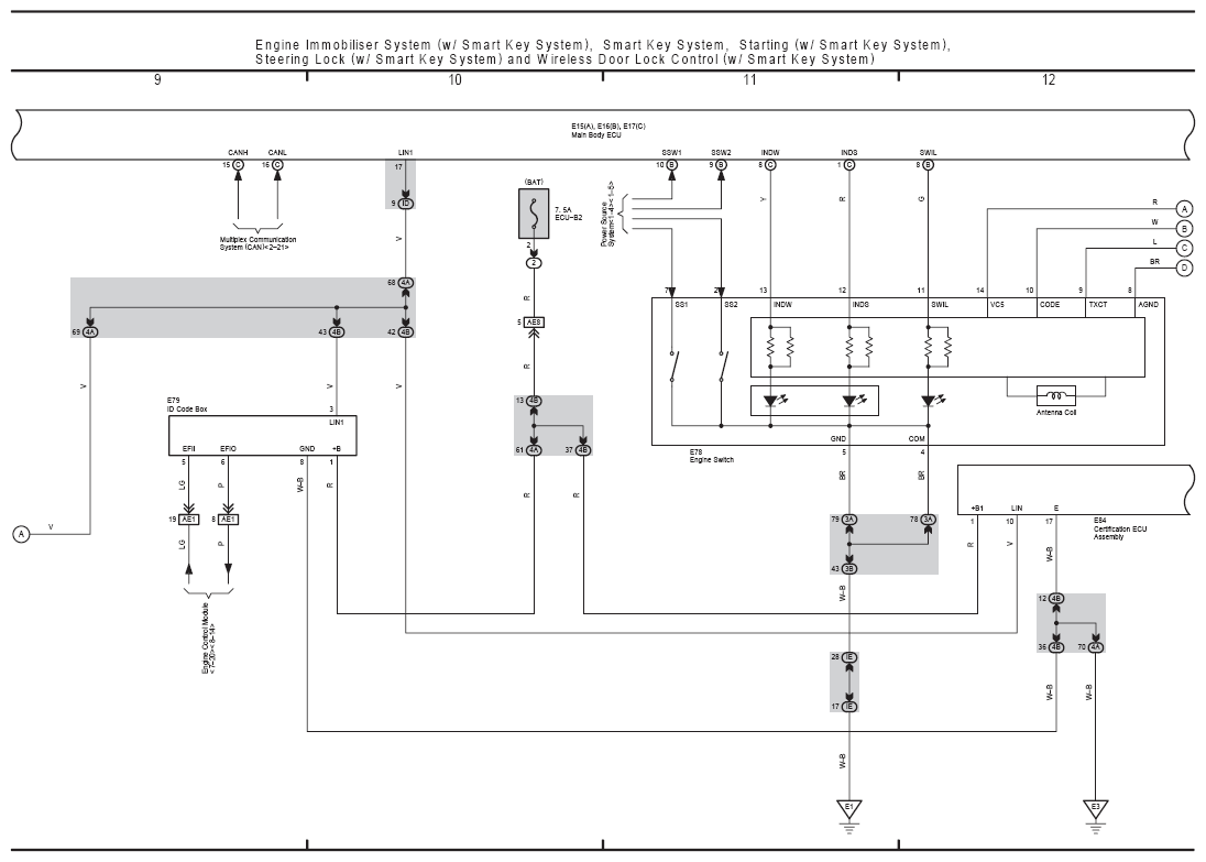
Fig 1: Engine Immobilizer, Starting, Steering Lock And Wireless Door Lock Control (W/ Smart Key) Electrical Wiring Diagram (1 Of 7)
G08845804Courtesy of © TOYOTA, LICENSE AGREEMENT TMS1002
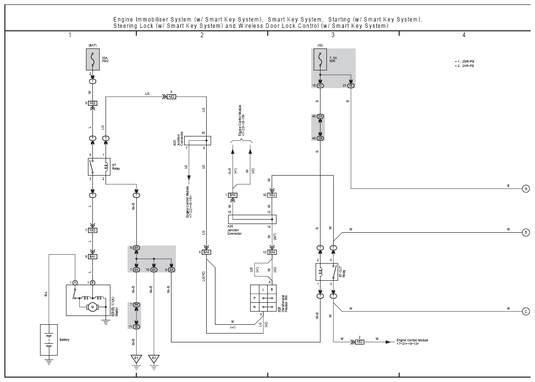
Fig 2: Engine Immobilizer, Starting, Steering Lock And Wireless Door Lock Control (W/ Smart Key) Electrical Wiring Diagram (2 Of 7)
G08845805Courtesy of © TOYOTA, LICENSE AGREEMENT TMS1002
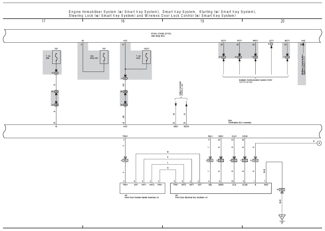
Fig 3: Engine Immobilizer, Starting, Steering Lock And Wireless Door Lock Control (W/ Smart Key) Electrical Wiring Diagram (3 Of 7)
G08845806Courtesy of © TOYOTA, LICENSE AGREEMENT TMS1002
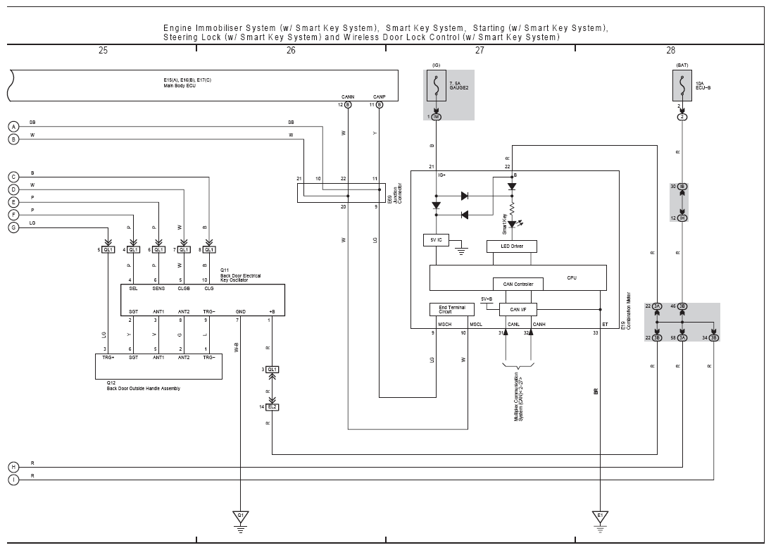
Fig 4: Engine Immobilizer, Starting, Steering Lock And Wireless Door Lock Control (W/ Smart Key) Electrical Wiring Diagram (4 Of 7)
G08845807Courtesy of © TOYOTA, LICENSE AGREEMENT TMS1002
Fig 5: Engine Immobilizer, Starting, Steering Lock And Wireless Door Lock Control (W/ Smart Key) Electrical Wiring Diagram (5 Of 7)
G08845808Courtesy of © TOYOTA, LICENSE AGREEMENT TMS1002
Fig 6: Engine Immobilizer, Starting, Steering Lock And Wireless Door Lock Control (W/ Smart Key) Electrical Wiring Diagram (6 Of 7)
G08845809Courtesy of © TOYOTA, LICENSE AGREEMENT TMS1002
Fig 7: Engine Immobilizer, Starting, Steering Lock And Wireless Door Lock Control (W/ Smart Key) Electrical Wiring Diagram (7 Of 7)
G08845810Courtesy of © TOYOTA, LICENSE AGREEMENT TMS1002