LEMON Manuals: Even more car manuals for everyone: 1960-2025
Home >> Toyota >> 2012 >> RAV4 EV >> Repair and Diagnosis (Single Page) >> Electrical >> Motors, Switches, Relays >> OEM System Circuits >> Engine Immobilizer System (w/Smart Key System), Smart Key System, Starting (w/Smart Key System), Steering Lock (w/Smart Key System) and Wireless Door Lock Control (w/Smart Key System) >> Notes
April 5, 2026: LEMON Manuals is launched! Read the announcement.

Engine Immobilizer System (w/Smart Key System), Smart Key System, Starting (w/Smart Key System), Steering Lock (w/Smart Key System) and Wireless Door Lock Control (w/Smart Key System): Notes

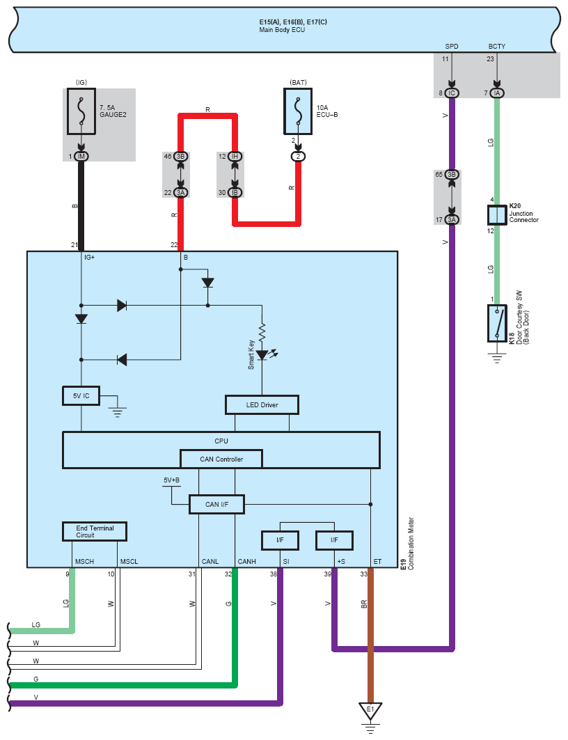
Fig 1: Engine Immobilizer, Starting, Steering Lock And Wireless Door Lock Control (W/ Smart Key) System Wiring Diagram (1 Of 16)
G08845164Courtesy of © TOYOTA, LICENSE AGREEMENT TMS1002
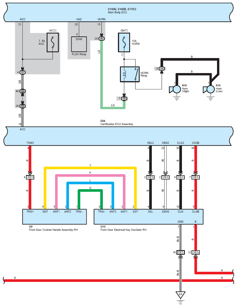
Fig 2: Engine Immobilizer, Starting, Steering Lock And Wireless Door Lock Control (W/ Smart Key) System Wiring Diagram (2 Of 16)
G08845165Courtesy of © TOYOTA, LICENSE AGREEMENT TMS1002
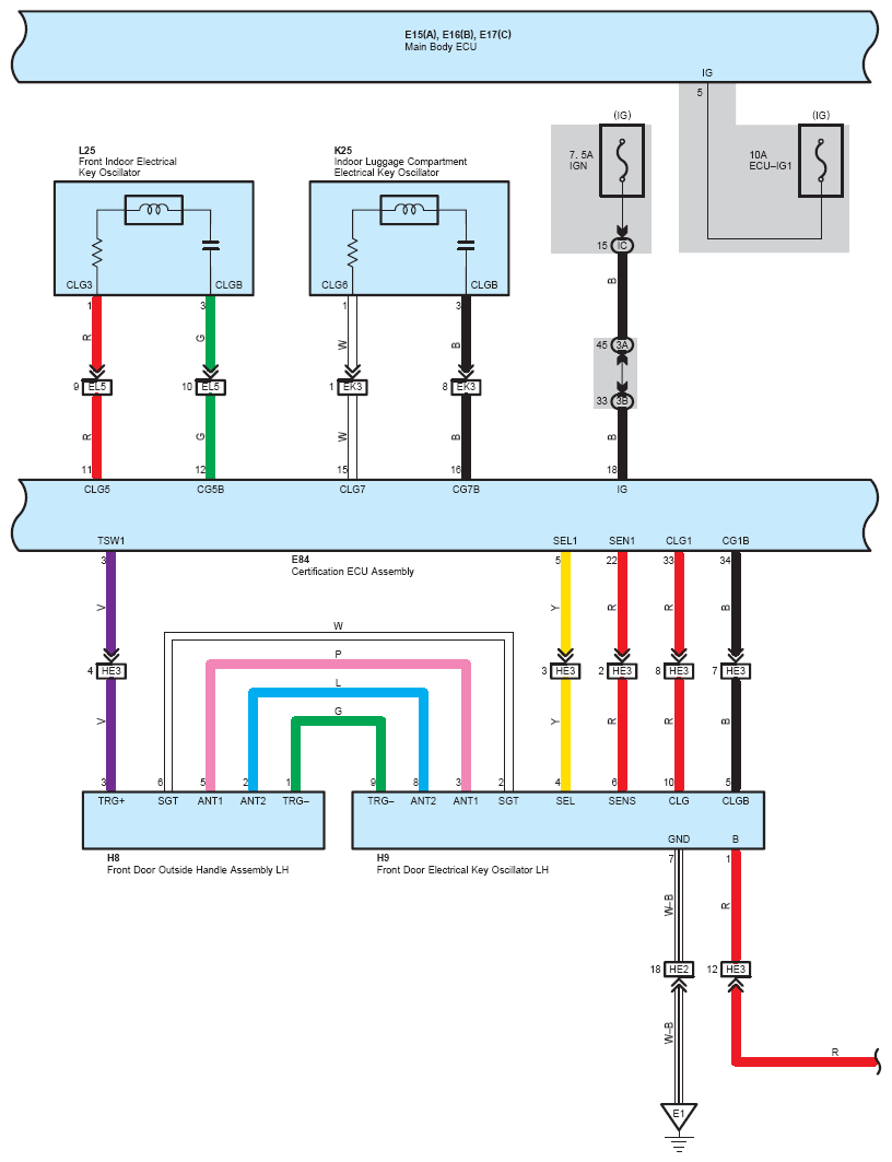
Fig 3: Engine Immobilizer, Starting, Steering Lock And Wireless Door Lock Control (W/ Smart Key) System Wiring Diagram (3 Of 16)
G08845166Courtesy of © TOYOTA, LICENSE AGREEMENT TMS1002
Fig 4: Engine Immobilizer, Starting, Steering Lock And Wireless Door Lock Control (W/ Smart Key) System Wiring Diagram (4 Of 16)
G08845167Courtesy of © TOYOTA, LICENSE AGREEMENT TMS1002
Fig 5: Engine Immobilizer, Starting, Steering Lock And Wireless Door Lock Control (W/ Smart Key) System Wiring Diagram (5 Of 16)
G08845168Courtesy of © TOYOTA, LICENSE AGREEMENT TMS1002
Fig 6: Engine Immobilizer, Starting, Steering Lock And Wireless Door Lock Control (W/ Smart Key) System Wiring Diagram (6 Of 16)
G08845169Courtesy of © TOYOTA, LICENSE AGREEMENT TMS1002
Fig 7: Engine Immobilizer, Starting, Steering Lock And Wireless Door Lock Control (W/ Smart Key) System Wiring Diagram (7 Of 16)
G08845170Courtesy of © TOYOTA, LICENSE AGREEMENT TMS1002
Fig 8: Engine Immobilizer, Starting, Steering Lock And Wireless Door Lock Control (W/ Smart Key) System Wiring Diagram (8 Of 16)
G08845171Courtesy of © TOYOTA, LICENSE AGREEMENT TMS1002
Fig 9: Engine Immobilizer, Starting, Steering Lock And Wireless Door Lock Control (W/ Smart Key) System Wiring Diagram (9 Of 16)
G08845172Courtesy of © TOYOTA, LICENSE AGREEMENT TMS1002
Fig 10: Engine Immobilizer, Starting, Steering Lock And Wireless Door Lock Control (W/ Smart Key) System Wiring Diagram (10 Of 16)
G08845173Courtesy of © TOYOTA, LICENSE AGREEMENT TMS1002
Fig 11: Engine Immobilizer, Starting, Steering Lock And Wireless Door Lock Control (W/ Smart Key) System Wiring Diagram (11 Of 16)
G08845174Courtesy of © TOYOTA, LICENSE AGREEMENT TMS1002
Fig 12: Engine Immobilizer, Starting, Steering Lock And Wireless Door Lock Control (W/ Smart Key) System Wiring Diagram (12 Of 16)
G08845175Courtesy of © TOYOTA, LICENSE AGREEMENT TMS1002
Fig 13: Engine Immobilizer, Starting, Steering Lock And Wireless Door Lock Control (W/ Smart Key) System Wiring Diagram (13 Of 16)
G08845176Courtesy of © TOYOTA, LICENSE AGREEMENT TMS1002
Fig 14: Engine Immobilizer, Starting, Steering Lock And Wireless Door Lock Control (W/ Smart Key) System Wiring Diagram (14 Of 16)
G08845177Courtesy of © TOYOTA, LICENSE AGREEMENT TMS1002
Fig 15: Engine Immobilizer, Starting, Steering Lock And Wireless Door Lock Control (W/ Smart Key) System Wiring Diagram (15 Of 16)
G08845178Courtesy of © TOYOTA, LICENSE AGREEMENT TMS1002
Fig 16: Engine Immobilizer, Starting, Steering Lock And Wireless Door Lock Control (W/ Smart Key) System Wiring Diagram (16 Of 16)
G08845179Courtesy of © TOYOTA, LICENSE AGREEMENT TMS1002