LEMON Manuals: Even more car manuals for everyone: 1960-2025
Home >> Toyota >> 2012 >> Sienna Base, Van Cargo >> Repair and Diagnosis (Single Page) >> Electrical >> Body Electrical >> OEM System Circuits >> Automatic Light Control and Light Auto Turn Off System >> Notes
April 5, 2026: LEMON Manuals is launched! Read the announcement.

Automatic Light Control and Light Auto Turn Off System: Notes

Fig 1: Automatic Light Control And Light Auto Turn Off System Wiring Diagram (1 Of 4)
G08846176Courtesy of © TOYOTA, LICENSE AGREEMENT TMS1002
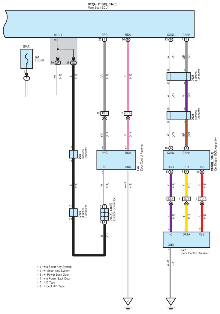
Fig 2: Automatic Light Control And Light Auto Turn Off System Wiring Diagram (2 Of 4)
G08846177Courtesy of © TOYOTA, LICENSE AGREEMENT TMS1002
Fig 3: Automatic Light Control And Light Auto Turn Off System Wiring Diagram (3 Of 4)
G08846178Courtesy of © TOYOTA, LICENSE AGREEMENT TMS1002
Fig 4: Automatic Light Control And Light Auto Turn Off System Wiring Diagram (4 Of 4)
G08846179Courtesy of © TOYOTA, LICENSE AGREEMENT TMS1002