LEMON Manuals: Even more car manuals for everyone: 1960-2025
Home >> Toyota >> 2012 >> Sienna Base, Van Cargo >> Repair and Diagnosis (Single Page) >> Electrical >> Body Electrical >> OEM System Circuits >> Combination Meter, Multi Display and Parking Assist (Rear View Monitor w/o Navigation System) >> Notes
April 5, 2026: LEMON Manuals is launched! Read the announcement.

Combination Meter, Multi Display and Parking Assist (Rear View Monitor w/o Navigation System): Notes

Fig 1: Combination Meter, Multi Display And Parking Assist With Mounting Bolts (Rear View Monitor W/O Navigation System; 1 Of 14)
G08846366Courtesy of © TOYOTA, LICENSE AGREEMENT TMS1002
Fig 2: Combination Meter, Multi Display And Parking Assist With Mounting Bolts (Rear View Monitor W/O Navigation System; 2 Of 14)
G08846367Courtesy of © TOYOTA, LICENSE AGREEMENT TMS1002
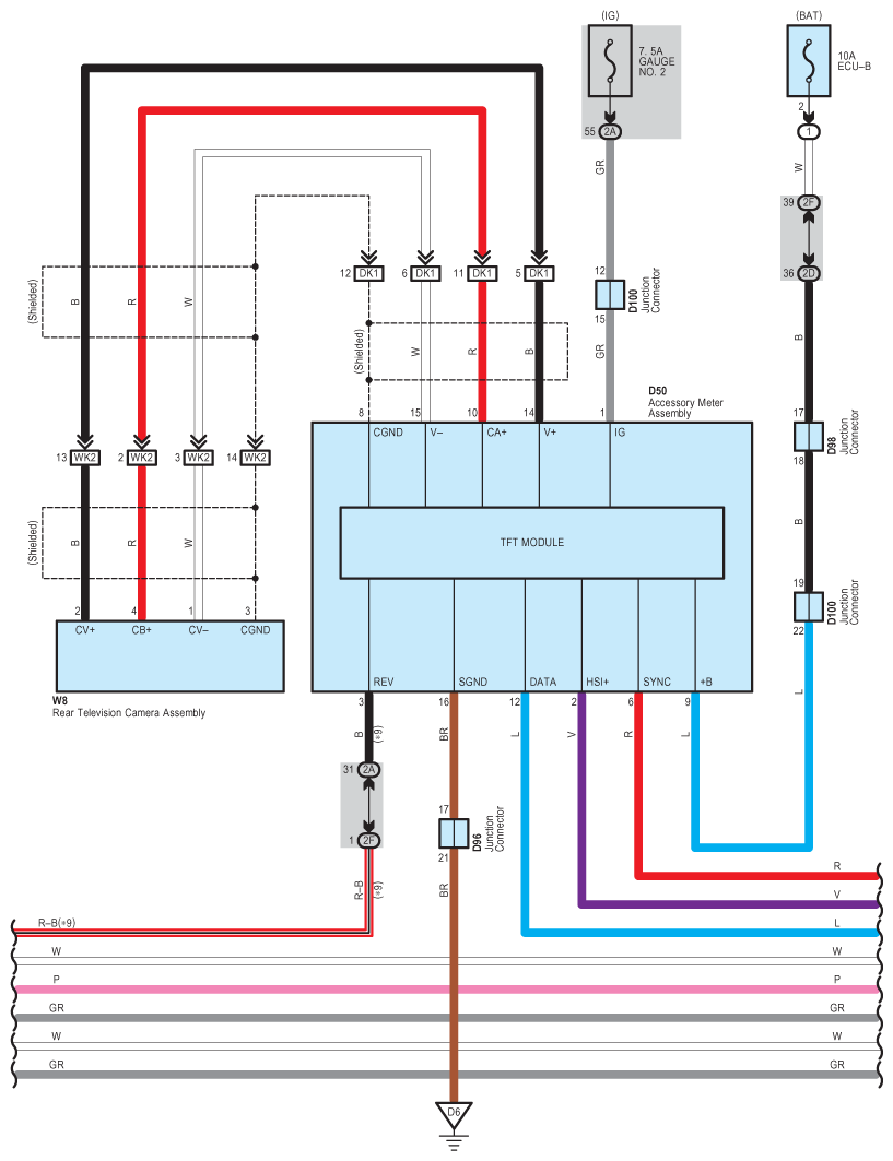
Fig 3: Combination Meter, Multi Display And Parking Assist Wiring Diagram (Rear View Monitor W/O Navigation System; 3 Of 14)
G08846368Courtesy of © TOYOTA, LICENSE AGREEMENT TMS1002
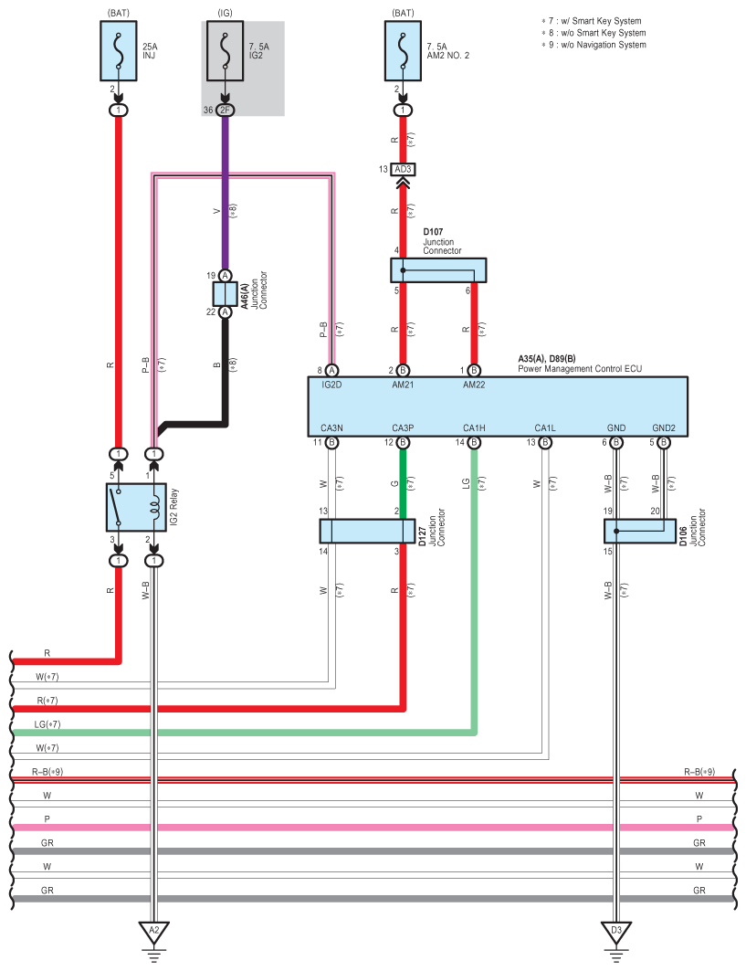
Fig 4: Combination Meter, Multi Display And Parking Assist Wiring Diagram (Rear View Monitor W/O Navigation System; 4 Of 14)
G08846369Courtesy of © TOYOTA, LICENSE AGREEMENT TMS1002
Fig 5: Combination Meter, Multi Display And Parking Assist Wiring Diagram (Rear View Monitor W/O Navigation System; 5 Of 14)
G08846370Courtesy of © TOYOTA, LICENSE AGREEMENT TMS1002
Fig 6: Combination Meter, Multi Display And Parking Assist Wiring Diagram (Rear View Monitor W/O Navigation System; 6 Of 14)
G08846371Courtesy of © TOYOTA, LICENSE AGREEMENT TMS1002
Fig 7: Combination Meter, Multi Display And Parking Assist Wiring Diagram (Rear View Monitor W/O Navigation System; 7 Of 14)
G08846372Courtesy of © TOYOTA, LICENSE AGREEMENT TMS1002
Fig 8: Combination Meter, Multi Display And Parking Assist Wiring Diagram (Rear View Monitor W/O Navigation System; 8 Of 14)
G08846373Courtesy of © TOYOTA, LICENSE AGREEMENT TMS1002
Fig 9: Combination Meter, Multi Display And Parking Assist Wiring Diagram (Rear View Monitor W/O Navigation System; 9 Of 14)
G08846374Courtesy of © TOYOTA, LICENSE AGREEMENT TMS1002
Fig 10: Combination Meter, Multi Display And Parking Assist Wiring Diagram (Rear View Monitor W/O Navigation System; 10 Of 14)
G08846375Courtesy of © TOYOTA, LICENSE AGREEMENT TMS1002
Fig 11: Combination Meter, Multi Display And Parking Assist Wiring Diagram (Rear View Monitor W/O Navigation System; 11 Of 14)
G08846376Courtesy of © TOYOTA, LICENSE AGREEMENT TMS1002
Fig 12: Combination Meter, Multi Display And Parking Assist Wiring Diagram (Rear View Monitor W/O Navigation System; 12 Of 14)
G08846377Courtesy of © TOYOTA, LICENSE AGREEMENT TMS1002
Fig 13: Combination Meter, Multi Display And Parking Assist Wiring Diagram (Rear View Monitor W/O Navigation System; 13 Of 14)
G08846378Courtesy of © TOYOTA, LICENSE AGREEMENT TMS1002
Fig 14: Combination Meter, Multi Display And Parking Assist Wiring Diagram (Rear View Monitor W/O Navigation System; 14 Of 14)
G08846379Courtesy of © TOYOTA, LICENSE AGREEMENT TMS1002