LEMON Manuals: Even more car manuals for everyone: 1960-2025
Home >> Toyota >> 2012 >> Sienna Base, Van Cargo >> Repair and Diagnosis (Single Page) >> Electrical >> Body Electrical >> OEM System Circuits >> Engine Immobilizer System (w/o Smart Key System) >> Notes
April 5, 2026: LEMON Manuals is launched! Read the announcement.

Engine Immobilizer System (w/o Smart Key System): Notes

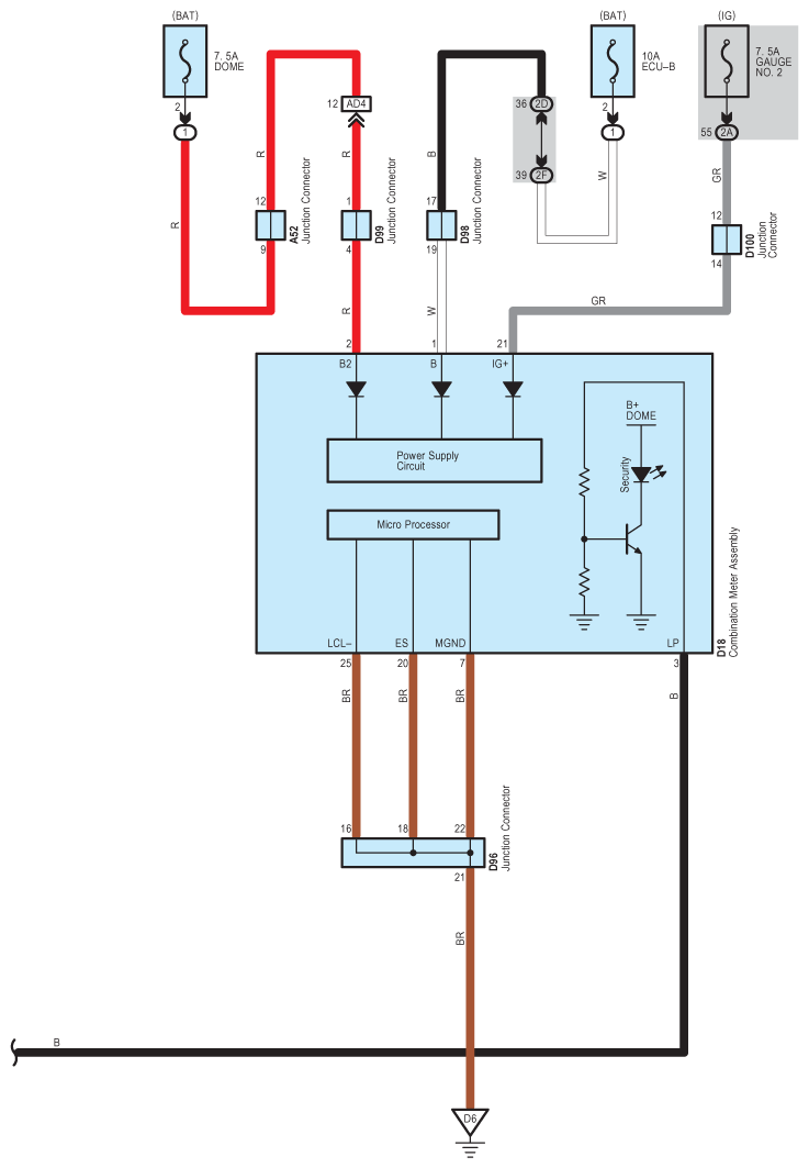
Fig 1: Engine Immobilizer System Wiring Diagram (W/O Smart Key System; 1 Of 3)
G08846134Courtesy of © TOYOTA, LICENSE AGREEMENT TMS1002
Fig 2: Engine Immobilizer System Wiring Diagram (W/O Smart Key System; 2 Of 3)
G08846135Courtesy of © TOYOTA, LICENSE AGREEMENT TMS1002
Fig 3: Engine Immobilizer System Wiring Diagram (W/O Smart Key System; 3 Of 3)
G08846136Courtesy of © TOYOTA, LICENSE AGREEMENT TMS1002