LEMON Manuals: Even more car manuals for everyone: 1960-2025
Home >> Toyota >> 2012 >> Sienna Base, Van Cargo >> Repair and Diagnosis (Single Page) >> Electrical >> Body Electrical >> OEM System Circuits >> Key Reminder (w/o Smart Key System) >> Notes
April 5, 2026: LEMON Manuals is launched! Read the announcement.

Key Reminder (w/o Smart Key System): Notes

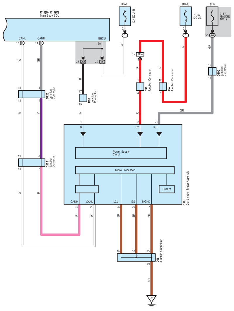
Fig 1: Key Reminder Wiring Diagram (W/O Smart Key System; 1 Of 2)
G08846187Courtesy of © TOYOTA, LICENSE AGREEMENT TMS1002
Fig 2: Key Reminder Wiring Diagram (W/O Smart Key System; 2 Of 2)
G08846188Courtesy of © TOYOTA, LICENSE AGREEMENT TMS1002