LEMON Manuals: Even more car manuals for everyone: 1960-2025
Home >> Toyota >> 2012 >> Sienna SE >> Repair and Diagnosis (Single Page) >> Electrical >> Body Electrical >> OEM System Circuits >> Audio System (w/o Navigation System) >> Notes
April 5, 2026: LEMON Manuals is launched! Read the announcement.

Audio System (w/o Navigation System): Notes

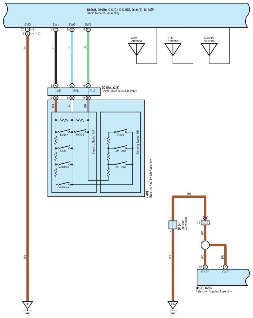
Fig 1: Audio System Wiring Diagram (W/O Navigation System; 1 Of 12)
G08846354Courtesy of © TOYOTA, LICENSE AGREEMENT TMS1002
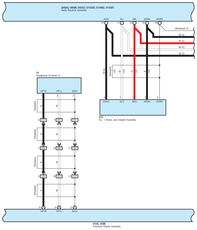
Fig 2: Audio System Wiring Diagram (W/O Navigation System; 2 Of 12)
G08846355Courtesy of © TOYOTA, LICENSE AGREEMENT TMS1002
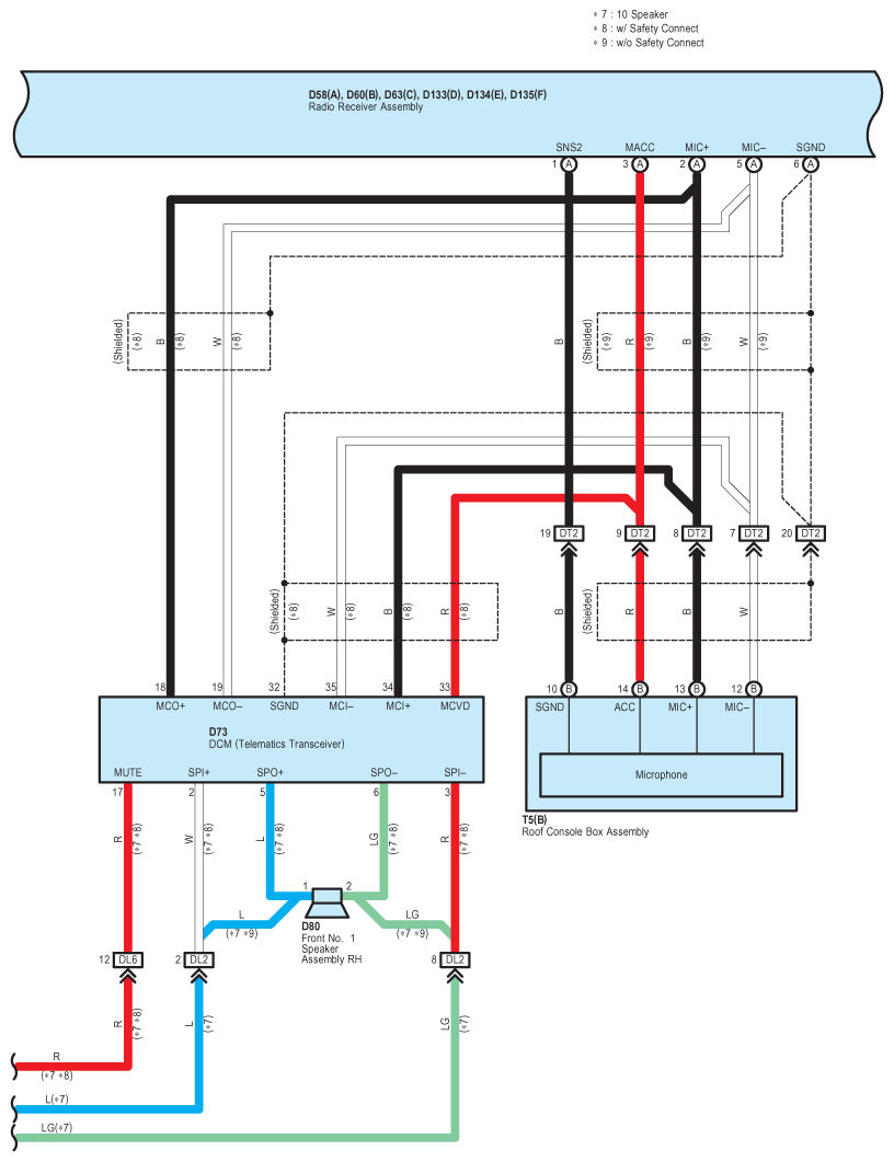
Fig 3: Audio System Wiring Diagram (W/O Navigation System; 3 Of 12)
G08846356Courtesy of © TOYOTA, LICENSE AGREEMENT TMS1002
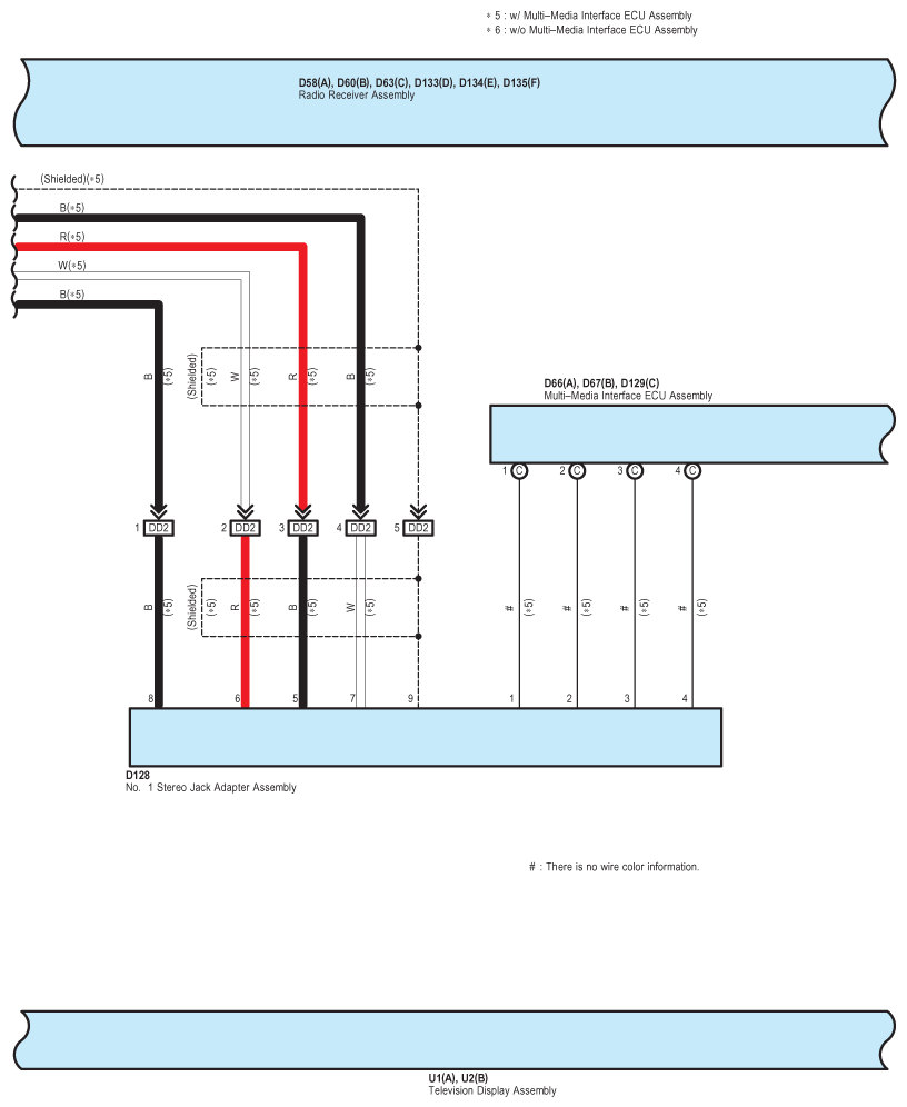
Fig 4: Audio System Wiring Diagram (W/O Navigation System; 4 Of 12)
G08846357Courtesy of © TOYOTA, LICENSE AGREEMENT TMS1002
Fig 5: Audio System Wiring Diagram (W/O Navigation System; 5 Of 12)
G08846358Courtesy of © TOYOTA, LICENSE AGREEMENT TMS1002
Fig 6: Audio System Wiring Diagram (W/O Navigation System; 6 Of 12)
G08846359Courtesy of © TOYOTA, LICENSE AGREEMENT TMS1002
Fig 7: Audio System Wiring Diagram (W/O Navigation System; 7 Of 12)
G08846360Courtesy of © TOYOTA, LICENSE AGREEMENT TMS1002
Fig 8: Audio System Wiring Diagram (W/O Navigation System; 8 Of 12)
G08846361Courtesy of © TOYOTA, LICENSE AGREEMENT TMS1002
Fig 9: Audio System Wiring Diagram (W/O Navigation System; 9 Of 12)
G08846362Courtesy of © TOYOTA, LICENSE AGREEMENT TMS1002
Fig 10: Audio System Wiring Diagram (W/O Navigation System; 10 Of 12)
G08846363Courtesy of © TOYOTA, LICENSE AGREEMENT TMS1002
Fig 11: Audio System Wiring Diagram (W/O Navigation System; 11 Of 12)
G08846364Courtesy of © TOYOTA, LICENSE AGREEMENT TMS1002
Fig 12: Audio System Wiring Diagram (W/O Navigation System; 12 Of 12)
G08846365Courtesy of © TOYOTA, LICENSE AGREEMENT TMS1002