LEMON Manuals: Even more car manuals for everyone: 1960-2025
Home >> Toyota >> 2012 >> Sienna SE >> Repair and Diagnosis >> Electrical >> Body Electrical >> OEM System Circuits >> EPS >> Notes
April 5, 2026: LEMON Manuals is launched! Read the announcement.

OEM System Circuits: EPS: Notes

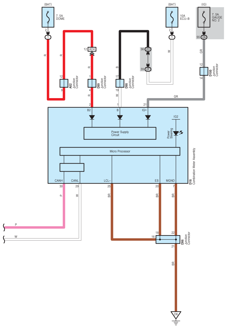
Fig 1: EPS Wiring Diagram (1 Of 3)
G08846287Courtesy of © TOYOTA, LICENSE AGREEMENT TMS1002
Fig 2: EPS Wiring Diagram (2 Of 3)
G08846288Courtesy of © TOYOTA, LICENSE AGREEMENT TMS1002
Fig 3: EPS Wiring Diagram (3 Of 3)
G08846289Courtesy of © TOYOTA, LICENSE AGREEMENT TMS1002