LEMON Manuals: Even more car manuals for everyone: 1960-2025
Home >> Toyota >> 2012 >> Venza Limited, AWD >> Repair and Diagnosis >> Engine Performance >> Ignition System >> Smart Key System (For Start Function) (Diagnostic Codes & Symptom Tests) >> SMART KEY SYSTEM (for Start Function) >> DTC B2274: ACC Monitor Malfunction >> Wiring Diagram
April 5, 2026: LEMON Manuals is launched! Read the announcement.

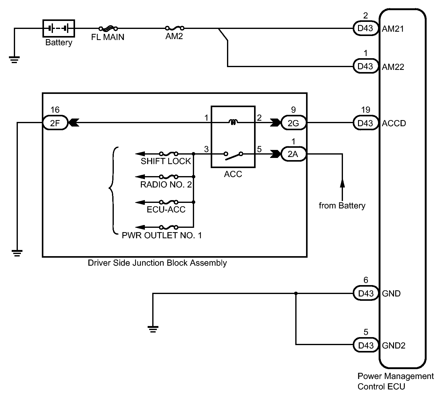
DTC B2274: ACC Monitor Malfunction: Wiring Diagram

Fig 1: Identifying ACC Monitor Malfunction Circuit Diagram
GTY249437Courtesy of © TOYOTA, LICENSE AGREEMENT TMS1002