LEMON Manuals: Even more car manuals for everyone: 1960-2025
Home >> Toyota >> 2012 >> Yaris Base, Automatic Trans >> Repair and Diagnosis >> Electrical >> Body Electrical >> OEM System Circuits >> Air Conditioning (S/D) >> Notes
April 5, 2026: LEMON Manuals is launched! Read the announcement.

Air Conditioning (S/D): Notes

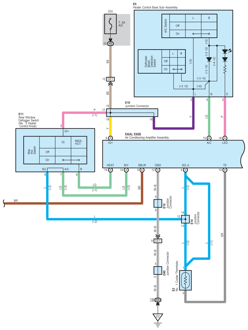
Fig 1: Air Conditioning (S/D) - Circuit Diagram (1 Of 4)
G08949484Courtesy of © TOYOTA, LICENSE AGREEMENT TMS1002
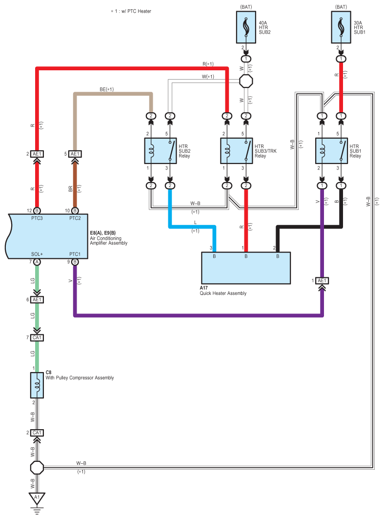
Fig 2: Air Conditioning (S/D) - Circuit Diagram (2 Of 4)
G08949485Courtesy of © TOYOTA, LICENSE AGREEMENT TMS1002
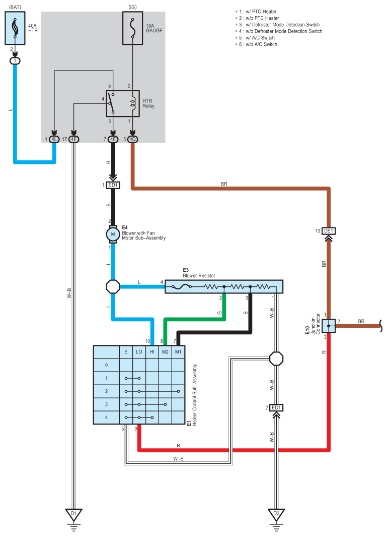
Fig 3: Air Conditioning (S/D) - Circuit Diagram (3 Of 4)
G08949486Courtesy of © TOYOTA, LICENSE AGREEMENT TMS1002
Fig 4: Air Conditioning (S/D) - Circuit Diagram (4 Of 4)
G08949487Courtesy of © TOYOTA, LICENSE AGREEMENT TMS1002