LEMON Manuals: Even more car manuals for everyone: 1960-2025
Home >> Toyota >> 2012 >> Yaris Base, Automatic Trans >> Repair and Diagnosis >> Electrical >> Body Electrical >> OEM System Circuits >> Combination Meter (S/D) >> Notes
April 5, 2026: LEMON Manuals is launched! Read the announcement.

Combination Meter (S/D): Notes

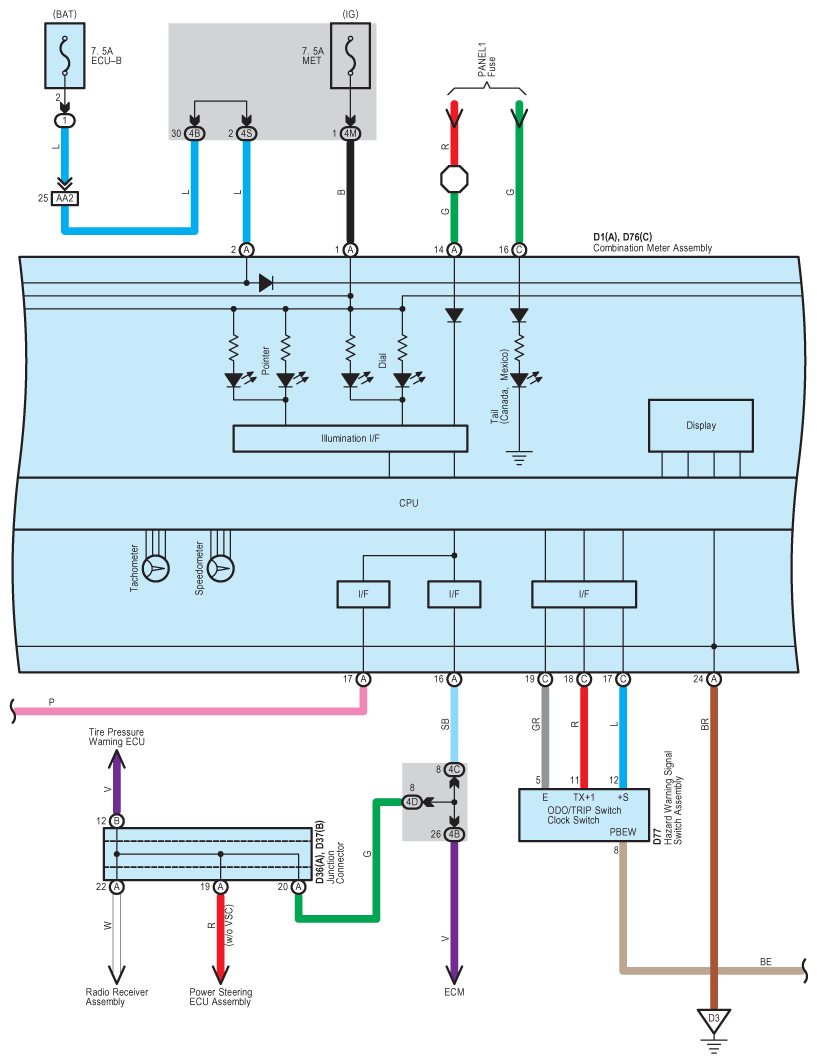
Fig 1: Combination Meter (S/D) - Circuit Diagram (1 Of 8)
G08949474Courtesy of © TOYOTA, LICENSE AGREEMENT TMS1002
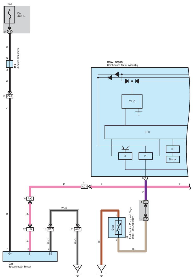
Fig 2: Combination Meter (S/D) - Circuit Diagram (2 Of 8)
G08949475Courtesy of © TOYOTA, LICENSE AGREEMENT TMS1002
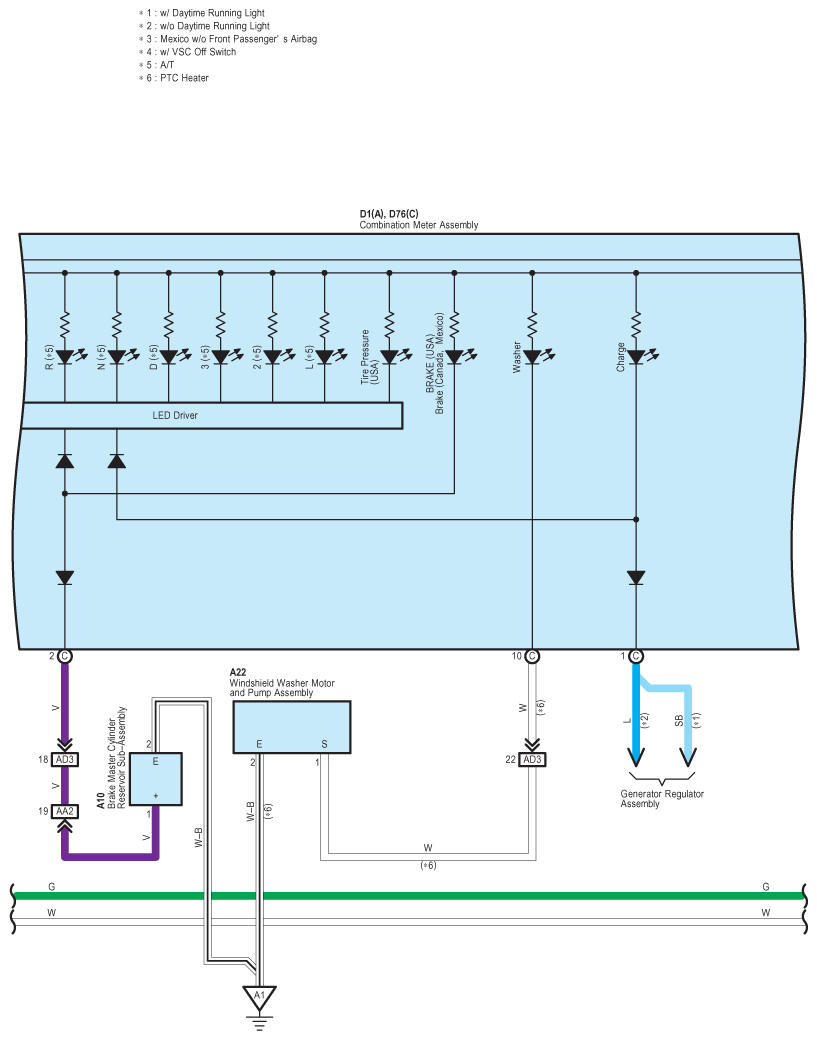
Fig 3: Combination Meter (S/D) - Circuit Diagram (3 Of 8)
G08949476Courtesy of © TOYOTA, LICENSE AGREEMENT TMS1002
Fig 4: Combination Meter (S/D) - Circuit Diagram (4 Of 8)
G08949477Courtesy of © TOYOTA, LICENSE AGREEMENT TMS1002
Fig 5: Combination Meter (S/D) - Circuit Diagram (5 Of 8)
G08949478Courtesy of © TOYOTA, LICENSE AGREEMENT TMS1002
Fig 6: Combination Meter (S/D) - Circuit Diagram (6 Of 8)
G08949479Courtesy of © TOYOTA, LICENSE AGREEMENT TMS1002
Fig 7: Combination Meter (S/D) - Circuit Diagram (7 Of 8)
G08949480Courtesy of © TOYOTA, LICENSE AGREEMENT TMS1002
Fig 8: Combination Meter (S/D) - Circuit Diagram (8 Of 8)
G08949481Courtesy of © TOYOTA, LICENSE AGREEMENT TMS1002