LEMON Manuals: Even more car manuals for everyone: 1960-2025
Home >> Toyota >> 2012 >> Yaris Base, Automatic Trans >> Repair and Diagnosis >> Electrical >> Body Electrical >> OEM System Circuits >> Door Lock Control (H/B) >> Notes
April 5, 2026: LEMON Manuals is launched! Read the announcement.

Door Lock Control (H/B): Notes

Fig 1: Door Lock Control (H/B) - Circuit Diagram (1 Of 6)
G08949318Courtesy of © TOYOTA, LICENSE AGREEMENT TMS1002
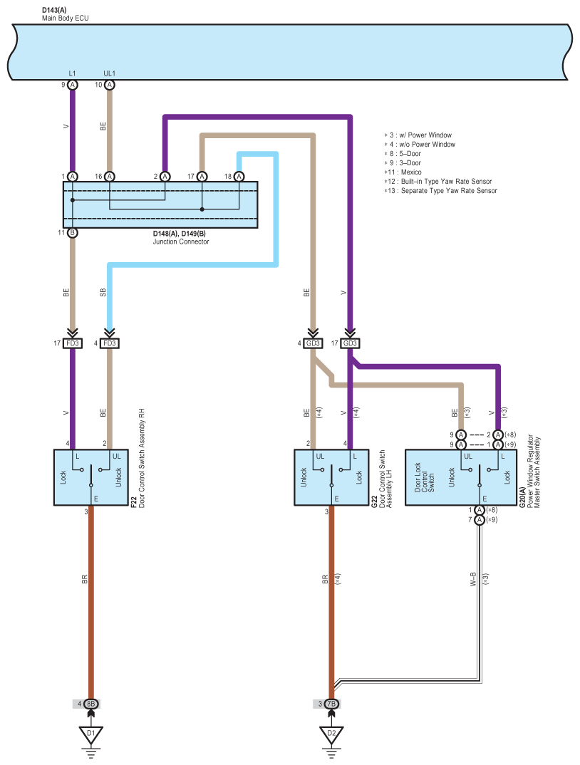
Fig 2: Door Lock Control (H/B) - Circuit Diagram (2 Of 6)
G08949319Courtesy of © TOYOTA, LICENSE AGREEMENT TMS1002
Fig 3: Door Lock Control (H/B) - Circuit Diagram (3 Of 6)
G08949320Courtesy of © TOYOTA, LICENSE AGREEMENT TMS1002
Fig 4: Door Lock Control (H/B) - Circuit Diagram (4 Of 6)
G08949321Courtesy of © TOYOTA, LICENSE AGREEMENT TMS1002
Fig 5: Door Lock Control (H/B) - Circuit Diagram (5 Of 6)
G08949322Courtesy of © TOYOTA, LICENSE AGREEMENT TMS1002
Fig 6: Door Lock Control (H/B) - Circuit Diagram (6 Of 6)
G08949323Courtesy of © TOYOTA, LICENSE AGREEMENT TMS1002