LEMON Manuals: Even more car manuals for everyone: 1960-2025
Home >> Toyota >> 2012 >> Yaris Base, Automatic Trans >> Repair and Diagnosis >> Electrical >> Body Electrical >> OEM System Circuits >> EPS (H/B) >> Notes
April 5, 2026: LEMON Manuals is launched! Read the announcement.

EPS (H/B): Notes

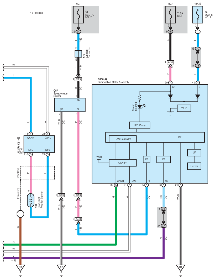
Fig 1: EPS (H/B) - Circuit Diagram (1 Of 3)
G08949309Courtesy of © TOYOTA, LICENSE AGREEMENT TMS1002
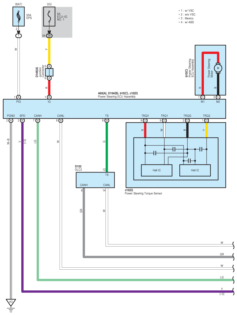
Fig 2: EPS (H/B) - Circuit Diagram (2 Of 3)
G08949310Courtesy of © TOYOTA, LICENSE AGREEMENT TMS1002
Fig 3: EPS (H/B) - Circuit Diagram (3 Of 3)
G08949311Courtesy of © TOYOTA, LICENSE AGREEMENT TMS1002