LEMON Manuals: Even more car manuals for everyone: 1960-2025
Home >> Toyota >> 2012 >> Yaris Base, Automatic Trans >> Repair and Diagnosis >> Electrical >> Body Electrical >> OEM System Circuits >> Front Fog Light (S/D) >> Notes
April 5, 2026: LEMON Manuals is launched! Read the announcement.

Front Fog Light (S/D): Notes

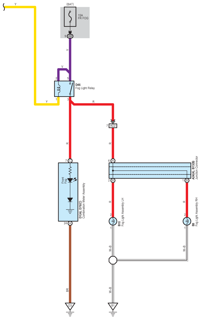
Fig 1: Front Fog Light (S/D) - Circuit Diagram (1 Of 2)
G08949420Courtesy of © TOYOTA, LICENSE AGREEMENT TMS1002
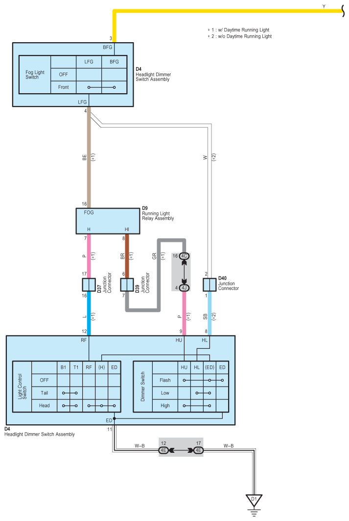
Fig 2: Front Fog Light (S/D) - Circuit Diagram (2 Of 2)
G08949421Courtesy of © TOYOTA, LICENSE AGREEMENT TMS1002