LEMON Manuals: Even more car manuals for everyone: 1960-2025
Home >> Toyota >> 2012 >> Yaris Base, Automatic Trans >> Repair and Diagnosis >> Electrical >> Body Electrical >> OEM System Circuits >> Power Source (H/B) >> Notes
April 5, 2026: LEMON Manuals is launched! Read the announcement.

Power Source (H/B): Notes

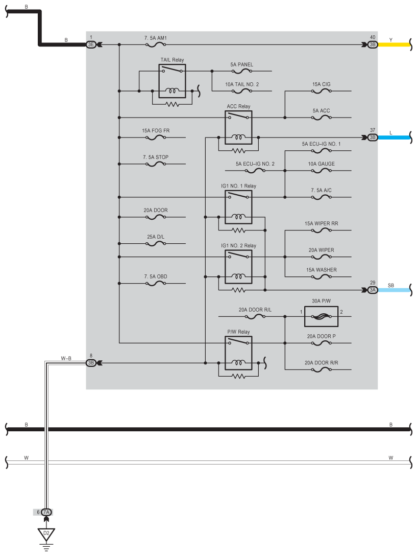
Fig 1: Power Source (H/B) - Circuit Diagram (1 Of 5)
G08949238Courtesy of © TOYOTA, LICENSE AGREEMENT TMS1002
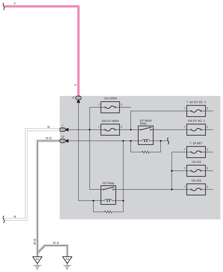
Fig 2: Power Source (H/B) - Circuit Diagram (2 Of 5)
G08949239Courtesy of © TOYOTA, LICENSE AGREEMENT TMS1002
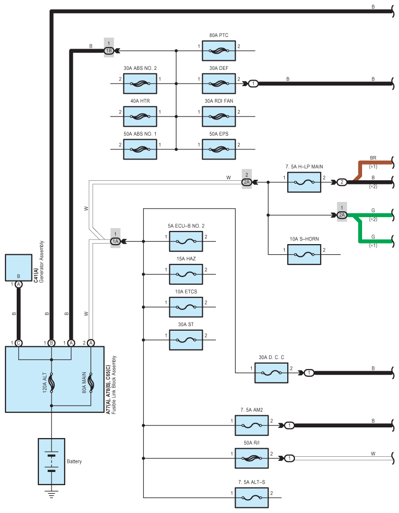
Fig 3: Power Source (H/B) - Circuit Diagram (3 Of 5)
G08949240Courtesy of © TOYOTA, LICENSE AGREEMENT TMS1002
Fig 4: Power Source (H/B) - Circuit Diagram (4 Of 5)
G08949241Courtesy of © TOYOTA, LICENSE AGREEMENT TMS1002
Fig 5: Power Source (H/B) - Circuit Diagram (5 Of 5)
G08949242Courtesy of © TOYOTA, LICENSE AGREEMENT TMS1002